Сообщения без ответов | Активные темы
| Автор |
Сообщение |
|
Artem23
|
Добавлено: Сб июн 20, 2015 11:56 am |
|
 |
| Токарь клуба |
 |
Зарегистрирован: Чт ноя 19, 2009 1:04 am Сообщения: 2721 Откуда: Ковров Репутация: 139 [ ? ]
Машина: toyota carina E
Год выпуска: 1995
Двигатель: 4a-fe не LB
|
|
есть, со стороны которая заворачивается в рейку
_________________ Сarina E 1995 4A-FE не LB МКПП зеленый седан с ГБО Ася 395650358 , Artem23@bk.ru , 89209131550 ВИДЕООТЧЕТЫ
|
|
| Вернуться к началу |
|
 |
|
a_berger
|
Добавлено: Сб июн 20, 2015 1:44 pm |
|
 |
| Контролер |
 |
Зарегистрирован: Ср май 07, 2014 1:18 pm Сообщения: 686 Репутация: −7 [ ? ]
Машина: Toyota Carina E
Год выпуска: 1993
Двигатель: 4A-FE LB
|
|
Artem23 Тяги надо менять? Как их проверить?
_________________ Toyota Carina E AT190 1995 4A-FE LB MT седан
|
|
| Вернуться к началу |
|
 |
|
Artem23
|
Добавлено: Сб июн 20, 2015 1:51 pm |
|
 |
| Токарь клуба |
 |
Зарегистрирован: Чт ноя 19, 2009 1:04 am Сообщения: 2721 Откуда: Ковров Репутация: 139 [ ? ]
Машина: toyota carina E
Год выпуска: 1995
Двигатель: 4a-fe не LB
|
|
как проверить хрен знает, до меня их не известно когда меняли, когда рулевую рейку перебирал то заменил все сразу там, этим тягам там цена была тогда рублей 300 за штуку, не стал разбираться рабочая - не рабочая, заменил все сразу
_________________ Сarina E 1995 4A-FE не LB МКПП зеленый седан с ГБО Ася 395650358 , Artem23@bk.ru , 89209131550 ВИДЕООТЧЕТЫ
|
|
| Вернуться к началу |
|
 |
|
a_berger
|
Добавлено: Сб июн 20, 2015 2:53 pm |
|
 |
| Контролер |
 |
Зарегистрирован: Ср май 07, 2014 1:18 pm Сообщения: 686 Репутация: −7 [ ? ]
Машина: Toyota Carina E
Год выпуска: 1993
Двигатель: 4A-FE LB
|
|
Artem23 Если менять рулевую тягу, то нужно менять какие-то резинки?
_________________ Toyota Carina E AT190 1995 4A-FE LB MT седан
|
|
| Вернуться к началу |
|
 |
|
Artem23
|
Добавлено: Сб июн 20, 2015 4:33 pm |
|
 |
| Токарь клуба |
 |
Зарегистрирован: Чт ноя 19, 2009 1:04 am Сообщения: 2721 Откуда: Ковров Репутация: 139 [ ? ]
Машина: toyota carina E
Год выпуска: 1995
Двигатель: 4a-fe не LB
|
|
пыльники, по краям рейки такие резиновые гофры черные, вот если они прелые то заменить
_________________ Сarina E 1995 4A-FE не LB МКПП зеленый седан с ГБО Ася 395650358 , Artem23@bk.ru , 89209131550 ВИДЕООТЧЕТЫ
|
|
| Вернуться к началу |
|
 |
|
Русаков Сергей
|
Добавлено: Пт июн 26, 2015 9:39 am |
|
 |
| Бригадир |
 |
Зарегистрирован: Ср июн 19, 2013 1:46 pm Сообщения: 180 Откуда: г. Алейск Алтайский край Репутация: 6 [ ? ]
Машина: Toyota Premio
Год выпуска: 2003
Двигатель: 1NZ
|
|
Всем привет. Стучит рулевая рейка, подскажите, пожалуйста, пробовать ремонтировать или сразу готовиться к замене? И сколько она еще может проходить до окончательной смерти?
|
|
| Вернуться к началу |
|
 |
|
alexrotor
|
Добавлено: Пт июн 26, 2015 11:44 am |
|
 |
| Внесен в большую энциклопедию |
 |
Зарегистрирован: Сб фев 12, 2011 11:09 am Сообщения: 2234 Откуда: Нижегородская область УРЕНЬ Репутация: 78 [ ? ]
Машина: LEXUS GS300
Год выпуска: 2008
Двигатель: 3GRFSE
|
|
Русаков Сергей Перебрать свою однозначно, конечно если это точно рейка стучит. Течь есть?
_________________ 89108943598Я на DRIVE2 
|
|
| Вернуться к началу |
|
 |
|
Русаков Сергей
|
Добавлено: Пт июн 26, 2015 12:08 pm |
|
 |
| Бригадир |
 |
Зарегистрирован: Ср июн 19, 2013 1:46 pm Сообщения: 180 Откуда: г. Алейск Алтайский край Репутация: 6 [ ? ]
Машина: Toyota Premio
Год выпуска: 2003
Двигатель: 1NZ
|
alexrotor писал(а): Русаков Сергей Перебрать свою однозначно, конечно если это точно рейка стучит. Течь есть? Нет течи нет! Ходовку всю перетрес недавно. Осталась только рейка (((
|
|
| Вернуться к началу |
|
 |
|
alexrotor
|
Добавлено: Пт июн 26, 2015 12:22 pm |
|
 |
| Внесен в большую энциклопедию |
 |
Зарегистрирован: Сб фев 12, 2011 11:09 am Сообщения: 2234 Откуда: Нижегородская область УРЕНЬ Репутация: 78 [ ? ]
Машина: LEXUS GS300
Год выпуска: 2008
Двигатель: 3GRFSE
|
Русаков Сергейну если не течет то там поменять только каблучок так называемый и втулку с другой стороны. Добавлено спустя 1 минуту 17 секунд:Правда я сильно сомневаюсь что именно рейка стучит 
_________________ 89108943598Я на DRIVE2 
|
|
| Вернуться к началу |
|
 |
|
Русаков Сергей
|
Добавлено: Пт июн 26, 2015 12:28 pm |
|
 |
| Бригадир |
 |
Зарегистрирован: Ср июн 19, 2013 1:46 pm Сообщения: 180 Откуда: г. Алейск Алтайский край Репутация: 6 [ ? ]
Машина: Toyota Premio
Год выпуска: 2003
Двигатель: 1NZ
|
alexrotor писал(а): Русаков Сергейну если не течет то там поменять только каблучок так называемый и втулку с другой стороны. Добавлено спустя 1 минуту 17 секунд:Правда я сильно сомневаюсь что именно рейка стучит  Почему?
|
|
| Вернуться к началу |
|
 |
|
ALEX-72
|
Добавлено: Пт июн 26, 2015 12:43 pm |
|
 |
| Герой былин народных |
 |
Зарегистрирован: Пн сен 30, 2013 7:47 am Сообщения: 3927 Откуда: Тюмень Репутация: 123 [ ? ]
Машина: Carina E Sedan
Год выпуска: 1993
Двигатель: 7A-FE STD теперь АКПП :-)
|
Русаков Сергей писал(а): Почему? Присоединюсь к вопросу, у меня тоже стучит но не течет.
_________________ Алексей.
|
|
| Вернуться к началу |
|
 |
|
Русаков Сергей
|
Добавлено: Пт июн 26, 2015 12:46 pm |
|
 |
| Бригадир |
 |
Зарегистрирован: Ср июн 19, 2013 1:46 pm Сообщения: 180 Откуда: г. Алейск Алтайский край Репутация: 6 [ ? ]
Машина: Toyota Premio
Год выпуска: 2003
Двигатель: 1NZ
|
|
Кстати, добавлю, рулевую крестовину тоже менял.
|
|
| Вернуться к началу |
|
 |
|
alexrotor
|
Добавлено: Пт июн 26, 2015 1:17 pm |
|
 |
| Внесен в большую энциклопедию |
 |
Зарегистрирован: Сб фев 12, 2011 11:09 am Сообщения: 2234 Откуда: Нижегородская область УРЕНЬ Репутация: 78 [ ? ]
Машина: LEXUS GS300
Год выпуска: 2008
Двигатель: 3GRFSE
|
Русаков Сергей писал(а): Почему? Просто по моему опыту 80% людей у которых приговорили рейку, вылечивают стук не трогая самой рейки А если по теме, возьми да перебери, запчасти оригинальные не дорого стоят, сделаешь все сам, и душа будет спокойна Кстати еще может стучать плохо затянутый болт нижнего кардана 
_________________ 89108943598Я на DRIVE2 
|
|
| Вернуться к началу |
|
 |
|
Радикматур
|
Добавлено: Ср июл 08, 2015 9:21 am |
|
 |
| Студент |
Зарегистрирован: Вт май 19, 2015 7:07 am Сообщения: 3 Репутация: 0 [ ? ]
Машина: Toyota Carina e универсал
Год выпуска: 1994
Двигатель: 4a-fe
|
|
Доброго дня у меня такой вопрос. Начало кушать резину поехал на развал там сказали колесо болтается походу из за рейки делай потом приезжай поехал на сто на диагностику подтвердили что рейка надо менять ремонтировать бесполезно. Посмотрел сам рейка не бежит только рычаг болтается неужели ремонту не полежит?
|
|
| Вернуться к началу |
|
 |
|
alexrotor
|
Добавлено: Ср июл 08, 2015 9:27 am |
|
 |
| Внесен в большую энциклопедию |
 |
Зарегистрирован: Сб фев 12, 2011 11:09 am Сообщения: 2234 Откуда: Нижегородская область УРЕНЬ Репутация: 78 [ ? ]
Машина: LEXUS GS300
Год выпуска: 2008
Двигатель: 3GRFSE
|
|
Радикматур Чет ерунда какая то. Болтаться рычаг может по нескольким причинам: 1. сайлентблоки рычага (передний или задний ) 2. рул. наконечник 3. рул. тяга 4. подшипник ступицы, когда болтается колесо, а не рычаг. Вот эти пункты проверяй. ПС. пишите грамотно, не возможно читать без знаков препинания.
_________________ 89108943598Я на DRIVE2 
|
|
| Вернуться к началу |
|
 |
|
craftsmanship
|
Добавлено: Ср июл 08, 2015 9:48 am |
|
 |
| На доске почета |
 |
Зарегистрирован: Пн сен 06, 2010 11:53 am Сообщения: 1166 Откуда: Нижний Новгород Репутация: 24 [ ? ]
Машина: Carina Е(JPP) Wagon Xli
Год выпуска: 1994
Двигатель: 4A-FE LB
|
Радикматур писал(а): неужели ремонту не полежит? Скорее всего у вас рейка как у меня (TOYDA) про перебор этой рейки очень много инфы на форуме, даже есть ролик на Ю-тубе, я не имея опыта перебрал за 9-ть часов (не курю). НО Радикматур писал(а): Начало кушать резину скорее всего умер сайлент (или оба) как писал alexrotor потому что Радикматур писал(а): только рычаг болтается
_________________ Руслан
|
|
| Вернуться к началу |
|
 |
|
step_slim
|
Добавлено: Пн авг 10, 2015 9:47 pm |
|
 |
| Бригадир |
 |
Зарегистрирован: Вт апр 01, 2014 4:50 pm Сообщения: 204 Откуда: Ставропольский край Репутация: 3 [ ? ]
Машина: Toyota Carina E LB Англичанка
Год выпуска: 1996
Двигатель: 4A-FE
|
|
Доброго всем! Вот и меня постигла неудача с рейкой. Ещё год назад на подьемнике на СТО заметил, что пыльник правой стороны рейки как будто в масле немного. Но мастер сказал что это просто двигатель "потеет". А весной пыльник разорвало. Купил новые пыльники заменил, хотя с порваным пришлось поездить с полмесяца. И вот с месяца 2 назад началось, на поворотах некий шум (как будто что-то завывает) открыл бочек, а там жидкости на дне щупа. Так как не знал что залито, купил на подлив step up универсальную жидкость. Да и меня уверили, что жижа ушла из-за жары, у нас более 40 было. В начале подливать приходилось раз в 2 недели, потом каждую неделю, начал исследовать днище, всё сухо, на асфальте капель нет. А тут вчера руку в арку засунул, а там все в масле. Течёт с правой стороны, левая сухая и чистая. Влил герметик - ещё хуже стало, сегодня 150 км и в бочке опять на кончике щупа... Не стучала, не скрипела - просто потекла и всё. Буду брать ремкомплект, рейка zf, отец у меня токарь, но ему нужно обьяснить что точить то (что стачивать и что вытачивать) пытался на пальцах обьяснить, он не понимает для чего это. Кто занимался этим или кто в курсе, может у кого остались фото, поделитесь, что делать то нужно. Разбирать буду сам. И ещё вопрос, понимаю глупость - но сколько вот так подливая ездить получится, до момента полного клина руля? У друга на пасате рейка потекла, так руль сразу как вкопанный стал, а тут я столько есжу..
|
|
| Вернуться к началу |
|
 |
|
Artem23
|
Добавлено: Пн авг 10, 2015 10:15 pm |
|
 |
| Токарь клуба |
 |
Зарегистрирован: Чт ноя 19, 2009 1:04 am Сообщения: 2721 Откуда: Ковров Репутация: 139 [ ? ]
Машина: toyota carina E
Год выпуска: 1995
Двигатель: 4a-fe не LB
|
Дак чего течет то ? Сам насос или из правого пыльника рейки течет , если с пыльника течет то сальник под замену , у меня текло так же с правой стороны из пыльника , сальник износился и не держал давление масла , текло не хило так , заливать декстрон при расходе 2 литра на день это накладно , поэтому заливал Автол , на нем проездил пару недель . Как собрал все запчасти снимал рейку и перебирал её . Добавлено спустя 6 минут 54 секунды:В ремонте помог этот отчетик viewtopic.php?t=8567Сальники себе брал эти 01013970 Кортеко 250 р за штуку
_________________ Сarina E 1995 4A-FE не LB МКПП зеленый седан с ГБО Ася 395650358 , Artem23@bk.ru , 89209131550 ВИДЕООТЧЕТЫ
|
|
| Вернуться к началу |
|
 |
|
step_slim
|
Добавлено: Пн авг 10, 2015 11:21 pm |
|
 |
| Бригадир |
 |
Зарегистрирован: Вт апр 01, 2014 4:50 pm Сообщения: 204 Откуда: Ставропольский край Репутация: 3 [ ? ]
Машина: Toyota Carina E LB Англичанка
Год выпуска: 1996
Двигатель: 4A-FE
|
Artem23 писал(а): Дак чего течет то ? Сам насос или из правого пыльника рейки течет , если с пыльника течет то сальник под замену , у меня текло так же с правой стороны из пыльника , сальник износился и не держал давление масла , текло не хило так , заливать декстрон при расходе 2 литра на день это накладно , поэтому заливал Автол , на нем проездил пару недель . Как собрал все запчасти снимал рейку и перебирал её . Добавлено спустя 6 минут 54 секунды:В ремонте помог этот отчетик http://www.carina-e.ru/viewtopic.php?t=8567Сальники себе брал эти 01013970 Кортеко 250 р за штуку Из под правого пыльника течёт. Засунул руку под арку, там весь пыльник в масле. Сальник в ремкомплекте идёт? Пару постов выше ссылка на ремкомплект рейки zf, вроде по отзывам норм. Так все же мне нужно перебирать рейку или просто сальник заменить?
|
|
| Вернуться к началу |
|
 |
|
Artem23
|
Добавлено: Пн авг 10, 2015 11:52 pm |
|
 |
| Токарь клуба |
 |
Зарегистрирован: Чт ноя 19, 2009 1:04 am Сообщения: 2721 Откуда: Ковров Репутация: 139 [ ? ]
Машина: toyota carina E
Год выпуска: 1995
Двигатель: 4a-fe не LB
|
|
Когда себе перебирал ремкомплекта на ЗФ рейку как такого не было , он типа был где то когда то , но никто его не видел , под заказ где то из арабских эмиратов сроком в пол года и ценой в несколько тысяч . По факту тебе только боковой один сальник сменить , если получится сменить не снимая рейки то попробуй , цена вопроса то 250-300 рублей за сальник . Заменишь посмотришь потечет снова или нет , только не порви маслосъемную часть на сальнике когда будешь его напяливать туда на вал .
_________________ Сarina E 1995 4A-FE не LB МКПП зеленый седан с ГБО Ася 395650358 , Artem23@bk.ru , 89209131550 ВИДЕООТЧЕТЫ
|
|
| Вернуться к началу |
|
 |
|
wAnTed
|
Добавлено: Пн авг 10, 2015 11:55 pm |
|
 |
| Герой былин народных |
 |
Зарегистрирован: Чт окт 15, 2009 11:14 pm Сообщения: 3648 Откуда: РФ, Северо-Запад, респ. Карелия Репутация: 33 [ ? ]
Машина: Toyota Carina E
Год выпуска: 1997
Двигатель: 7A-FE
|
|
step_slim стоп-стоп. Ты руку сунул под арку, пыльник снаружи в масле или ты пыльник снял и из него вытекла жижа? Пыльник со стороны водителя или со стороны пассажира (а то правый, левый, это смотря с какой стороны стоять к автомобилю, спиной или лицом.)? Вообще я перебирал рейку, там реально все за 1 день сделать, ну если не спешить, то за 2. Из того что я покупал: сальники (2 одинаковых) и новые пыльники 2шт. Порядок такой (в кратце): Разбираешь рейку, смотришь вал (если нет износа, раковин, не кривой - то оставляешь). Далее на валу 2 втулки, их токарь вытачивает новые (я делал более толстые). Вообще если грамотный токарь с тобой будет, то ему это как нефиг делать. Материал втулок: капрон, капролон, фторопласт и прочие маслостойкие пластики. Себе делал из капролона (т.к. его на предприятии куча). Далее все собираешь обратно. Самое главное не повредить сальник, который ставиться внутрь корпуса рейки (ты потом вал в корпус вставляешь зубьями, дак вот чтоб зубья не порвали внутреннюю стенку сальника). Если все делать аккуратно и с толковым подходом, то перебрать не проблема. Я кстати скоро буду перебирать еще одну рейку себе (лежит в машине, надо на работу принести). Смотри фотоотчет, который скинули, я по нему делал. Да там и так все понятно, разбирается рейка только в одну сторону.
_________________ Артём, Carina E'97 1,8 7A-FE LB вишневый седан 
|
|
| Вернуться к началу |
|
 |
|
step_slim
|
Добавлено: Вт авг 11, 2015 12:26 am |
|
 |
| Бригадир |
 |
Зарегистрирован: Вт апр 01, 2014 4:50 pm Сообщения: 204 Откуда: Ставропольский край Репутация: 3 [ ? ]
Машина: Toyota Carina E LB Англичанка
Год выпуска: 1996
Двигатель: 4A-FE
|
|
Спасибо огромное Артём и wanTed! Более менее все встало на свои места. Для начала попробую сменить сальник. Если не исправиться буду разбирать рейку. Единственное что смущает - болванки токарю из фторопласта (в селе 100% нет) из латуни или других металлов не вариант. Насчёт зазубрин и ржавчины - есть опасение что такие имеются, так как весной когда заметил что пыльник порван в него набилось грязи и воды. На СТО когда сняли пыльник из него вытекло грамм 300 воды. Как вариант это и стало причиной последующей поломки рейки - я так предполагаю. wanTed - руку я засунул сквозь арку правого колеса, предварительно вывернул руль. Правое, если со стороны водителя по направлению движения.
|
|
| Вернуться к началу |
|
 |
|
Artem23
|
Добавлено: Вт авг 11, 2015 1:01 am |
|
 |
| Токарь клуба |
 |
Зарегистрирован: Чт ноя 19, 2009 1:04 am Сообщения: 2721 Откуда: Ковров Репутация: 139 [ ? ]
Машина: toyota carina E
Год выпуска: 1995
Двигатель: 4a-fe не LB
|
Сунул Грека руку в реку .....  Да походу изза воды вал начал покрываться ржавчиной , и она в свою очередь порвала сальник , разбирай смотри . Сделай фотки и будем думать
_________________ Сarina E 1995 4A-FE не LB МКПП зеленый седан с ГБО Ася 395650358 , Artem23@bk.ru , 89209131550 ВИДЕООТЧЕТЫ
|
|
| Вернуться к началу |
|
 |
|
wAnTed
|
Добавлено: Вт авг 11, 2015 1:39 am |
|
 |
| Герой былин народных |
 |
Зарегистрирован: Чт окт 15, 2009 11:14 pm Сообщения: 3648 Откуда: РФ, Северо-Запад, респ. Карелия Репутация: 33 [ ? ]
Машина: Toyota Carina E
Год выпуска: 1997
Двигатель: 7A-FE
|
|
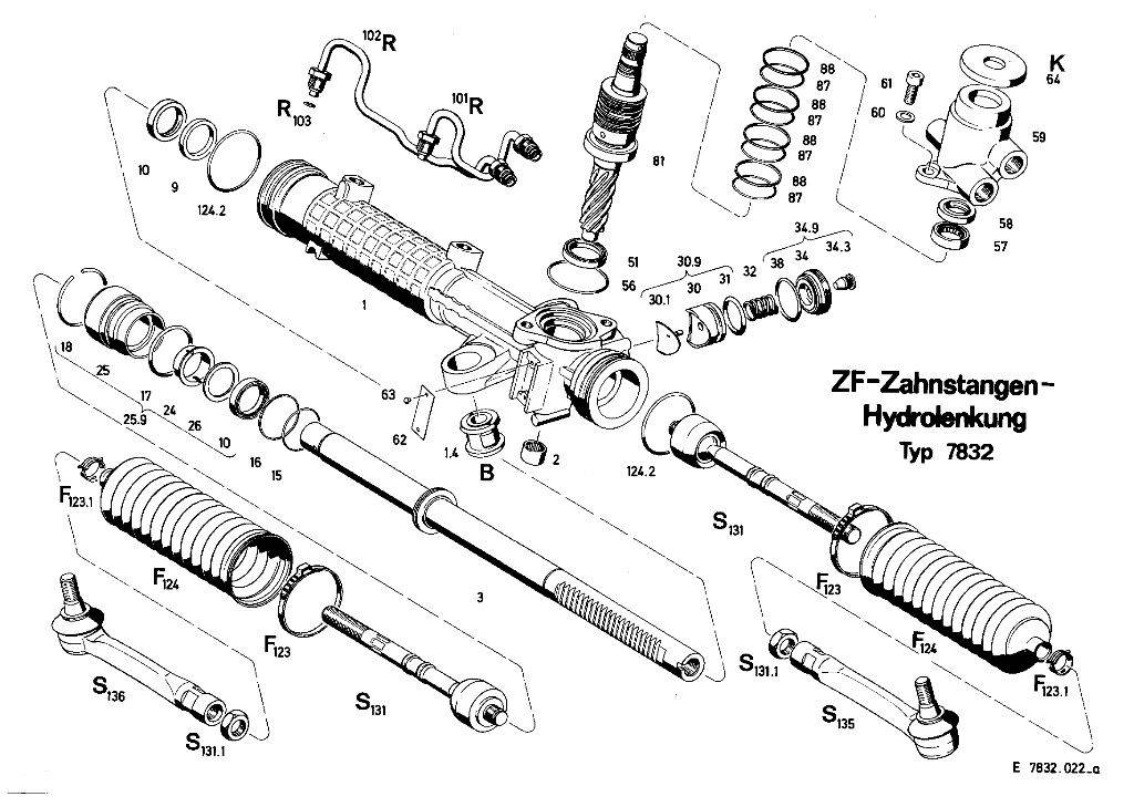
step_slim сальник ты сможешь поменять, если только рейку разберешь. Если вал с коррозией, то или его протачивать (если есть что точить, или менять вал) вот картинка рулевой рейки
| Вложения: |

1.JPG [ 144.73 КБ | Просмотров: 13767 ]
|
_________________ Артём, Carina E'97 1,8 7A-FE LB вишневый седан 
|
|
| Вернуться к началу |
|
 |
Кто сейчас на конференции |
Сейчас этот форум просматривают: нет зарегистрированных пользователей и гости: 0 |
|
Вы не можете начинать темы Вы не можете отвечать на сообщения Вы не можете редактировать свои сообщения Вы не можете удалять свои сообщения Вы не можете добавлять вложения
|
|