Сообщения без ответов | Активные темы
| Автор |
Сообщение |
|
NEON
|
Добавлено: Ср дек 16, 2009 11:09 pm |
|
 |
| Заслуженный |
 |
Зарегистрирован: Сб авг 23, 2008 7:34 am Сообщения: 980 Откуда: KZ, pvl Репутация: 3 [ ? ]
Машина: Toyota CarinaE
Год выпуска: 1997
Двигатель: 4A-FE не LB
|
|
Вопросик скока длина ремня кондиционера а то в магазине на него 2 вида с разной длиной сантиметров
_________________ 97, 4A-FE не LB, Англичанка, Bosch Motronic 
|
|
| Вернуться к началу |
|
 |
|
voldemarik
|
Добавлено: Ср дек 16, 2009 11:41 pm |
|
 |
| Человек-легенда |
 |
Зарегистрирован: Чт дек 13, 2007 1:30 pm Сообщения: 8353 Репутация: 40 [ ? ]
Машина: carina e
Год выпуска: 1995
|
NEON писал(а): Вопросик скока длина ремня кондиционера а то в магазине на него 2 вида с разной длиной сантиметров
я бы не покупал в этом магазине, если они по вину не могут определить.
Мне кажется что в номере ремня есть длина.
Посмотри на своем ремне код.
|
|
| Вернуться к началу |
|
 |
|
Lex@84
|
Добавлено: Ср дек 16, 2009 11:49 pm |
|
 |
| Заслуженный |
 |
Зарегистрирован: Чт дек 04, 2008 4:41 pm Сообщения: 974 Репутация: 5 [ ? ]
|
voldemarik писал(а): NEON писал(а): Вопросик скока длина ремня кондиционера а то в магазине на него 2 вида с разной длиной сантиметров я бы не покупал в этом магазине, если они по вину не могут определить. Мне кажется что в номере ремня есть длина. Посмотри на своем ремне код. там она точно есть, по моему последние цифры-это как раз длинна.
_________________ была Toyota carina e hatch год 1994 двиг.-4А-FE не LB Цвет-Черный, тонированная вся, мощ.107л.с АКПП, Англичанка, была Corolla e12 2006 АКПП двиг 3ZZ 1,6л 110л.с. Темно зеленый Lancer IX 2005 1,6 АКПП серебрист металлик.
|
|
| Вернуться к началу |
|
 |
|
Alex27104
|
Добавлено: Чт дек 17, 2009 9:29 am |
|
 |
| Его именем пора назвать улицу |
 |
Зарегистрирован: Сб сен 29, 2007 3:26 pm Сообщения: 1773 Откуда: Нижний Новгород Репутация: 44 [ ? ]
Машина: Camry
Год выпуска: 2007
|
NEON
У меня по VINу выдаёт 5-ти ручейковый, длинной 970. Уж в чём там длина, хэ его знает, в мулиметрах наверное
Выложи свой VIN посмотрим
_________________ Toyota Camry V40, 2AZ-FE, АКПП, седан, код цвета 202, 05/2007г. Жапан
|
|
| Вернуться к началу |
|
 |
|
**denis**
|
Добавлено: Чт дек 17, 2009 11:10 am |
|
 |
| Стажер |
Зарегистрирован: Чт дек 17, 2009 10:52 am Сообщения: 17 Откуда: Екатеринбург Репутация: 0 [ ? ]
|
|
Всем здравствуйте. Проблема утром стал заводить (-30) покрутила 3-4 сек. и погасла половина контрольных ламп, стартер не крутит. Посмотрел предохранитель стартера, вытащил реле стартера замкнул на прямую лампочки загорелись вентилятор выключился, стартер 0. щёлкает как реле за бардачком. Тягали на лямке с замкнутой релюшкой заводится на 4 сек. глохнет, зажигание вкл/выкл опять заводиться 3-4 сек. глохнет. Помогите советом! Акум в норме
Добавлено спустя 8 минут 20 секунд:
потянули в автосервис будем смотреть
Оказалось отгорела масса на двигатель, и пока я замыкал что то то, ещё и предохранитель сжёг.
_________________ CARINA E(UKP) AT19#,ST191,CT190
7AFE 1800CC 16-VALVE DOHC EFI (не LB)
1996.10 МКПП AT191L-BLMNKW
LEFT-HAND DRIVE VEHICLES
Код цвета 746 LIFTBACK EUROPE
Ком GL TYPE
Последний раз редактировалось **denis** Пт дек 18, 2009 8:36 pm, всего редактировалось 1 раз.
|
|
| Вернуться к началу |
|
 |
|
Lex@84
|
Добавлено: Чт дек 17, 2009 1:08 pm |
|
 |
| Заслуженный |
 |
Зарегистрирован: Чт дек 04, 2008 4:41 pm Сообщения: 974 Репутация: 5 [ ? ]
|
Вот как и обещал пишу про то что сделал:
1- прозвонил все предохранители в 2ух блоках под капотом, в лючке под рулем, под лючком с левой стороны возле ноги, под бардачком тоже 2а предохранителя нашел, все целые
2-выкрутил свечи, а они все в бензинама залиты и нагара полно ( менял свечи примерно 1т.км назад)
3-снял крышку трамблера, на контактах налета и влаги не обнаружено, зато под крышкой на подвижной части, на самом контакте есть окисление, точнее металл там как будто немного прогорел, я его ногтем трогаю а он сыпится ( фото чуть позже). катушка у меня находится внутри трамблера denso не выносная и центральный провод отсутствует.
4- долез я до + который к стартеру приходит ( весь измазался) и прозвонил цепь, по этому поводу у меня вопрос имеется: на конце провода стоит я так понял наконечник одетый в пластиковый кожух, кожух я открыл у стартера есть болт на который одевается наконечник +ой и прикручивается гайкой, так вот когда я щуп прислоняю к болту не звонится, а если прислоняю чуть подальше к концу кожуха, то звонится, у меня вопрос : в этом кожухе тот самый предохранитель стоять не может? просто там не видно ни хрена.
_________________ была Toyota carina e hatch год 1994 двиг.-4А-FE не LB Цвет-Черный, тонированная вся, мощ.107л.с АКПП, Англичанка, была Corolla e12 2006 АКПП двиг 3ZZ 1,6л 110л.с. Темно зеленый Lancer IX 2005 1,6 АКПП серебрист металлик.
|
|
| Вернуться к началу |
|
 |
|
NEON
|
Добавлено: Чт дек 17, 2009 2:29 pm |
|
 |
| Заслуженный |
 |
Зарегистрирован: Сб авг 23, 2008 7:34 am Сообщения: 980 Откуда: KZ, pvl Репутация: 3 [ ? ]
Машина: Toyota CarinaE
Год выпуска: 1997
Двигатель: 4A-FE не LB
|
|
Не заводится ремень поставил анету искры. Что делать с центрального нету. Может катушка сгорела или на трамблере еть ишка там 3 проводка моъет их перепцтал
_________________ 97, 4A-FE не LB, Англичанка, Bosch Motronic 
|
|
| Вернуться к началу |
|
 |
|
Lex@84
|
Добавлено: Чт дек 17, 2009 3:05 pm |
|
 |
| Заслуженный |
 |
Зарегистрирован: Чт дек 04, 2008 4:41 pm Сообщения: 974 Репутация: 5 [ ? ]
|
релюху которая на стартер подает напряжение только что проверил, целая  , видать точно стартер  .
У меня такой вопросик имеется: если я подам + на прямую от стартера к аккумулятору не снимая стартера ( кажись дотянуться смогу) чтоб его проверить мне нужно еще что нибудь снимать или отсоединять? например разьемы с форсунок снять или свечи выкрутить?
ответьте пожалуйста побыстрее, а то темнеет рано очень. 
_________________ была Toyota carina e hatch год 1994 двиг.-4А-FE не LB Цвет-Черный, тонированная вся, мощ.107л.с АКПП, Англичанка, была Corolla e12 2006 АКПП двиг 3ZZ 1,6л 110л.с. Темно зеленый Lancer IX 2005 1,6 АКПП серебрист металлик.
|
|
| Вернуться к началу |
|
 |
|
MerTV
|
Добавлено: Чт дек 17, 2009 3:12 pm |
|
 |
| У него свой шкафчик в раздевалке |
 |
Зарегистрирован: Ср июл 16, 2008 9:35 am Сообщения: 7416 Откуда: Нижний Новгород Репутация: 358 [ ? ]
Машина: Тойота Ками. Мелкий проходимец
Год выпуска: 1999
Двигатель: Контрактный
|
NEON писал(а): трамблере еть ишка там 3 проводка моъет их перепцтал
Как ты их мог перепутать? Там по другому не поставишь
Добавлено спустя 4 минуты 37 секунд:
Lex@84 не от стартера плюс к аккумулятору а наоборот:)
Там нужно подать плюс на маленькую фишку на стартере,на втягивающее. Должен быть щелчек,и если все работает втягивающее замкнет контакты на сам стартер и он будет крутится. Нет щелчка-значит втягивающее виновато. Можешь фишку с трамблера скинуть,чтобы не завелась во время эксперемента
_________________ Ремонт ДВС японских и корейских автомобилей SWAP-сервис в Нижнем Новгороде
|
|
| Вернуться к началу |
|
 |
|
Beso
|
Добавлено: Чт дек 17, 2009 3:38 pm |
|
 |
| Он знает о машинах все, ex-Модератор. |
 |
Зарегистрирован: Пт ноя 30, 2007 7:08 pm Сообщения: 11065 Откуда: SPb Репутация: 224 [ ? ]
|
Lex@84 писал(а): когда я щуп прислоняю к болту не звонится, а если прислоняю чуть подальше к концу кожуха, то звонится, у меня вопрос : в этом кожухе тот самый предохранитель стоять не может? просто там не видно ни хрена Толстый провод идёт напрямую от аккумулятора на втягивающее. Там шпилька М8 с гайкой. Дык вот там "плюс" должен быть постоянным (его-то втягивающее реле своими контактами и замыкает, отправляя на сам мотор стартера). Если у тебя под изолирующим колпачком на этой шпильке нету плюса - отгорел/окислился провод. Надо переобжимать клемму, зачистив жилы до чистой меди. Втягивающее, говоришь, щёлкает ,когда ключ поворачиваешь? NEON писал(а): Не заводится ремень поставил анету искры. Что делать с центрального нету. Может катушка сгорела или на трамблере еть ишка там 3 проводка моъет их перепцтал
Я тебя спрашивал: у тебя оранжевая крышка на трамблёре, да?
Посмотри коды ошибок сейчас, после неудачных попыток завестись. Если у тебя Мотроник - фишка на трамблёре не может помешать. Зато может портить картину датчик внизу ,где нижний зубчатый шкив ремня ГРМ. В процессе замены его не поломали?
_________________ Не надо верить всякой херне, которая у меня над аватаркой написана.
|
|
| Вернуться к началу |
|
 |
|
Beso
|
Добавлено: Чт дек 17, 2009 3:54 pm |
|
 |
| Он знает о машинах все, ex-Модератор. |
 |
Зарегистрирован: Пт ноя 30, 2007 7:08 pm Сообщения: 11065 Откуда: SPb Репутация: 224 [ ? ]
|
|
Подозреваю глюк сигнализации.
Блокируются цепи стартера и бензонасоса.
_________________ Не надо верить всякой херне, которая у меня над аватаркой написана.
|
|
| Вернуться к началу |
|
 |
|
Lex@84
|
Добавлено: Чт дек 17, 2009 4:00 pm |
|
 |
| Заслуженный |
 |
Зарегистрирован: Чт дек 04, 2008 4:41 pm Сообщения: 974 Репутация: 5 [ ? ]
|
Beso писал(а): Lex@84 писал(а): когда я щуп прислоняю к болту не звонится, а если прислоняю чуть подальше к концу кожуха, то звонится, у меня вопрос : в этом кожухе тот самый предохранитель стоять не может? просто там не видно ни хрена Толстый провод идёт напрямую от аккумулятора на втягивающее. Там шпилька М8 с гайкой. Дык вот там "плюс" должен быть постоянным (его-то втягивающее реле своими контактами и замыкает, отправляя на сам мотор стартера). Если у тебя под изолирующим колпачком на этой шпильке нету плюса - отгорел/окислился провод. Надо переобжимать клемму, зачистив жилы до чистой меди. Втягивающее, говоришь, щёлкает ,когда ключ поворачиваешь?
щелкает релюха которая вот эта( см фото) я ее домой принес, подал на катушку 12В она щелкнула, и тестером прозвонил силовую часть, звонится. Значит там стартер, и втягивающее, я просто хотел + подать в обход реле напрямую к этой шпильке ( чиркнуть) посмотреть работает или нет. Куда подать +? (см. фото)
| Вложения: |

реле.JPG [ 57.41 КБ | Просмотров: 3092 ]
|
Комментарий к файлу: на этом фото под №1-это та самая шпилька?

старт.JPG [ 18.11 КБ | Просмотров: 3091 ]
|
_________________ была Toyota carina e hatch год 1994 двиг.-4А-FE не LB Цвет-Черный, тонированная вся, мощ.107л.с АКПП, Англичанка, была Corolla e12 2006 АКПП двиг 3ZZ 1,6л 110л.с. Темно зеленый Lancer IX 2005 1,6 АКПП серебрист металлик.
|
|
| Вернуться к началу |
|
 |
|
Beso
|
Добавлено: Чт дек 17, 2009 4:14 pm |
|
 |
| Он знает о машинах все, ex-Модератор. |
 |
Зарегистрирован: Пт ноя 30, 2007 7:08 pm Сообщения: 11065 Откуда: SPb Репутация: 224 [ ? ]
|
Lex@84 писал(а): хотел + подать в обход реле напрямую к этой шпильке ( чиркнуть) посмотреть работает или нет. Куда подать +? (см. фото)
На шпильку "чиркать" не надо. На шпильку надо намертво прикручивать.
"Чиркать" надо клеммочку в одноконтактном разъёме на втягивающем, куда как раз и приходит провод с проверенного тобой реле.
Только вот странно нарисовано на картинке: "минус" должен быть один, на корпус. А "плюсов" - два: на силовую клемму под гайку и на управляющий контакт для включения втягивающего реле и запуска стартера.
_________________ Не надо верить всякой херне, которая у меня над аватаркой написана.
|
|
| Вернуться к началу |
|
 |
|
Lex@84
|
Добавлено: Чт дек 17, 2009 4:29 pm |
|
 |
| Заслуженный |
 |
Зарегистрирован: Чт дек 04, 2008 4:41 pm Сообщения: 974 Репутация: 5 [ ? ]
|
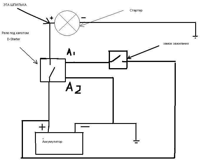
мне эта схема виделась следующим образом, смотрим рисунок, или я не прав?
Добавлено спустя 5 минут 17 секунд:
понято
Beso писал(а): Lex@84 писал(а): хотел + подать в обход реле напрямую к этой шпильке ( чиркнуть) посмотреть работает или нет. Куда подать +? (см. фото) На шпильку "чиркать" не надо. На шпильку надо намертво прикручивать. "Чиркать" надо клеммочку в одноконтактном разъёме на втягивающем, куда как раз и приходит провод с проверенного тобой реле. Только вот странно нарисовано на картинке: "минус" должен быть один, на корпус. А "плюсов" - два: на силовую клемму под гайку и на управляющий контакт для включения втягивающего реле и запуска стартера.
аааа, теперь понятно, + нужно на втягивающее подат, а оно уже в свою очередь запустит стартер. Где не искать + для втягивающего? Там рядом был еще проводок с фишкой подключенный, наверно он.
| Вложения: |

шпилька.JPG [ 28.44 КБ | Просмотров: 3095 ]
|
_________________ была Toyota carina e hatch год 1994 двиг.-4А-FE не LB Цвет-Черный, тонированная вся, мощ.107л.с АКПП, Англичанка, была Corolla e12 2006 АКПП двиг 3ZZ 1,6л 110л.с. Темно зеленый Lancer IX 2005 1,6 АКПП серебрист металлик.
|
|
| Вернуться к началу |
|
 |
|
NEON
|
Добавлено: Чт дек 17, 2009 4:55 pm |
|
 |
| Заслуженный |
 |
Зарегистрирован: Сб авг 23, 2008 7:34 am Сообщения: 980 Откуда: KZ, pvl Репутация: 3 [ ? ]
Машина: Toyota CarinaE
Год выпуска: 1997
Двигатель: 4A-FE не LB
|
|
Да оранжевая крышка
Добавлено спустя 1 минуту 47 секунд:
Нет не поломали все нормально
_________________ 97, 4A-FE не LB, Англичанка, Bosch Motronic 
|
|
| Вернуться к началу |
|
 |
|
Beso
|
Добавлено: Чт дек 17, 2009 5:05 pm |
|
 |
| Он знает о машинах все, ex-Модератор. |
 |
Зарегистрирован: Пт ноя 30, 2007 7:08 pm Сообщения: 11065 Откуда: SPb Репутация: 224 [ ? ]
|
Lex@84 писал(а): смотрим рисунок, или я не прав? Почти прав. ТОлько "стартер" ты нарисовал не совсем правильно: там ЕЩЁ одно реле, втягивающее. Именно потому на стартере в реальности ТРИ контакта: минус приходит по корпусу через болты крепления к двигателю, один силовой плюс постоянный, второй плюс для коммутации, на реле. Ну, и ещё там есть два предохранителя в схеме, но это мелочи.  Lex@84 писал(а): еще проводок с фишкой подключенный, наверно он Именно он. И вот через него-то попадает на стартер (сначала на втягивающее, собственно, ибо именно во втягивающее этот проводочек и вставляется) управляющий плюс от замка зажигания через промежуточную релюшку, которая в блоке под капотом. NEON писал(а): оранжевая крышка
Ну вот он и Бош Мотроник. Замыкай Е1 и ТЕ!, смотри ошибки.
_________________ Не надо верить всякой херне, которая у меня над аватаркой написана.
|
|
| Вернуться к началу |
|
 |
|
M9suk
|
Добавлено: Чт дек 17, 2009 5:14 pm |
|
 |
| Состоявшийся |
Зарегистрирован: Чт апр 02, 2009 2:20 pm Сообщения: 70 Откуда: г.Нижневартовск Репутация: 0 [ ? ]
|
|
не буду постить новую тему, а как всегда напишу в чьей-нибудь))
короче проблема следущая...
ездил все нормально, утром поставил, вечером завел, обороты прогревочные обычно 1500-1800 (на улице было -25), а тут 1000 и чувствуется что машина ели ели тянет, вдруг стал свистеть жутко римень на генераторе, хотя он новый и нормально натянут, чуть погазовал вроде прошло, закрыл стою обметаю от снега, минут 5-6 прошло, открываю дверь и чувствую что внутри все воняет паленой изоляцией, заглушил сразу, открыл капот ничо не нашел...воняет где то под рулем(по крайней мере там сильнее всего, может и показалось) больше машина не заводится, при поворет ключа все молчит..ничо не щелкает не реле, ваще ничо...подозреваю что сгорел предохранитель, но вопрос в том как найти то что погорело? может было у кого чтото похожее, даж незнаю с чего начать...пока в голову приходит только мысль о том чтоб тащить на сто
_________________ CARINA E(JPP) 4A-FE(1.6) LB AT190 1993г.

|
|
| Вернуться к началу |
|
 |
|
Lex@84
|
Добавлено: Чт дек 17, 2009 5:31 pm |
|
 |
| Заслуженный |
 |
Зарегистрирован: Чт дек 04, 2008 4:41 pm Сообщения: 974 Репутация: 5 [ ? ]
|
Beso писал(а): Lex@84 писал(а): смотрим рисунок, или я не прав? Почти прав. ТОлько "стартер" ты нарисовал не совсем правильно: там ЕЩЁ одно реле, втягивающее. Именно потому на стартере в реальности ТРИ контакта: минус приходит по корпусу через болты крепления к двигателю, один силовой плюс постоянный, второй плюс для коммутации, на реле. Ну, и ещё там есть два предохранителя в схеме, но это мелочи.  Lex@84 писал(а): еще проводок с фишкой подключенный, наверно он Именно он. И вот через него-то попадает на стартер (сначала на втягивающее, собственно, ибо именно во втягивающее этот проводочек и вставляется) управляющий плюс от замка зажигания через промежуточную релюшку, которая в блоке под капотом.
вот етперь понято, буду чиркать на контакт втягивающего, а мож и не буду, раз все предохранители целы и релюха рабочая значит можно и ключ в зажигании повернуть и послушать щелкает втягивающее или нет, правильно я мыслю? А втягивающее отдельно продается?
_________________ была Toyota carina e hatch год 1994 двиг.-4А-FE не LB Цвет-Черный, тонированная вся, мощ.107л.с АКПП, Англичанка, была Corolla e12 2006 АКПП двиг 3ZZ 1,6л 110л.с. Темно зеленый Lancer IX 2005 1,6 АКПП серебрист металлик.
|
|
| Вернуться к началу |
|
 |
|
Beso
|
Добавлено: Чт дек 17, 2009 5:50 pm |
|
 |
| Он знает о машинах все, ex-Модератор. |
 |
Зарегистрирован: Пт ноя 30, 2007 7:08 pm Сообщения: 11065 Откуда: SPb Репутация: 224 [ ? ]
|
Lex@84 писал(а): раз все предохранители целы и релюха рабочая значит можно и ключ в зажигании повернуть и послушать щелкает втягивающее или нет, правильно я мыслю? А втягивающее отдельно продается?
Почти правильно. Только ты недопрозванивал провода.
Потому я бы на твоём месте сначала сымитировал бы проводку, как на твоей схеме с моей поправкой. И уж всяко в первую очередь восстановил бы надёжную проводку от плюсовой клеммы аккумулятора до силовой контактной шпильки на корпусе втягивающего (ещё раз напоминаю, "плюс" там должен быть постоянный, прямо с аккума). А потом взял бы проводочек какой-нибудь, засунул его в разъём на втягивающем взамен штатной клеммы, и уж его бы прикладывал другим концом к плюсовой клемме аккума, исключив временно из цепочки и все предохранители, и дополнительное реле, и замок зажигания, и соединительные провода и разъёмы.
Да, и с "массой" проверку на надёжность контакта не забудь повторить. Силовая "масса" у тебя приходит на коробку передач, ниже воздушного фильтра.
Втягивающее отдельно продаётся. Но ты не забывай, что они бывают нескольких видов. 
_________________ Не надо верить всякой херне, которая у меня над аватаркой написана.
|
|
| Вернуться к началу |
|
 |
|
Beso
|
Добавлено: Чт дек 17, 2009 5:55 pm |
|
 |
| Он знает о машинах все, ex-Модератор. |
 |
Зарегистрирован: Пт ноя 30, 2007 7:08 pm Сообщения: 11065 Откуда: SPb Репутация: 224 [ ? ]
|
M9suk писал(а): пока в голову приходит только мысль о том чтоб тащить на сто
Похоже, что так. Увы, запах по телефону не передаётся... По идее, палёным из-под капота вероятнее должно нести, ибо похоже на осыпание банок аккумулятора и КЗ в нём. Из-за этого и генератор встал "в упор".
А ещё КЗ в роторе генератора может быть.
Цепи в салоне, по идее, защищаются не слишком тугоплавкими предохранителями, они не должны были дать такую не номинальную нагрузку на генератор...
_________________ Не надо верить всякой херне, которая у меня над аватаркой написана.
|
|
| Вернуться к началу |
|
 |
|
Лев
|
Добавлено: Чт дек 17, 2009 5:55 pm |
|
 |
| Коллекционер ведер, Модератор |
 |
Зарегистрирован: Пн апр 06, 2009 7:41 pm Сообщения: 4693 Откуда: Санкт-Петербург Репутация: 84 [ ? ]
Машина: Carina-E
Год выпуска: 1992
Двигатель: 3S-GE
|
Beso
Цитата: А потом взял бы проводочек какой-нибудь, засунул его в разъём на втягивающем взамен штатной клеммы, и уж его бы прикладывал другим концом к плюсовой клемме аккума, исключив временно из цепочки и все предохранители, и дополнительное реле, и замок зажигания, и соединительные провода и разъёмы.
я так и делаю только вместо проводка обычно гнутая отвертка....
_________________ Carina E 3S-FE 93г. Японка, левый руль, МКПП +Sprinter CArib AE95, Ford Explorer I, Skoda Yeti, VW Multivan T5, Mercedes R-Class W251, Газель матушка)) Будь тем кто ты есть.... до грани и за гранью Хочешь создать тему? тогда тебе сюда http://carina-e.ru/viewtopic.php?t=1607
|
|
| Вернуться к началу |
|
 |
|
Enakin
|
Добавлено: Чт дек 17, 2009 5:56 pm |
|
 |
| Его именем пора назвать улицу |
 |
Зарегистрирован: Вт мар 10, 2009 12:39 pm Сообщения: 1733 Откуда: Ижевск Репутация: 16 [ ? ]
|
|
_________________ CARINA E(JPP); 4A-FE STD, XLi, С52; AT190L-AEMDKW; SEDAN ; 02/1993; 742 - железный помошник...был.
|
|
| Вернуться к началу |
|
 |
|
Лев
|
Добавлено: Чт дек 17, 2009 5:57 pm |
|
 |
| Коллекционер ведер, Модератор |
 |
Зарегистрирован: Пн апр 06, 2009 7:41 pm Сообщения: 4693 Откуда: Санкт-Петербург Репутация: 84 [ ? ]
Машина: Carina-E
Год выпуска: 1992
Двигатель: 3S-GE
|
|
Beso
а может и обмотка стартера??
_________________ Carina E 3S-FE 93г. Японка, левый руль, МКПП +Sprinter CArib AE95, Ford Explorer I, Skoda Yeti, VW Multivan T5, Mercedes R-Class W251, Газель матушка)) Будь тем кто ты есть.... до грани и за гранью Хочешь создать тему? тогда тебе сюда http://carina-e.ru/viewtopic.php?t=1607
|
|
| Вернуться к началу |
|
 |
|
Beso
|
Добавлено: Чт дек 17, 2009 5:57 pm |
|
 |
| Он знает о машинах все, ex-Модератор. |
 |
Зарегистрирован: Пт ноя 30, 2007 7:08 pm Сообщения: 11065 Откуда: SPb Репутация: 224 [ ? ]
|
Лев писал(а): вместо проводка обычно гнутая отвертка....
Дяденька, везёт тебе на S-моторе... У тебя стартер перед глазами, да ещё и клемма втягивающего доступна "под отвёртку".
ЗЫ: я на зубиле всю жизнь отвёрткой обходился. 
_________________ Не надо верить всякой херне, которая у меня над аватаркой написана.
|
|
| Вернуться к началу |
|
 |
|
Beso
|
Добавлено: Чт дек 17, 2009 6:00 pm |
|
 |
| Он знает о машинах все, ex-Модератор. |
 |
Зарегистрирован: Пт ноя 30, 2007 7:08 pm Сообщения: 11065 Откуда: SPb Репутация: 224 [ ? ]
|
Лев писал(а): обмотка стартера??
Хочешь сказать ,что визжал после запуска не ремень генератора, а не "отстегнувшийся" из-за болезни бендикса или втягивающего стартер? Ну, это вряд ли. Но и в этом случае не сгорает аккум, стартер просто умирает и всё. Лампочки в салоне не перестают работать.
_________________ Не надо верить всякой херне, которая у меня над аватаркой написана.
|
|
| Вернуться к началу |
|
 |
Кто сейчас на конференции |
Сейчас этот форум просматривают: нет зарегистрированных пользователей и гости: 15 |
|
Вы не можете начинать темы Вы не можете отвечать на сообщения Вы не можете редактировать свои сообщения Вы не можете удалять свои сообщения Вы не можете добавлять вложения
|
|