Сообщения без ответов | Активные темы
| Автор |
Сообщение |
|
digimortal
|
Добавлено: Чт июн 30, 2016 3:28 pm |
|
 |
| Заслуженный |
 |
Зарегистрирован: Вт янв 08, 2013 4:55 pm Сообщения: 971 Откуда: Курск Репутация: 18 [ ? ]
Машина: Toyota Carina E Wagon
Год выпуска: 1997
Двигатель: 4A-FE STD
|
|
alexrotor у наших кондейщиков станции в основном заправочные и все. А номеров колечек никто не подскажет? Мне нужны как на шлангах компрессора. В каталоге смотрел, не понял какие надо, так экзист еще и по 450 рублей за штуку какие то предлагал.
_________________ Toyota Corolla VAN (AE109) 1999, 1.6 4A-FE, АКПП 4WD ВАЗ 2190 Lada Granta 2012, АКПП, почти японка  Toyota Carina E Sportswagon (T190) 1997, 1.6 4A-FE LB [ продана]
|
|
| Вернуться к началу |
|
 |
|
alexrotor
|
Добавлено: Чт июн 30, 2016 3:58 pm |
|
 |
| Внесен в большую энциклопедию |
 |
Зарегистрирован: Сб фев 12, 2011 11:09 am Сообщения: 2115 Откуда: Нижегородская область УРЕНЬ Репутация: 78 [ ? ]
Машина: LEXUS GS300
Год выпуска: 2008
Двигатель: 3GRFSE
|
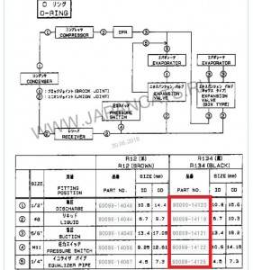
digimortalКакие 450? Вы че ребят, вот я недавно себе брал, весь комплект может в 500 обошелся. одно колечко 30-60 руб стоит ОРИГИНАЛ!! Номера колечек выделил на скрине, кол-во и расположение уж сами поймете 
| Вложения: |

Снимок.JPG [ 129.43 КБ | Просмотров: 16739 ]
|
_________________ 89108943598Я на DRIVE2 
|
|
| Вернуться к началу |
|
 |
|
andy_89
|
Добавлено: Чт июн 30, 2016 4:10 pm |
|
 |
| Стажер |
Зарегистрирован: Пт апр 15, 2016 10:07 am Сообщения: 10 Репутация: 0 [ ? ]
Машина: Toyota Carina E
Год выпуска: 1996
Двигатель: 1.8
|
Народ, так поможет мне кто с кондером разобраться? Кто-нибудь может замерять что должно быть на выходе исправного выключателя по давлению? Какие цепи замкнуты и что изменяется при включении компрессора? Смущает то, что вентилятор у меня запускается и молотит при снятой с датчика фишке, т.е. при разрыве цепи. Подозрительно как-то 
|
|
| Вернуться к началу |
|
 |
|
Алексей60
|
Добавлено: Чт июн 30, 2016 9:49 pm |
|
 |
| Внесен в большую энциклопедию |
 |
Зарегистрирован: Пн окт 06, 2008 11:26 pm Сообщения: 2034 Откуда: ПСКОВ Репутация: 71 [ ? ]
Машина: CALDINA ST191G CZ TYPE
Год выпуска: 1995
Двигатель: 3S-FE
|
digimortal писал(а): Хотя осушитель когда менял, кольца тоже старые остались и все в порядке Просто где засочилось, там побольше брешь образовалась. Было б там плотно, скорей всего начало бы сочиться от осушителя. И не всегда видно визуально, точнее если визуально видно - то это уже дырень. Зачастую уходит фреон незаметно, год, два, три.... (А ведь система должна быть ГЕРМЕТИЧНА! Слово герметично подразумевает ГЕРМЕТИЧНО, а не: " все равно через год-два дозаправлять, кондиционерщик сказал что улетучивается даже на новых..." Да не может ничего улетучиваться в ГЕРМЕТИЧНОЙ системе!!! Однозначно, при малейшем ремонте с разбором, ОБЯЗАТЕЛЬНО ЗАМЕНА всех уплотнительных колечек в месте разбора!!!Ну а где взять, тут уже много написали.
_________________ CALDINA ST191G 95г. 3s-fe У меня очень мягкий характер. Типа накопительной системы скидок...Главное - потом не попасть под раздачу бонусов!
|
|
| Вернуться к началу |
|
 |
|
siam_
|
Добавлено: Чт июн 30, 2016 11:42 pm |
|
 |
| На доске почета |
 |
Зарегистрирован: Пт апр 13, 2012 11:51 am Сообщения: 1244 Откуда: Санкт Петербург Репутация: 19 [ ? ]
Машина: Тойота корона ст190
Год выпуска: 1992
Двигатель: 2с
|
Алексей60 писал(а): система должна быть ГЕРМЕТИЧНА! Слово герметично подразумевает ГЕРМЕТИЧНО Для фреона нет слова герметично. Он испаряется через металл. Это ещё в школе учат.
_________________ Тойота корона 1992г 2С дизель СТ190
|
|
| Вернуться к началу |
|
 |
|
pul752
|
Добавлено: Пт июл 01, 2016 1:40 am |
|
 |
| Внесен в большую энциклопедию |
 |
Зарегистрирован: Сб ноя 09, 2013 10:56 am Сообщения: 2504 Откуда: Воронежская обл., пгт Давыдовка Репутация: 35 [ ? ]
Машина: CALDINA CT190 + CALDINA ST210
Год выпуска: 1995
Двигатель: 2C АКПП (3S АКПП)
|
siam_  Он не испаряется. Эт вода может испариться. У фреона молекулярный обмен. Он летуч. Пару соток молекул оторвал при снятии и установке (яж аккуратно снимал ) и деньги на ветер, плюс озоновый слой разрушил.  . Но это никто не знает.  . Уе...м мы нашу планету своими похотями.  Смысл в чём. Если затеял восстановление системы, то готовь бабосы.
_________________ Олег. "Чудес не бывает. Бывает та или иная степень знания."
Последний раз редактировалось pul752 Пт июл 01, 2016 2:06 am, всего редактировалось 1 раз.
|
|
| Вернуться к началу |
|
 |
|
Azamat_630
|
Добавлено: Пт июл 01, 2016 2:04 am |
|
 |
| Летописец |
 |
Зарегистрирован: Сб мар 07, 2015 10:54 am Сообщения: 4537 Откуда: Адыгея Репутация: 90 [ ? ]
Машина: Toyota Carina E, Cедан,BEMNKW
Год выпуска: 1997
Двигатель: 4A-FE Std,Bosch Motronic
|
siam_ писал(а): Для фреона нет слова герметично. А как же тогда ещё до сих пор работают Советские холодильники "Тамбов"? Если система герметична,т.е замкнута, куда ему,фреону деваться? И как газ может через металл улетучиться? Разве,что место стыковки,завальцовки имеет утечку? ...  Может я чего-то не догоняю, но на холодильниках вроде всё запаяно.
_________________ Судьбы неведомое и загадочное завтра...
|
|
| Вернуться к началу |
|
 |
|
pul752
|
Добавлено: Пт июл 01, 2016 2:14 am |
|
 |
| Внесен в большую энциклопедию |
 |
Зарегистрирован: Сб ноя 09, 2013 10:56 am Сообщения: 2504 Откуда: Воронежская обл., пгт Давыдовка Репутация: 35 [ ? ]
Машина: CALDINA CT190 + CALDINA ST210
Год выпуска: 1995
Двигатель: 2C АКПП (3S АКПП)
|
Хрен его знает почему, но факт. Холодильники на меди, а машины на алюминии. А бытовые на меди.  ,
_________________ Олег. "Чудес не бывает. Бывает та или иная степень знания."
|
|
| Вернуться к началу |
|
 |
|
siam_
|
Добавлено: Пт июл 01, 2016 2:34 am |
|
 |
| На доске почета |
 |
Зарегистрирован: Пт апр 13, 2012 11:51 am Сообщения: 1244 Откуда: Санкт Петербург Репутация: 19 [ ? ]
Машина: Тойота корона ст190
Год выпуска: 1992
Двигатель: 2с
|
pul752Хорошо,пусть улетучивается. Фреон уходит через микропоры,вещь давно известная. Работают конечно,он же не весь улетучивается. Если бы этого не было,то кондеи работали бы вечно С медью легче работать,она более гибкая и варится лучше. Хотя новые холодильники тоже уже давно с алюминием. Да и фреон разный есть. Презерватив тоже пропускает вирус спида  через микропоры,а не по тому что дырявый,тоже факт. У меня карефан холодильщик.
_________________ Тойота корона 1992г 2С дизель СТ190
|
|
| Вернуться к началу |
|
 |
|
андрей софьин
|
Добавлено: Пт июл 01, 2016 8:05 am |
|
 |
| Инструктор |
 |
Зарегистрирован: Чт сен 20, 2012 8:35 am Сообщения: 322 Откуда: Н.Новгород, Линда Репутация: 8 [ ? ]
Машина: caldina191 ниво-зомби
Год выпуска: 1993
Двигатель: 3sfe
|
Цитата: У меня карефан холодильщик. ну, значит, кондей у тебя всегда в рабочем кто менял термоклапан на испарителе? как его поменять?
|
|
| Вернуться к началу |
|
 |
|
pul752
|
Добавлено: Пт июл 01, 2016 8:26 am |
|
 |
| Внесен в большую энциклопедию |
 |
Зарегистрирован: Сб ноя 09, 2013 10:56 am Сообщения: 2504 Откуда: Воронежская обл., пгт Давыдовка Репутация: 35 [ ? ]
Машина: CALDINA CT190 + CALDINA ST210
Год выпуска: 1995
Двигатель: 2C АКПП (3S АКПП)
|
siam_У меня племянник кондейщик, поэтому я микропоры не замечаю. андрей софьинСнимай испаритель.
_________________ Олег. "Чудес не бывает. Бывает та или иная степень знания."
|
|
| Вернуться к началу |
|
 |
|
андрей софьин
|
Добавлено: Пт июл 01, 2016 8:32 am |
|
 |
| Инструктор |
 |
Зарегистрирован: Чт сен 20, 2012 8:35 am Сообщения: 322 Откуда: Н.Новгород, Линда Репутация: 8 [ ? ]
Машина: caldina191 ниво-зомби
Год выпуска: 1993
Двигатель: 3sfe
|
Цитата: Снимай испаритель. есть инструкция? 
|
|
| Вернуться к началу |
|
 |
|
pul752
|
Добавлено: Пт июл 01, 2016 10:16 am |
|
 |
| Внесен в большую энциклопедию |
 |
Зарегистрирован: Сб ноя 09, 2013 10:56 am Сообщения: 2504 Откуда: Воронежская обл., пгт Давыдовка Репутация: 35 [ ? ]
Машина: CALDINA CT190 + CALDINA ST210
Год выпуска: 1995
Двигатель: 2C АКПП (3S АКПП)
|
|
Посмотри в поиске "Чистка испарителя". Был отчёт.
_________________ Олег. "Чудес не бывает. Бывает та или иная степень знания."
Последний раз редактировалось pul752 Пт июл 01, 2016 12:21 pm, всего редактировалось 1 раз.
|
|
| Вернуться к началу |
|
 |
|
Azamat_630
|
Добавлено: Пт июл 01, 2016 10:35 am |
|
 |
| Летописец |
 |
Зарегистрирован: Сб мар 07, 2015 10:54 am Сообщения: 4537 Откуда: Адыгея Репутация: 90 [ ? ]
Машина: Toyota Carina E, Cедан,BEMNKW
Год выпуска: 1997
Двигатель: 4A-FE Std,Bosch Motronic
|
андрей софьин писал(а): есть инструкция? viewtopic.php?f=22&t=3476Только надо хладагент прежде стравить. Придётся снимать парприз. А раз так промой и все воздуховоды. Это того стоит! viewtopic.php?f=22&t=16793
_________________ Судьбы неведомое и загадочное завтра...
|
|
| Вернуться к началу |
|
 |
|
andy_89
|
Добавлено: Пт июл 01, 2016 12:42 pm |
|
 |
| Стажер |
Зарегистрирован: Пт апр 15, 2016 10:07 am Сообщения: 10 Репутация: 0 [ ? ]
Машина: Toyota Carina E
Год выпуска: 1996
Двигатель: 1.8
|
|
Здесь холодильники обсуждают или все-таки помощь по кондиционеру карины окажут?? Есть ли какие аналоги выключатеоя по давлению? А то родной на экзисте сотку зеленых стоит. На разборах найти отдельно латчик почти нереально
|
|
| Вернуться к началу |
|
 |
|
alexrotor
|
Добавлено: Пт июл 01, 2016 12:52 pm |
|
 |
| Внесен в большую энциклопедию |
 |
Зарегистрирован: Сб фев 12, 2011 11:09 am Сообщения: 2115 Откуда: Нижегородская область УРЕНЬ Репутация: 78 [ ? ]
Машина: LEXUS GS300
Год выпуска: 2008
Двигатель: 3GRFSE
|
|
andy_89 А вы бы, уважаемый, указали в профиле место жительства, может в соседнем дворе живет ваша помощь.
_________________ 89108943598Я на DRIVE2 
|
|
| Вернуться к началу |
|
 |
|
Fidel
|
Добавлено: Пт июл 01, 2016 1:04 pm |
|
 |
| Внесен в большую энциклопедию |
 |
Зарегистрирован: Ср фев 25, 2009 9:36 am Сообщения: 2977 Откуда: Краснод. край Репутация: 186 [ ? ]
Машина: Toyota Avensis Liftback 3M3
Год выпуска: 1997
Двигатель: 7A-FE LB, МКПП
|
|
andy_89 Нет, конечно. Все собрались читать за вас инструкции и гадать на кофейной гуще вместо замеров давлений срабатывания контактных пар датчика.
| Вложения: |

2016-07-01_11-58-09.png [ 248.84 КБ | Просмотров: 16610 ]
|

2016-07-01_11-58-31.png [ 195.64 КБ | Просмотров: 16610 ]
|
_________________ Андрей, TOYOTA AVENSIS 97г.в. 7A-FE (LB), КПП мех, Liftback 3M3, LINEA TERRA, теперь с кондиционером. ICQ Нервные клетки не восстанавливаются? Да и хрен с ними - нервные сдохнут, спокойные останутся... ИМХОячу.
|
|
| Вернуться к началу |
|
 |
|
andy_89
|
Добавлено: Пт июл 01, 2016 7:29 pm |
|
 |
| Стажер |
Зарегистрирован: Пт апр 15, 2016 10:07 am Сообщения: 10 Репутация: 0 [ ? ]
Машина: Toyota Carina E
Год выпуска: 1996
Двигатель: 1.8
|
|
Fidel И вот что из этого можно понять???? Что компрессор вырубиться уже при превышении 196 кПа, а вентилятор включается только при превышении 1,52 МЕГАПаскалей (вентилятор включается при отсутствии проводимости)??? Так а что такое давление нагнетет-то если компрессор уде давно не качает??? Объясните мне темному, пожалуйста!!
|
|
| Вернуться к началу |
|
 |
|
Fidel
|
Добавлено: Пт июл 01, 2016 7:39 pm |
|
 |
| Внесен в большую энциклопедию |
 |
Зарегистрирован: Ср фев 25, 2009 9:36 am Сообщения: 2977 Откуда: Краснод. край Репутация: 186 [ ? ]
Машина: Toyota Avensis Liftback 3M3
Год выпуска: 1997
Двигатель: 7A-FE LB, МКПП
|
andy_89 писал(а): И вот что из этого можно понять???? Из этого можно понять, что: Вариант А: если давление в системе находится в диапазоне срабатывания на проводимость контактной пары включения компрессора, а проводимости на контактах нет, то логично предположить, что датчик нужно менять. Вариант Б: давление в системе слишком мало или велико, и датчик вырубил компрессор, выполняя возложенные на него защитные функции. Привести давление в норму. Давление в системе есть даже при неработающем компрессоре, там же легколетучий хладагент с довольно высоким давлением насыщенных паров. Датчик в случае его неисправности стоит поспрашивать у кондиционерщиков. Подозреваю, что датчики с других машин или универсальные не сильно отличаются по принципу действия. Да и разборщики зачастую выбрасывают их вместе с рваными трубками вместе.
_________________ Андрей, TOYOTA AVENSIS 97г.в. 7A-FE (LB), КПП мех, Liftback 3M3, LINEA TERRA, теперь с кондиционером. ICQ Нервные клетки не восстанавливаются? Да и хрен с ними - нервные сдохнут, спокойные останутся... ИМХОячу.
|
|
| Вернуться к началу |
|
 |
|
andy_89
|
Добавлено: Пт июл 01, 2016 8:22 pm |
|
 |
| Стажер |
Зарегистрирован: Пт апр 15, 2016 10:07 am Сообщения: 10 Репутация: 0 [ ? ]
Машина: Toyota Carina E
Год выпуска: 1996
Двигатель: 1.8
|
|
Fidel Спасибо! С эти разобрался! Но все же не великовато ли давление почти в 15 атмосфер для включения карлсона? И получается, что он вместе с компрессором вообще одновресенно работать не может, т.к. тот отключится еще раньше??? Может в букваре ошибка все-таки в цифирках??
|
|
| Вернуться к началу |
|
 |
|
Алексей60
|
Добавлено: Сб июл 02, 2016 12:42 am |
|
 |
| Внесен в большую энциклопедию |
 |
Зарегистрирован: Пн окт 06, 2008 11:26 pm Сообщения: 2034 Откуда: ПСКОВ Репутация: 71 [ ? ]
Машина: CALDINA ST191G CZ TYPE
Год выпуска: 1995
Двигатель: 3S-FE
|
siam_ писал(а): Он испаряется через металл А как его хранят - не задумывался? pul752 писал(а): Хрен его знает почему, но факт. Вот это хорошее объяснение, сразу хочется безоговорочно верить! pul752 писал(а): У меня племянник кондейщик, поэтому я микропоры не замечаю. У дилеров видимо тоже "кондейщики" советуют заправлять раз в год минимум, объясняя, что лужа под авто это и есть фреон вытекший... А теперь по фактам: Работают до сих пор холодильники, как писал кто то выше, и у тещи моей на даче тоже. И нихрена там не испаряется. Работал у меня кондей 5 лет, пока в аварии трубки не перебил, до меня у чела работал и у меня 5 лет. Ничего никуда не испарялось!!! Отремонтировал, перезаправил и.... правильно, колечки то не поменял, а чего их менять, они ж как новые. Результат - через год(привет дилерам и кондейщикам) на замену колечек и перезаправку! И вот следующие 5 лет ничего никуда не уходит. Что я делаю не так? Хватит как бабки размножать сплетни. Есть научно-технические подтверждения - велкам. В остальном включайте разум! А то я щас закину сплетню, что медь в проводке истончается под постоянным воздействием тока и напряжения. Велкам на диагностику толщины проводки и замену. А что, вот и работка подвалила!!! А накачивание колес азотом - ничего не напоминает? А то воздух сквозь резину молекулярно проходит...
_________________ CALDINA ST191G 95г. 3s-fe У меня очень мягкий характер. Типа накопительной системы скидок...Главное - потом не попасть под раздачу бонусов!
|
|
| Вернуться к началу |
|
 |
|
siam_
|
Добавлено: Сб июл 02, 2016 3:57 am |
|
 |
| На доске почета |
 |
Зарегистрирован: Пт апр 13, 2012 11:51 am Сообщения: 1244 Откуда: Санкт Петербург Репутация: 19 [ ? ]
Машина: Тойота корона ст190
Год выпуска: 1992
Двигатель: 2с
|
|
Алексей60 Толщина трубок,и толщина тары,в которой хранят фреон,в разы разная. Фреон уходит,через любые неплотности,микротрещины,поры,и тд. Не надо вот только сказок,как хорошо работают старые холодильники. У авто тоже проблем по уши,тебе повезло,что 5 лет,обычно заправляют каждый год. Новый,он у тебя 5 мин работал,потом час стоял,сейчас он что бы наморозить,час молотит,не задумывался?. В авто надо учитывать,что сама среда агрессивная,вибрация,соли,коррозия,время. Если бы всё так просто было,то холодильники от бытовых,до промышленных,работали вечно,однако это не так. Фреон уйдёт через любую,самую маленькую трещинку,щелку,пору со временем. Так что загадок,тут ни каких нет. Мне это напоминает сегодняшнего клиента,который пришёл,и говорит,что принтер на не оригиналах у него 10 лет работал,а после нас,вообще перестал печатать. А принтеру от силы 3 года,и точно так же про чернила,что они у него 7 лет стоят,хотя срок хранения у них год. И убеждает,что у него до нас всё окей было,вопрос,на фига тогда в сервис пришёл. И не надо сказок рассказывать,по факту всё оказывается не так. Воздух не через резину,а через неплотности проходит. Хотя попробуй шарик надуй,через неделю,он у тебя сдуется. Воздух куда делся?
_________________ Тойота корона 1992г 2С дизель СТ190
|
|
| Вернуться к началу |
|
 |
|
Алексей60
|
Добавлено: Вс июл 03, 2016 11:29 pm |
|
 |
| Внесен в большую энциклопедию |
 |
Зарегистрирован: Пн окт 06, 2008 11:26 pm Сообщения: 2034 Откуда: ПСКОВ Репутация: 71 [ ? ]
Машина: CALDINA ST191G CZ TYPE
Год выпуска: 1995
Двигатель: 3S-FE
|
siam_ писал(а): Фреон уходит,через любые неплотности,микротрещины,поры,и тд. Основное слово здесь неплотности siam_ писал(а): Не надо вот только сказок,как хорошо работают старые холодильники. Вам фото или видео снять? siam_ писал(а): Новый,он у тебя 5 мин работал,потом час стоял,сейчас он что бы наморозить,час молотит,не задумывался?. С чего Вы взяли? Откуда вы вообще знаете как работает моя машина? Ааа, знаю, вы же все знаете, и то, что фреон через металл испаряется... siam_ писал(а): Если бы всё так просто было,то холодильники от бытовых,до промышленных,работали вечно,однако это не так. Конечно сейчас не так, капитализм, деньги зарабатывать надо производителям. Давно известный факт о надежности машин 90х. Точнее последней надежности... А сейчас все "одноразовое", так производителю выгодней. siam_ писал(а): Фреон уйдёт через любую,самую маленькую трещинку,щелку,пору со временем. Да, трещинку, щелку, а это не герметичность! А по поводу клиента, так в данном контексте "не штырит" . Машине у меня, как и у большинства 21год. с
_________________ CALDINA ST191G 95г. 3s-fe У меня очень мягкий характер. Типа накопительной системы скидок...Главное - потом не попасть под раздачу бонусов!
|
|
| Вернуться к началу |
|
 |
|
Алексей60
|
Добавлено: Вс июл 03, 2016 11:29 pm |
|
 |
| Внесен в большую энциклопедию |
 |
Зарегистрирован: Пн окт 06, 2008 11:26 pm Сообщения: 2034 Откуда: ПСКОВ Репутация: 71 [ ? ]
Машина: CALDINA ST191G CZ TYPE
Год выпуска: 1995
Двигатель: 3S-FE
|
siam_ писал(а): Фреон уходит,через любые неплотности,микротрещины,поры,и тд. Основное слово здесь неплотностиsiam_ писал(а): Не надо вот только сказок,как хорошо работают старые холодильники. Вам фото или видео снять? siam_ писал(а): Новый,он у тебя 5 мин работал,потом час стоял,сейчас он что бы наморозить,час молотит,не задумывался?. С чего Вы взяли? Откуда вы вообще знаете как и что работает у меня? И холодильник за столько лет по вашим расчетам вообще бы перестал холодить. Но он работает, как всегда, ни больше ни меньше... siam_ писал(а): Если бы всё так просто было,то холодильники от бытовых,до промышленных,работали вечно,однако это не так. Конечно сейчас не так, капитализм, деньги зарабатывать надо производителям. Давно известный факт о надежности машин 90х. Точнее последней надежности... А сейчас все "одноразовое", так производителю выгодней. siam_ писал(а): Фреон уйдёт через любую,самую маленькую трещинку,щелку,пору со временем. Да, трещинку, щелку, а это не герметичность!А по поводу клиента, так в данном контексте "не штырит" . Машине у меня, как и у большинства 21год. Со всеми вытекающими. И все работает! Кстати, вы наверно тоже утверждать будете, что без ремонта АКПП проходит (км)... Впрочем сами скажите сколько, вы же знаете... Вот интересно, мы знаем, что фреон закачивается вместе с специальным маслом. В месте "бреши" как известно, образуется "масленое потение", что логично. Почему трубки не покрываются "масляным туманом", раз они пропускают? Уж за год то (раз заправлять надо через год) должно быть видно...
_________________ CALDINA ST191G 95г. 3s-fe У меня очень мягкий характер. Типа накопительной системы скидок...Главное - потом не попасть под раздачу бонусов!
|
|
| Вернуться к началу |
|
 |
|
pul752
|
Добавлено: Пн июл 04, 2016 12:50 am |
|
 |
| Внесен в большую энциклопедию |
 |
Зарегистрирован: Сб ноя 09, 2013 10:56 am Сообщения: 2504 Откуда: Воронежская обл., пгт Давыдовка Репутация: 35 [ ? ]
Машина: CALDINA CT190 + CALDINA ST210
Год выпуска: 1995
Двигатель: 2C АКПП (3S АКПП)
|
Алексей60Записки постороннего. По маслу и фреону. Если уже и масло выходит, то фреон уже где-то в озоновом слое находится. Это уже дырка для него. Если бы трубки поялись, как на домашних, то они (к-ры) тоже были вечными. Но это не технологично. Машина - это же не холодильник. Некоторым машинам везёт. Мытые, не битые. У иных по пять раз всё разбирают.  А если б трубки сварные были? 
_________________ Олег. "Чудес не бывает. Бывает та или иная степень знания."
|
|
| Вернуться к началу |
|
 |
Кто сейчас на конференции |
Сейчас этот форум просматривают: нет зарегистрированных пользователей и гости: 32 |
|
Вы не можете начинать темы Вы не можете отвечать на сообщения Вы не можете редактировать свои сообщения Вы не можете удалять свои сообщения Вы не можете добавлять вложения
|
|