Сообщения без ответов | Активные темы
| Автор |
Сообщение |
|
wAnTed
|
Добавлено: Чт май 28, 2015 11:44 pm |
|
 |
| Герой былин народных |
 |
Зарегистрирован: Чт окт 15, 2009 11:14 pm Сообщения: 3581 Откуда: РФ, Северо-Запад, респ. Карелия Репутация: 33 [ ? ]
Машина: Toyota Carina E
Год выпуска: 1997
Двигатель: 7A-FE
|
|
Павел Николаевич откуда течь? если текут сальники вала рейки, то жижа будет в пыльниках скапливаться. Если по корпусу течь, то скорее всего с трубок течь (там медные колечки стоят, может гайки чуть попробовать протянуть, но не переусердствовать, т.к. корпус червяка силумин или сплав какой-то, резьбу сорвать может)
_________________ Артём, Carina E'97 1,8 7A-FE LB вишневый седан 
|
|
| Вернуться к началу |
|
 |
|
Павел Николаевич
|
Добавлено: Пт май 29, 2015 1:21 pm |
|
 |
| Состоявшийся |
Зарегистрирован: Вс ноя 03, 2013 11:49 am Сообщения: 57 Откуда: Воронеж Репутация: 0 [ ? ]
Машина: carina e/sedan
Год выпуска: 1992
Двигатель: 4a-fe std
|
wAnTed писал(а): если текут сальники вала рейки, то жижа будет в пыльниках скапливаться. Если по корпусу течь, то скорее всего с трубок течь (там медные колечки стоят, может гайки чуть попробовать протянуть, но не переусердствовать, т.к. корпус червяка силумин или сплав какой-то, резьбу сорвать может) Весь корпус червяка в масле и все, что под ним: в местах где подходят трубки и выходят шлицы под рулевой карданчик. Заливает всю балку, втулку стабилизатора и левый пыльник. Я хотел узнать откуда течь и посадил человека покрутить руль: визуально течей сверху не наблюдал но под рейкой появляется небольшая лужица. Я вообще не особо понимаю устройство рейки: жидкость циркулирует по всему корпусу рейки или только в корпусе червяка?
|
|
| Вернуться к началу |
|
 |
|
wAnTed
|
Добавлено: Пт май 29, 2015 10:08 pm |
|
 |
| Герой былин народных |
 |
Зарегистрирован: Чт окт 15, 2009 11:14 pm Сообщения: 3581 Откуда: РФ, Северо-Запад, респ. Карелия Репутация: 33 [ ? ]
Машина: Toyota Carina E
Год выпуска: 1997
Двигатель: 7A-FE
|
|
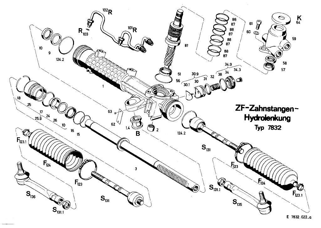
вот рейка ЗФ, наверное сальник червяка протекает, надо перебирать. Если есть грамотный токарь, то перебрать рейку можно за 1 день, ну 2 максимум. Но снимать тяжело.
| Вложения: |

1.JPG [ 144.73 КБ | Просмотров: 12207 ]
|
_________________ Артём, Carina E'97 1,8 7A-FE LB вишневый седан 
|
|
| Вернуться к началу |
|
 |
|
Павел Николаевич
|
Добавлено: Чт июн 04, 2015 2:04 pm |
|
 |
| Состоявшийся |
Зарегистрирован: Вс ноя 03, 2013 11:49 am Сообщения: 57 Откуда: Воронеж Репутация: 0 [ ? ]
Машина: carina e/sedan
Год выпуска: 1992
Двигатель: 4a-fe std
|
wAnTed писал(а): Если есть грамотный токарь, то перебрать рейку можно за 1 день, ну 2 максимум. Но снимать тяжело. спасибо! а токарь зачем? О_О
|
|
| Вернуться к началу |
|
 |
|
old_Duglas
|
Добавлено: Чт июн 04, 2015 2:33 pm |
|
 |
| Герой былин народных |
 |
Зарегистрирован: Вт янв 15, 2008 1:29 am Сообщения: 3162 Откуда: г.Ижевск Репутация: 291 [ ? ]
Машина: TOYOTA Carina E
Год выпуска: 1992
Двигатель: 3S-GTE 4WD
|
|
тачнуть вал и втулки под новую толщину вала, если потребуется.
_________________ СЯО CDC TOYOTA CarinaE GLI; кузов - liftback [LB]; 4AFE-> 4AGE BT-> 3S-GTE; C51(2WD)-> E56F2-05B 4WD!!!; цвет - Rally Red Exterior [3j6]; ABS, TORSEN, ЛЮК, КЛИМАТ. 7/1992год ( одна из первых, Японка из Голландии) logbook D2
|
|
| Вернуться к началу |
|
 |
|
Павел Николаевич
|
Добавлено: Чт июн 04, 2015 2:39 pm |
|
 |
| Состоявшийся |
Зарегистрирован: Вс ноя 03, 2013 11:49 am Сообщения: 57 Откуда: Воронеж Репутация: 0 [ ? ]
Машина: carina e/sedan
Год выпуска: 1992
Двигатель: 4a-fe std
|
old_Duglasа просто резинки и сальники поменять не получится? 
|
|
| Вернуться к началу |
|
 |
|
andrew3232
|
Добавлено: Чт июн 04, 2015 3:19 pm |
|
 |
| Бригадир |
 |
Зарегистрирован: Вт июн 07, 2011 1:59 am Сообщения: 174 Откуда: Одесса-мама Репутация: 6 [ ? ]
Машина: Carina-E, лифтбек, CT190L
Год выпуска: 1997
Двигатель: 2CT
|
Павел Николаевич писал(а): old_Duglasа просто резинки и сальники поменять не получится?  У меня так получилось!  только через 4 месяца опять все потекло, и пришлось делать все "По правильному".
_________________ Toyota Carina-E 1997 2СT Liftback CT109L англичанка.
|
|
| Вернуться к началу |
|
 |
|
Миша18
|
Добавлено: Пт июн 05, 2015 8:08 pm |
|
 |
| Самостоятельный |
 |
Зарегистрирован: Пн янв 30, 2012 4:39 pm Сообщения: 32 Откуда: Комсомольск Репутация: 0 [ ? ]
Машина: Toyota Carina E GLI 2.0 133
Год выпуска: 1992
Двигатель: 3S-FE
|
|
Может кто подскажет, просто читать все 70 страниц..... .Взял рейку под восстановление (вал с одной стороны шлифануть, сальник туда же, ну и втулку соответственно ), на ней написано ZF, но ребрышек как на зф нет, просто стальная труба с середины рейки завальцована к второй половине как на тайоде. В валу рейки тайода по краям есть отверстия для перегона смазки с правого пыльника в левый и наоборот, а на этой их нет, но для этого имеются на резьбе тяг по 3 канавки и отверстие внутри вала от тяги до тяги. Что это за рейка?
|
|
| Вернуться к началу |
|
 |
|
Fidel
|
Добавлено: Сб июн 06, 2015 9:40 am |
|
 |
| Внесен в большую энциклопедию |
 |
Зарегистрирован: Ср фев 25, 2009 9:36 am Сообщения: 2977 Откуда: Краснод. край Репутация: 186 [ ? ]
Машина: Toyota Avensis Liftback 3M3
Год выпуска: 1997
Двигатель: 7A-FE LB, МКПП
|
Миша18Она? 
_________________ Андрей, TOYOTA AVENSIS 97г.в. 7A-FE (LB), КПП мех, Liftback 3M3, LINEA TERRA, теперь с кондиционером. ICQ Нервные клетки не восстанавливаются? Да и хрен с ними - нервные сдохнут, спокойные останутся... ИМХОячу.
|
|
| Вернуться к началу |
|
 |
|
Миша18
|
Добавлено: Сб июн 06, 2015 10:22 am |
|
 |
| Самостоятельный |
 |
Зарегистрирован: Пн янв 30, 2012 4:39 pm Сообщения: 32 Откуда: Комсомольск Репутация: 0 [ ? ]
Машина: Toyota Carina E GLI 2.0 133
Год выпуска: 1992
Двигатель: 3S-FE
|
|
Да один в один. Как на неё тяги подбирать, по фотографиям тяг на экзисте не попадались с канавками.
|
|
| Вернуться к началу |
|
 |
|
BaJIepu
|
Добавлено: Пн июн 15, 2015 8:27 pm |
|
 |
| Стажер |
Зарегистрирован: Чт янв 26, 2012 10:25 pm Сообщения: 10 Репутация: 0 [ ? ]
Машина: Toyota Carina E
Год выпуска: 1996
Двигатель: 4A-FE LB
|
|
Помогите советом, каринку отдал бате ездить, он мне звонит и грит что рулевая рейка накрылась, руль не возвращается назад и приходиться самому рулить обратно, и еще стуки бряки какие то. Он конечно же сначала поехал в ближайший сервис вместо того чтобы мне позвонить. Там ему и приговорили рейку, и сказали что ваш зэтэф не ремонтнопригоден, давайте новую не оригинальную закажем все вместе с работой 27т.р. Ну он и отдал аванс 10ку(( Что-то мне не вериться что рейка не течет и может закусывать, так ли это? Скажите по быстрее пока те барыги в отказ не ушли.
|
|
| Вернуться к началу |
|
 |
|
andrew3232
|
Добавлено: Пн июн 15, 2015 8:51 pm |
|
 |
| Бригадир |
 |
Зарегистрирован: Вт июн 07, 2011 1:59 am Сообщения: 174 Откуда: Одесса-мама Репутация: 6 [ ? ]
Машина: Carina-E, лифтбек, CT190L
Год выпуска: 1997
Двигатель: 2CT
|
|
С нашими ZF-рейками все бывает, и текут и закусывет. Но они в любом случае ремонтопригодны на 100%. Главное чтоб руки у мастеров росли откуда надо. Разводят твоего папу, лучше грамотно восстановить рейку, потому как неоригинальная- это кот в мешке.
_________________ Toyota Carina-E 1997 2СT Liftback CT109L англичанка.
|
|
| Вернуться к началу |
|
 |
|
Dmitry_R
|
Добавлено: Пн июн 15, 2015 9:13 pm |
|
 |
| Главный специалист по FAQ, Модератор |
 |
Зарегистрирован: Вс фев 24, 2008 3:24 pm Сообщения: 7554 Откуда: Украина, Днепропетровская обл. Репутация: 167 [ ? ]
Машина: CarinaE Англ. / Accord TypeR
Год выпуска: 1995
Двигатель: 4A-FE LB С52
|
BaJIepu писал(а): руль не возвращается назад и приходиться самому рулить обратно BaJIepu писал(а): все вместе с работой 27т.р. 2 ставки на то, что предполагается поменять рулевой карданчик за 27к Ну или мастера - олени редкостные (что вряд ли)
_________________ CarinaE 4A-FE LB, седан. + HONDA Accord TypeR_______________________________________________ Кто хочет - ищет способ, кто не хочет - ищет причину.
|
|
| Вернуться к началу |
|
 |
|
BaJIepu
|
Добавлено: Пн июн 15, 2015 9:18 pm |
|
 |
| Стажер |
Зарегистрирован: Чт янв 26, 2012 10:25 pm Сообщения: 10 Репутация: 0 [ ? ]
Машина: Toyota Carina E
Год выпуска: 1996
Двигатель: 4A-FE LB
|
|
не подскажите номер рейки не оригинал? чтобы свериться с ценами сервиса? тоже думается мне что это карданчик наедается((
UPD: сейчас разговаривал с отцом по телефону, говорит что при нем отстегнули тяги и крутили рулем, рейка стучит, мастера приговоририли червяка, типо он уже наелся внутри. Правда нет?
|
|
| Вернуться к началу |
|
 |
|
Zabik
|
Добавлено: Пн июн 15, 2015 11:20 pm |
|
 |
| Инструктор |
 |
Зарегистрирован: Пн янв 06, 2014 2:18 am Сообщения: 267 Откуда: Питер Репутация: 14 [ ? ]
Машина: Toyota Carina E
Год выпуска: 1995
Двигатель: 7A-FE LB
|
BaJIepu писал(а): не подскажите номер рейки не оригинал? чтобы свериться с ценами сервиса? тоже думается мне что это карданчик наедается((
UPD: сейчас разговаривал с отцом по телефону, говорит что при нем отстегнули тяги и крутили рулем, рейка стучит, мастера приговоририли червяка, типо он уже наелся внутри. Правда нет? Какие тяги, че они делают? Мне в двух местах рейку хоронили (первый раз когда яйца менял, второй когда стойки), предлагали правда перебрать с запчастями за 8 т.руб и тоже ZF. Все мне колеса дергали - типа слышишь стучит? Но мы не первую тыщу на этой машине ездим, стучит значит опять карданчику хана, за 270р крестовину купил, поменял за час и не стучит, вот жеж чудеса! Проверьте карданчик - если хоть небольшой люфт есть, то до его замены никаких переборок рейки. Не получится диагностировать ее при люфте карданчика, ну никак! П.С.: Я конечно не знаю что в конструкции рулевого узла каринки не так, но небольшой люфт нижнего карданчика приводит к такому стуку на неровностях и при "псевдо проверки" рейки, что мама не горюй. Да и руль закусывается из-за этого карданчика тоже легко.
_________________ Carina E Liftback 7A-FE 1,8 LB англичанка
|
|
| Вернуться к началу |
|
 |
|
Artem23
|
Добавлено: Пн июн 15, 2015 11:29 pm |
|
 |
| Токарь клуба |
 |
Зарегистрирован: Чт ноя 19, 2009 1:04 am Сообщения: 2682 Откуда: Ковров Репутация: 139 [ ? ]
Машина: toyota carina E
Год выпуска: 1995
Двигатель: 4a-fe не LB
|
Стук в руле это походу сейчас самая популярная тема  , в неделю по несколько сообщений новых от новых людей что стучит рейка типа , они сами вердикт ей вынесли , и ищут б/у рейку . Сначала ведь надо б/у рейку купить и заменить выкинув на это тысяч 15 , а потом все таки сменить эту гребаную крестовинку в карданчике за 300 рублей и радоваться исчезновению стука и люфта в руле
_________________ Сarina E 1995 4A-FE не LB МКПП зеленый седан с ГБО Ася 395650358 , Artem23@bk.ru , 89209131550 ВИДЕООТЧЕТЫ
|
|
| Вернуться к началу |
|
 |
|
Artem23
|
Добавлено: Пн июн 15, 2015 11:43 pm |
|
 |
| Токарь клуба |
 |
Зарегистрирован: Чт ноя 19, 2009 1:04 am Сообщения: 2682 Откуда: Ковров Репутация: 139 [ ? ]
Машина: toyota carina E
Год выпуска: 1995
Двигатель: 4a-fe не LB
|
|
Если у них стучит руль из-за раздолбанного карданчика , так нахрена им ремкомплект рейки ? Это как анекдот : Женщина пришла к хирургу. - Доктор, я упала и теперь болит бок. - Садитесь - отвечает, а сам начинает копаться в инструментах. - Доктор, а что вы собираетесь делать? - Да уши вам отрежу. Женщина шмотки в охапку и ходу из кабинета. Пошла жаловаться к главврачу. - У вас хирург странный, я ему говорю бок болит, а он собрался мне уши отрезать! - А не волнуйтесь, хирурги все ненормальные, как чуть что - сразу резать. Я вам сейчас таблетки выпишу, так уши сами отвалятся.
_________________ Сarina E 1995 4A-FE не LB МКПП зеленый седан с ГБО Ася 395650358 , Artem23@bk.ru , 89209131550 ВИДЕООТЧЕТЫ
|
|
| Вернуться к началу |
|
 |
|
Zabik
|
Добавлено: Вт июн 16, 2015 12:31 am |
|
 |
| Инструктор |
 |
Зарегистрирован: Пн янв 06, 2014 2:18 am Сообщения: 267 Откуда: Питер Репутация: 14 [ ? ]
Машина: Toyota Carina E
Год выпуска: 1995
Двигатель: 7A-FE LB
|
Artem23Просто человек уже 10к залога отдал и ему сказали что рейка зф не ремонтопригодна. Я даюю ссыль на ремкомплект этой рейки - 100% доказательство того, что мастера врут. Значит и про то что рейка накрылась тоже врут. Чистая логика  А так да, уже третьему за неделю наверное объясняем что с 80 процентной вероятностью можно отделаться в сто раз меньшей суммой.
_________________ Carina E Liftback 7A-FE 1,8 LB англичанка
|
|
| Вернуться к началу |
|
 |
|
maksimov.z
|
Добавлено: Ср июн 17, 2015 1:04 pm |
|
 |
| Бригадир |
 |
Зарегистрирован: Вс ноя 20, 2011 1:29 pm Сообщения: 186 Откуда: санкт-петербург__колпино Репутация: 6 [ ? ]
Машина: toyota carina e
Год выпуска: 1997
Двигатель: 7afe LB
|
|
Привет друзья, вчера забрал свою каринку с СТО, заменили английскую рулевую на японскую(б/у),после замены руль в левую сторону крутится легче чем в правую, развал сделан,может они что то не так сделали?особенно явно разница заметна на ходу.
|
|
| Вернуться к началу |
|
 |
|
Zabik
|
Добавлено: Ср июн 17, 2015 2:10 pm |
|
 |
| Инструктор |
 |
Зарегистрирован: Пн янв 06, 2014 2:18 am Сообщения: 267 Откуда: Питер Репутация: 14 [ ? ]
Машина: Toyota Carina E
Год выпуска: 1995
Двигатель: 7A-FE LB
|
|
Рейку не перебирали перед установкой? Вариантнов вижу только 2: 1. Один из сальников рейки пропускает. 2. Карданчик рулевой закусывает. Карданчики кстати одинаковые на эти рейки ставятся? А то может из-за несовместимости такая байда вылезла?
_________________ Carina E Liftback 7A-FE 1,8 LB англичанка
|
|
| Вернуться к началу |
|
 |
|
well
|
Добавлено: Ср июн 17, 2015 3:18 pm |
|
 |
| Человек-легенда |
 |
Зарегистрирован: Ср дек 17, 2008 8:03 am Сообщения: 6559 Откуда: Нижегородская обл.Бор. Репутация: 157 [ ? ]
Машина: Carina E,седан,GLi,цвет 205
Год выпуска: 1993
Двигатель: 3S-FE
|
Artem23 писал(а): Сначала ведь надо б/у рейку купить и заменить выкинув на это тысяч 15 , а потом все таки сменить эту гребаную крестовинку в карданчике за 300 рублей и радоваться исчезновению стука и люфта в руле Так вот "где собака порылась"  Артему + в репу....Оскомину набила эта рулевая рейка...
_________________ была Carina E 94г.англичанка.1.6.STD.GLI..попала в аварию..сейчас JT153STK100015540 двухлитровая 天皇陛下万歳) "Nemo omnia potest scire"
|
|
| Вернуться к началу |
|
 |
|
maksimov.z
|
Добавлено: Ср июн 17, 2015 3:46 pm |
|
 |
| Бригадир |
 |
Зарегистрирован: Вс ноя 20, 2011 1:29 pm Сообщения: 186 Откуда: санкт-петербург__колпино Репутация: 6 [ ? ]
Машина: toyota carina e
Год выпуска: 1997
Двигатель: 7afe LB
|
Zabik писал(а): Рейку не перебирали перед установкой? Вариантнов вижу только 2: 1. Один из сальников рейки пропускает. 2. Карданчик рулевой закусывает. Карданчики кстати одинаковые на эти рейки ставятся? А то может из-за несовместимости такая байда вылезла? Рейку не перебирал, а насчет карданчика не знаю, попробую заменить.
|
|
| Вернуться к началу |
|
 |
|
maksimov.z
|
Добавлено: Ср июн 17, 2015 5:21 pm |
|
 |
| Бригадир |
 |
Зарегистрирован: Вс ноя 20, 2011 1:29 pm Сообщения: 186 Откуда: санкт-петербург__колпино Репутация: 6 [ ? ]
Машина: toyota carina e
Год выпуска: 1997
Двигатель: 7afe LB
|
|
Щас стоя на месте крутил руль туда сюда, разницы не ощутил.значит эта бодяга только на ходу.
|
|
| Вернуться к началу |
|
 |
|
a_berger
|
Добавлено: Пт июн 19, 2015 11:43 pm |
|
 |
| Контролер |
 |
Зарегистрирован: Ср май 07, 2014 1:18 pm Сообщения: 683 Репутация: −7 [ ? ]
Машина: Toyota Carina E
Год выпуска: 1993
Двигатель: 4A-FE LB
|
|
Ребята, а при замене рулевых наконечников, нужно менять рулевые тяги? Там есть какой-нибудь шарнир?
_________________ Toyota Carina E AT190 1995 4A-FE LB MT седан
|
|
| Вернуться к началу |
|
 |
Кто сейчас на конференции |
Сейчас этот форум просматривают: нет зарегистрированных пользователей и гости: 21 |
|
Вы не можете начинать темы Вы не можете отвечать на сообщения Вы не можете редактировать свои сообщения Вы не можете удалять свои сообщения Вы не можете добавлять вложения
|
|