Сообщения без ответов | Активные темы
| Автор |
Сообщение |
|
Aludi
|
Добавлено: Вт фев 26, 2013 10:21 am |
|
 |
| Бригадир |
 |
Зарегистрирован: Чт май 20, 2010 6:28 am Сообщения: 228 Откуда: г. Красноярск Репутация: 13 [ ? ]
Машина: Toyota CarinaE
Год выпуска: 1996
Двигатель: 3SFE
|
Faranos писал(а): Работа у мну такая резисторы подбирать  , номиналы резисторов были подобраны опытным путём и соответствуют оптимальным режимам работы корректора. Ставь и не парься, можешь конечно найти родной регулятор и замерить на нём параметры, но думаю они не сильно будут отличаться. Мне уже тут собряли на родной регулятор одни... Умельцы мля... И как только сигналку ставят такими руками: При вращении крутилки из положения 1 в положение 4 - корректора двигаются на 1 мм. Когда машину отдавали, сказали что на этих фарах сильнее не будет двигаться. Еще съезжу к ним с визитом вежливости... Получается что крутилка не дает нужного перепада сопротивления... Либо диапазон выдаваемых сопротивлений смещен в какую-то сторону... Ну что, каждый водитель должен блин иметь свою цешку в машине, чтобы проверять сервисменов... Я почему написал то: I = V / R. ----> V = I*R. Сигнальное напряжение зависит от силы тока и сопротивления (которое снимаем с крутилки-переменного резистора) В проводке автомобиля и напряжение плавает (от 10 до 14 вольт приблизительно) и сила тока наверное тоже не постоянна? Получается, перед тем как собирать схему с переменным резистором, наверное надо стабилизировать ток? Иначе, если сила тока будет плавать (а сопротивление мы установили в определенное положение), то напряжение, которое приходит на сигнальный контакт - тоже будет плавать... Значит, например, при нажатии на педаль газа (увеличиваются обороты двигателя, генератор больше мотает, больше тока в бортовую сеть) возможно самопроизвольное поднятие фар  ) Наверное, все сто написал в пределах погрешностей?  )
_________________ Седан, 11/1996. 3SFE. Англичанка. ABS. VIN: SB153SBK10E034509. Кондиционер, Задние дисковые тормоза, 2-х диновая магнитолла Я на drom-е: http://www.drive2.ru/r/toyota/453065/
|
|
| Вернуться к началу |
|
 |
|
Алексей60
|
Добавлено: Вт фев 26, 2013 11:00 am |
|
 |
| Внесен в большую энциклопедию |
 |
Зарегистрирован: Пн окт 06, 2008 11:26 pm Сообщения: 2167 Откуда: ПСКОВ Репутация: 71 [ ? ]
Машина: CALDINA ST191G CZ TYPE
Год выпуска: 1995
Двигатель: 3S-FE
|
AludiТы слишком углубился. На схеме, приведенной Lifeyar видно, что никакого стабилизатора нет. Возможно он есть в самих корректорах  Током в данной схеме наверно можно пренебречь, напряжение стабилизировать... ну, возможно(и не сложно), а зачем, если конструкторы рассчитали, что все работает и так? Кто бы точно сказал, какое сопротивление в крутилке 
_________________ CALDINA ST191G 95г. 3s-fe У меня очень мягкий характер. Типа накопительной системы скидок...Главное - потом не попасть под раздачу бонусов!
|
|
| Вернуться к началу |
|
 |
|
SkyRider
|
Добавлено: Вт фев 26, 2013 1:22 pm |
|
 |
| Инструктор |
 |
Зарегистрирован: Ср фев 04, 2009 2:39 am Сообщения: 495 Откуда: Калининград Репутация: 14 [ ? ]
|
Lifeyar писал(а): Если так, хорошо, проверим! Нужно "подружить" систему коррекции с автокорректором. А автокорректор не Hella? с датчиком ультразвуковым? Я так понял, что ты хочешь и автокоррекцию и параллельно вручную подкручивать? Как успехи? Расскажи, а то тоже этим вопросом задаюсь. Как отличить крутилку от трехконтактного корректора и крутилку от 8ми контактного корректора Карины Е? Или они одинаковые?
_________________ Carina E 2.0 GLi (3S-FE), ST191, 04.1993г., седан, 742, англичанка с японской начинкой!
Toyota Harrier 2.2 FOUR S package 4WD, SXU15, 1998г.в., белый дерижабль.
|
|
| Вернуться к началу |
|
 |
|
Aludi
|
Добавлено: Вт фев 26, 2013 2:12 pm |
|
 |
| Бригадир |
 |
Зарегистрирован: Чт май 20, 2010 6:28 am Сообщения: 228 Откуда: г. Красноярск Репутация: 13 [ ? ]
Машина: Toyota CarinaE
Год выпуска: 1996
Двигатель: 3SFE
|
SkyRider писал(а): Как отличить крутилку от трехконтактного корректора и крутилку от 8ми контактного корректора Карины Е? Или они одинаковые? Есть у меня подозрение, что визуально никак не отличишь. Только по количеству контактов на обратной стороне крутилки. И еще такая особенность проводки: Для 3-хконтактных корректоров проводка скорее всего проложена от крутилки до корректоров цельными проводами. И провод который начинается на крутилке - доходит до корректора. Для 8-контактного корректора скорее всего крутилка - это только источник положения, который должен обработаться компьютером (ну условно так назовем эту маленькую коробочку с разъемами). Если корректора на машине никогда не было, то скорее всего и компьютер в машину тоже не ставили. Таким образом провода от крутилки закончатся колодкой разъема гдето в чреве автомобиля, и провода от корректора тоже уйдут внутрь автомобиля х.з.куда, но не будут механически соединены между собой. И искать где там место расположения этой маленькой коробочки - замаешься. А когда найдешь, то надо еще и коробочку найти... И еще наверное сопротивление крутилок тоже должно быть различным.
_________________ Седан, 11/1996. 3SFE. Англичанка. ABS. VIN: SB153SBK10E034509. Кондиционер, Задние дисковые тормоза, 2-х диновая магнитолла Я на drom-е: http://www.drive2.ru/r/toyota/453065/
|
|
| Вернуться к началу |
|
 |
|
Rash
|
Добавлено: Вт фев 26, 2013 2:22 pm |
|
 |
| Его именем пора назвать улицу |
 |
Зарегистрирован: Пт мар 05, 2010 1:27 pm Сообщения: 1824 Откуда: Казахстан Кокшетау Репутация: 78 [ ? ]
Машина: Carina E Wagon, KIA Sportage
Год выпуска: 1995
Двигатель: 4A-FE LB
|
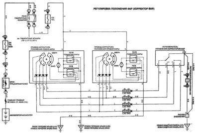
Aludi писал(а): Для 8-контактного корректора скорее всего крутилка - это только источник положения, который должен обработаться компьютером зачем предположения, если есть букварь с принципиальными схемами, никакого "компьютера" там в помине нет Смотри стр. 357 букваря
_________________ Carina E(JT) AT190L-DWMDKW Wagon XLi 03.1995 4A-FE(LB) C52 3j6 ФОТО Продам: правый поворотник оригинал б/у Новые: опоры передних амортизаторов RBI T1310F
|
|
| Вернуться к началу |
|
 |
|
Faranos
|
Добавлено: Вт фев 26, 2013 3:28 pm |
|
 |
| Летописец |
 |
Зарегистрирован: Чт дек 04, 2008 6:46 pm Сообщения: 4434 Откуда: Улан-Удэ Репутация: 250 [ ? ]
Машина: Carina-E->LEXUS
Год выпуска: 2020
Двигатель: 4A>3s>3s-ge beams vvt-i
|
Алексей60 писал(а): он есть в самих корректорах +1 Aludi писал(а): визуально никак не отличишь. Они отличаются визуально. Rash писал(а): зачем предположения, если есть букварь с принципиальными схемами, никакого "компьютера" там в помине нетСмотри стр. 357 букваря +1
_________________ Моя барахолка ..…..............…….. Мы на DRIVE2
|
|
| Вернуться к началу |
|
 |
|
Aludi
|
Добавлено: Ср фев 27, 2013 6:09 am |
|
 |
| Бригадир |
 |
Зарегистрирован: Чт май 20, 2010 6:28 am Сообщения: 228 Откуда: г. Красноярск Репутация: 13 [ ? ]
Машина: Toyota CarinaE
Год выпуска: 1996
Двигатель: 3SFE
|
|
Уважаеме, .... форум для того чтобы делиться информацией, а не для того чтобы пальцы растопыривать. Я написал то что знал, и свои предположения какие были. Были бы фотографии - прикрепил бы и фотографии. Ну может я и не прав был в своих утверждениях... А как выглядит правильный ответ? Если знаете, то почему не приведете более подробную информацию? Если есть утверждение что крутилки отличаются визуально, то в чем вопрос? Фотографии в студию. Количество ног? сопротивление?
Букваря у меня нет, к сожалению. Есть другие 2 книги по КаринеЕ... Поэтому ссылка на номер страницы, из книги, которой у меня нет - мне ни о чем не говорит...
_________________ Седан, 11/1996. 3SFE. Англичанка. ABS. VIN: SB153SBK10E034509. Кондиционер, Задние дисковые тормоза, 2-х диновая магнитолла Я на drom-е: http://www.drive2.ru/r/toyota/453065/
|
|
| Вернуться к началу |
|
 |
|
Rash
|
Добавлено: Ср фев 27, 2013 7:17 am |
|
 |
| Его именем пора назвать улицу |
 |
Зарегистрирован: Пт мар 05, 2010 1:27 pm Сообщения: 1824 Откуда: Казахстан Кокшетау Репутация: 78 [ ? ]
Машина: Carina E Wagon, KIA Sportage
Год выпуска: 1995
Двигатель: 4A-FE LB
|
Aludi писал(а): форум для того чтобы делиться информацией, а не для того чтобы пальцы растопыривать Уважаемый, никто тут пальцы не гнул, и плохими словами тебя не обзывал. У меня тоже букваря нет, но я его с инета скачал давным-давно и пользуюсь, полезная, знаешь-ли штука Aludi писал(а): А как выглядит правильный ответ? Фотографии в студию.
| Вложения: |

схема корректора фар.JPG [ 63.06 КБ | Просмотров: 13873 ]
|
_________________ Carina E(JT) AT190L-DWMDKW Wagon XLi 03.1995 4A-FE(LB) C52 3j6 ФОТО Продам: правый поворотник оригинал б/у Новые: опоры передних амортизаторов RBI T1310F
|
|
| Вернуться к началу |
|
 |
|
Faranos
|
Добавлено: Ср фев 27, 2013 7:33 am |
|
 |
| Летописец |
 |
Зарегистрирован: Чт дек 04, 2008 6:46 pm Сообщения: 4434 Откуда: Улан-Удэ Репутация: 250 [ ? ]
Машина: Carina-E->LEXUS
Год выпуска: 2020
Двигатель: 4A>3s>3s-ge beams vvt-i
|
Уважаемый Aludi Где вы увидели растопыренные пальцы? Что за недовольства? С вами делятся информацией!!!! Вам ответили: Стабилизатор есть в корректорах Кнопки отличаются даже визуально Ни какого компьютеро в помине нет Схема из букваря которого у вас нет находится на первой странице данной темы. Aludi писал(а): Если знаете, то почему не приведете более подробную информацию? Если есть утверждение что крутилки отличаются визуально, то в чем вопрос? Фотографии в студию.Количество ног? сопротивление? Вы разве до этого сообщения об этом просили?? Попахивает требованием...... Я конечно поделюсь информацией, но только потому, что она будет полезна не только вам. Слева на фото переключатель 8-ми контактного корректора, его отличает более грубый дизайн и фиксированные положения от 0 до 3 (при переключении ощущаются характерные щелчки) Справа регулятор 3-х контактного корректора, его отличает более аккуратный дизайн, регулировка плавная от 0 до 3, единственный щелчёк при установке регулятора в нулевое положение, примерные параметры сопротивления при регулировке от 600 до 1700ом
| Вложения: |

IMG_5837.JPG [ 138.47 КБ | Просмотров: 13863 ]
|

IMG_5838.JPG [ 129.16 КБ | Просмотров: 13863 ]
|
_________________ Моя барахолка ..…..............…….. Мы на DRIVE2
|
|
| Вернуться к началу |
|
 |
|
Aludi
|
Добавлено: Ср фев 27, 2013 9:39 am |
|
 |
| Бригадир |
 |
Зарегистрирован: Чт май 20, 2010 6:28 am Сообщения: 228 Откуда: г. Красноярск Репутация: 13 [ ? ]
Машина: Toyota CarinaE
Год выпуска: 1996
Двигатель: 3SFE
|
Информацию искал не я, а SkyRider. Мне она тоже помогла  Rash, Faranos - спасибо за приведенную информацию и картинки 
_________________ Седан, 11/1996. 3SFE. Англичанка. ABS. VIN: SB153SBK10E034509. Кондиционер, Задние дисковые тормоза, 2-х диновая магнитолла Я на drom-е: http://www.drive2.ru/r/toyota/453065/
|
|
| Вернуться к началу |
|
 |
|
Kentavr
|
Добавлено: Чт фев 28, 2013 11:04 am |
|
 |
| Kentavr форума |
 |
Зарегистрирован: Вт май 06, 2008 9:33 pm Сообщения: 6172 Откуда: Москва, ЗАО, Раменки - Мытищи, МО Репутация: 245 [ ? ]
Машина: Carina-E ST191L LIFTBACK
Год выпуска: 1997
Двигатель: 3SFE 2000CC 16-VALVE DOHC EFI
|
| Вложения: |

Korrektor_far_3.jpg [ 106.44 КБ | Просмотров: 13838 ]
|
_________________ Олег Я на drive2.ru ГБО BRC 4-го поколения Вы не любите Тойоту? - Вы просто не умеете ею управлять!
|
|
| Вернуться к началу |
|
 |
|
SkyRider
|
Добавлено: Пт мар 01, 2013 1:36 am |
|
 |
| Инструктор |
 |
Зарегистрирован: Ср фев 04, 2009 2:39 am Сообщения: 495 Откуда: Калининград Репутация: 14 [ ? ]
|
FaranosAludiRashРебят, только не ссорьтесь из-за ерунды:) Огромное спасибо! всем за объяснения и отдельно Faranos за фото крутилок! У меня в запасе от 8 контактного(впрочем такая же как стоит у меня) Я не знал, что они различаются визуально! Можно пожалуйста, если не затруднит Faranos писал(а): примерные параметры сопротивления при регулировке от 600 до 1700ом Точно померить сопротивления мультиметром?
_________________ Carina E 2.0 GLi (3S-FE), ST191, 04.1993г., седан, 742, англичанка с японской начинкой!
Toyota Harrier 2.2 FOUR S package 4WD, SXU15, 1998г.в., белый дерижабль.
|
|
| Вернуться к началу |
|
 |
|
Shtusha
|
Добавлено: Пт мар 01, 2013 3:28 pm |
|
 |
| Инструктор |
 |
Зарегистрирован: Сб мар 03, 2012 9:08 pm Сообщения: 499 Откуда: Санкт-Петербург Репутация: 15 [ ? ]
Машина: Carina E "Пулька"
Год выпуска: 1994
Двигатель: 3S-GE
|
Faranos писал(а): Слева на фото переключатель 8-ми контактного корректора, его отличает более грубый дизайн и фиксированные положения от 0 до 3 (при переключении ощущаются характерные щелчки)
Справа регулятор 3-х контактного корректора, его отличает более аккуратный дизайн, регулировка плавная от 0 до 3, единственный щелчёк при установке регулятора в нулевое положение, примерные параметры сопротивления при регулировке от 600 до 1700ом А можно переключатель трёхконтактного корректора "переколхозить" под 8-миконтактный? Прошу прощения за нубский вопрос - полный лох в электрике! Просто нужно покупать кнопку корректора, а 3-хкнт. нравится больше чем 8-ми конт. Подробных объяснений не нужно, просто - "да", если можно отрезать фишку и прикрутить провода или "нет", если нельзя. А за инфу - спасибо, конечно! Весьма пользительно!
_________________ Былое: Toyota Corona SF 1,8 МТ 1995 зеленая Тоже уже былое: Toyota Carina E 2,0 GTI 1994 "Пулька" черная
|
|
| Вернуться к началу |
|
 |
|
Rash
|
Добавлено: Пт мар 01, 2013 3:34 pm |
|
 |
| Его именем пора назвать улицу |
 |
Зарегистрирован: Пт мар 05, 2010 1:27 pm Сообщения: 1824 Откуда: Казахстан Кокшетау Репутация: 78 [ ? ]
Машина: Carina E Wagon, KIA Sportage
Год выпуска: 1995
Двигатель: 4A-FE LB
|
Shtusha писал(а): А можно переключатель трёхконтактного корректора "переколхозить" под 8-миконтактный? Очевидно нет. Абсолютно разные по принципу действия.
_________________ Carina E(JT) AT190L-DWMDKW Wagon XLi 03.1995 4A-FE(LB) C52 3j6 ФОТО Продам: правый поворотник оригинал б/у Новые: опоры передних амортизаторов RBI T1310F
|
|
| Вернуться к началу |
|
 |
|
Shtusha
|
Добавлено: Пт мар 01, 2013 3:37 pm |
|
 |
| Инструктор |
 |
Зарегистрирован: Сб мар 03, 2012 9:08 pm Сообщения: 499 Откуда: Санкт-Петербург Репутация: 15 [ ? ]
Машина: Carina E "Пулька"
Год выпуска: 1994
Двигатель: 3S-GE
|
Rash писал(а): Очевидно нет. Спасибо! Просто, для меня - не очень очевидно! 
_________________ Былое: Toyota Corona SF 1,8 МТ 1995 зеленая Тоже уже былое: Toyota Carina E 2,0 GTI 1994 "Пулька" черная
|
|
| Вернуться к началу |
|
 |
|
Faranos
|
Добавлено: Пт мар 01, 2013 3:47 pm |
|
 |
| Летописец |
 |
Зарегистрирован: Чт дек 04, 2008 6:46 pm Сообщения: 4434 Откуда: Улан-Удэ Репутация: 250 [ ? ]
Машина: Carina-E->LEXUS
Год выпуска: 2020
Двигатель: 4A>3s>3s-ge beams vvt-i
|
SkyRider писал(а): Ребят, только не ссорьтесь из-за ерунды:) Неее, ни какаих ссор, всё по фэншую SkyRider писал(а): Точно померить сопротивления мультиметром? Можно, но позже всё руки до мультика недойдут, чёт он врёт, вскрывать надо ShtushaРазница в том что один переключатель(кнопка с 4-мя положениями), а другой регулятор(плавно меняет сопротивление)
_________________ Моя барахолка ..…..............…….. Мы на DRIVE2
|
|
| Вернуться к началу |
|
 |
|
Rash
|
Добавлено: Пт мар 01, 2013 3:53 pm |
|
 |
| Его именем пора назвать улицу |
 |
Зарегистрирован: Пт мар 05, 2010 1:27 pm Сообщения: 1824 Откуда: Казахстан Кокшетау Репутация: 78 [ ? ]
Машина: Carina E Wagon, KIA Sportage
Год выпуска: 1995
Двигатель: 4A-FE LB
|
Shtusha писал(а): Просто нужно покупать кнопку корректора, а 3-хкнт. нравится больше чем 8-ми конт. Если у тебя корректор японский на 8 контактов, то он будет работать только с японским же регулятором. Аналогично для бошевского корректора. "Скрестить" яповское и английское не удастся.
_________________ Carina E(JT) AT190L-DWMDKW Wagon XLi 03.1995 4A-FE(LB) C52 3j6 ФОТО Продам: правый поворотник оригинал б/у Новые: опоры передних амортизаторов RBI T1310F
|
|
| Вернуться к началу |
|
 |
|
Shtusha
|
Добавлено: Пт мар 01, 2013 4:00 pm |
|
 |
| Инструктор |
 |
Зарегистрирован: Сб мар 03, 2012 9:08 pm Сообщения: 499 Откуда: Санкт-Петербург Репутация: 15 [ ? ]
Машина: Carina E "Пулька"
Год выпуска: 1994
Двигатель: 3S-GE
|
Faranos писал(а): Разница в том что один переключатель(кнопка с 4-мя положениями), а другой регулятор(плавно меняет сопротивление) Т.е. я так понимаю, в первом случае - "тык" в одно положение, пошел (назову его так) импульс, моторчик "крутнулся" на N-надцать градусов, "тык" второй раз - ещё на столько же, правильно? Добавлено спустя 1 минуту 49 секунд:Rash писал(а): "Скрестить" яповское и английское не удастся. Чет не очень понял - под 8-ми контактный корректор, ещё и не каждая "восьмиконтактная" "крутилка" подойдет, так?
_________________ Былое: Toyota Corona SF 1,8 МТ 1995 зеленая Тоже уже былое: Toyota Carina E 2,0 GTI 1994 "Пулька" черная
|
|
| Вернуться к началу |
|
 |
|
Faranos
|
Добавлено: Пт мар 01, 2013 4:06 pm |
|
 |
| Летописец |
 |
Зарегистрирован: Чт дек 04, 2008 6:46 pm Сообщения: 4434 Откуда: Улан-Удэ Репутация: 250 [ ? ]
Машина: Carina-E->LEXUS
Год выпуска: 2020
Двигатель: 4A>3s>3s-ge beams vvt-i
|
Shtusha писал(а): Т.е. я так понимаю, в первом случае - "тык" в одно положение, пошел (назову его так) импульс, моторчик "крутнулся" на N-надцать градусов, "тык" второй раз - ещё на столько же, правильно? Примерно так Shtusha писал(а): Чет не очень понял - под 8-ми контактный корректор, ещё и не каждая "восьмиконтактная" "крутилка" подойдет, так? Подойдёт, просто Rash не так выразился.
_________________ Моя барахолка ..…..............…….. Мы на DRIVE2
|
|
| Вернуться к началу |
|
 |
|
Shtusha
|
Добавлено: Пт мар 01, 2013 4:07 pm |
|
 |
| Инструктор |
 |
Зарегистрирован: Сб мар 03, 2012 9:08 pm Сообщения: 499 Откуда: Санкт-Петербург Репутация: 15 [ ? ]
Машина: Carina E "Пулька"
Год выпуска: 1994
Двигатель: 3S-GE
|
|
От, спасибо, други!
Просто прикупил фарки Карелло с Прульки с корректорами 8-ми контактными в идеале: крепления целые, корпуса целые, корректоры в порядке, короче - то, что надо. Да ещё и за косарь\шт. Даром что под праворукую, от того и цена! А мне ж под переделку, под линзы. А своих корректоров не было (пред.хоз. ставил что нашел, видимо), но проводка есть и "дырка" в торпеде от "крутилки".
_________________ Былое: Toyota Corona SF 1,8 МТ 1995 зеленая Тоже уже былое: Toyota Carina E 2,0 GTI 1994 "Пулька" черная
Последний раз редактировалось Shtusha Пт мар 01, 2013 4:15 pm, всего редактировалось 1 раз.
|
|
| Вернуться к началу |
|
 |
|
Rash
|
Добавлено: Пт мар 01, 2013 4:13 pm |
|
 |
| Его именем пора назвать улицу |
 |
Зарегистрирован: Пт мар 05, 2010 1:27 pm Сообщения: 1824 Откуда: Казахстан Кокшетау Репутация: 78 [ ? ]
Машина: Carina E Wagon, KIA Sportage
Год выпуска: 1995
Двигатель: 4A-FE LB
|
Shtusha писал(а): Чет не очень понял - под 8-ми контактный корректор, ещё и не каждая "восьмиконтактная" "крутилка" подойдет, так? Если корректор японский, 8-контактный, то работать он будет только с японской же крутилкой (на фото Faranos слева). Это же и касается бошевского корректора. Т.е. японский корректор с бошевской крутилкой ну никак работать не будут. Если же хочешь поменять крутилку на "плавную", английскую, то и корректора придется заменить на 3-контактные бошевские. Все просто. 
_________________ Carina E(JT) AT190L-DWMDKW Wagon XLi 03.1995 4A-FE(LB) C52 3j6 ФОТО Продам: правый поворотник оригинал б/у Новые: опоры передних амортизаторов RBI T1310F
|
|
| Вернуться к началу |
|
 |
|
Shtusha
|
Добавлено: Пт мар 01, 2013 4:18 pm |
|
 |
| Инструктор |
 |
Зарегистрирован: Сб мар 03, 2012 9:08 pm Сообщения: 499 Откуда: Санкт-Петербург Репутация: 15 [ ? ]
Машина: Carina E "Пулька"
Год выпуска: 1994
Двигатель: 3S-GE
|
Rash писал(а): Если же хочешь поменять крутилку на "плавную", английскую, то и корректора придется заменить на 3-контактные бошевские. Фу-ты, блин, напугал - это, то понятно!
_________________ Былое: Toyota Corona SF 1,8 МТ 1995 зеленая Тоже уже былое: Toyota Carina E 2,0 GTI 1994 "Пулька" черная
|
|
| Вернуться к началу |
|
 |
|
Faranos
|
Добавлено: Пт мар 01, 2013 4:33 pm |
|
 |
| Летописец |
 |
Зарегистрирован: Чт дек 04, 2008 6:46 pm Сообщения: 4434 Откуда: Улан-Удэ Репутация: 250 [ ? ]
Машина: Carina-E->LEXUS
Год выпуска: 2020
Двигатель: 4A>3s>3s-ge beams vvt-i
|
Rash писал(а): Т.е. японский корректор с бошевской крутилкой ну никак работать не будут. Вот в этом путаница. Восьми контактный корректор Японский, 3-х контактный коректор BOSH-не японский, но 3-х контактные коректоры есть японские!!! Просто с 96 года и посей день тойота стала применять 3-х контактные корректоры везде и соответственно регуляторы тоже были заменяны. Поэтому регулятор нового типа(назовём его так) к англичанам(тем более к бош) отношение не имеет, а просто используется на автомобиле "нового периода". Наверно нужно объяснить так: 8-и контактный корректор старого образца, будет работать только с регулятором старого образца, совместить старый корректор с регулятором нового типа невозможно.  И ни какой привязки к англии или к японии неупаминать 
_________________ Моя барахолка ..…..............…….. Мы на DRIVE2
|
|
| Вернуться к началу |
|
 |
|
magnumst
|
Добавлено: Сб май 30, 2015 6:17 am |
|
 |
| Бригадир |
 |
Зарегистрирован: Чт янв 29, 2015 9:16 pm Сообщения: 192 Откуда: Тюменская область Репутация: 1 [ ? ]
Машина: Toyota Carina E 1.8 LB
Год выпуска: 1996
Двигатель: 7AFE
|
|
Faranos Привет! А у меня немного другого типа вопрос. У меня в левой фаре стоит корректор с 8 контактами, а провод подходит к ней 3 контактный (понятно что он не работает у меня). Вопрос первый: Нельзя ли подружить эти штекера? Второй: Если я куплю корректор трех-контактный, он по креплению встанет в фару где стоял 8-контактный? Или менять фару придется тоже?
_________________ Toyota Carina E 1996 1.8 LB
|
|
| Вернуться к началу |
|
 |
|
max32
|
Добавлено: Сб май 30, 2015 11:07 am |
|
 |
| Заслуженный |
 |
Зарегистрирован: Ср дек 12, 2012 8:30 pm Сообщения: 923 Откуда: Курск Репутация: 35 [ ? ]
Машина: Кашкай
Год выпуска: 2010
Двигатель: 4a-fe lb с52
|
|
корректор встанет это без разницы ! подружить нельзя там даже кнопка регулировки имеет чуть другую фишку !
_________________ Группа Карина е в контакте) Мой сарай на драйве Тойота Карина Е универсал, 4а-фе была ЛБ стала СТД!, кпп с52, И Китаец Грейт вол сайлор 491, всепогодный танк)
|
|
| Вернуться к началу |
|
 |
Кто сейчас на конференции |
Сейчас этот форум просматривают: нет зарегистрированных пользователей и гости: 1 |
|
Вы не можете начинать темы Вы не можете отвечать на сообщения Вы не можете редактировать свои сообщения Вы не можете удалять свои сообщения Вы не можете добавлять вложения
|
|