Сообщения без ответов | Активные темы
| Автор |
Сообщение |
|
Driver
|
Добавлено: Ср мар 21, 2012 8:42 pm |
|
 |
| На доске почета |
 |
Зарегистрирован: Вс дек 12, 2010 2:14 pm Сообщения: 1229 Откуда: Бердск, Новосибирск Репутация: 47 [ ? ]
Машина: Toyota Carina E
Год выпуска: 1997
Двигатель: 4A-FE
|
|
Ребят, подскажите, забрякали спереди суппорта, проверил - попинал по колесу - металлический стук. Во время неспешной езды по неровностям брякает, тормоз прижмешь - утихает. Я так понимаю это направляшки. Вобщем что нужно приобрести чтобы сделать ревизию обоих суппортов. Ремкомплект 04479-20170 не включает в себя направляшки? Сами направляшки 47715-50010 ? Вобщем чего и сколько, кто уже занимался, подскажите.
_________________ Toyota Carina E, UK, GLi, 1997г.в., 1.6 4A-FE, МКПП, седан, 8H6. Кодовое название "Убийца Крузеров" XD. Моя Карина на Драйв2
|
|
| Вернуться к началу |
|
 |
|
камиль
|
Добавлено: Ср мар 21, 2012 8:57 pm |
|
 |
| Человек-улыбка |
 |
Зарегистрирован: Ср июн 29, 2011 7:19 pm Сообщения: 6734 Откуда: Уолфиш-Бэй.Намибия. Репутация: 208 [ ? ]
Машина: хомяк хыр хыр
Год выпуска: 2002
Двигатель: l13a
|
смотрю видео отчётица нет... надо бы думаю сбацать 
_________________ Выхода нет,только из гроба.Так что не нойте.....
|
|
| Вернуться к началу |
|
 |
|
KDM
|
Добавлено: Ср мар 21, 2012 8:58 pm |
|
 |
| Инструктор |
 |
Зарегистрирован: Вс окт 25, 2009 6:54 am Сообщения: 335 Откуда: Казахстан, Кокшетау Репутация: 4 [ ? ]
Машина: Avensis II
Год выпуска: 2006
Двигатель: 1ZZ-FE
|
Если весь суппорт не хочешь перебирать, а только направляйки, то нужны 4 пыльника, два колпачка на направляйки и смазка. По отдельности можно всё это взять и будет дешевле рем.комплекта: viewtopic.php?f=5&t=393&start=225Может направляющие и не нужны будут после переборки, но конечно можно и поменять - дело хозяйское, так же купив отдельно.
_________________ Avensis II, 1ZZ-FE, темно-серый седан, 2006 г. была: Сarina E 7A-FE LB, сине-зелёный хетчбек, 95 г.
|
|
| Вернуться к началу |
|
 |
|
Торпеда
|
Добавлено: Ср мар 21, 2012 9:04 pm |
|
 |
| Инструктор |
 |
Зарегистрирован: Ср окт 12, 2011 9:20 pm Сообщения: 455 Откуда: Казахстан, Шымкент Репутация: 0 [ ? ]
Машина: Taeta Karina E Седан
Год выпуска: 1995
Двигатель: 4А-FE LB
|
Driver писал(а): Ребят, подскажите, забрякали спереди суппорта, проверил - попинал по колесу - металлический стук. Во время неспешной езды по неровностям брякает, тормоз прижмешь - утихает. Я так понимаю это направляшки. Вобщем что нужно приобрести чтобы сделать ревизию обоих суппортов. Ремкомплект 04479-20170 не включает в себя направляшки? Сами направляшки 47715-50010 ? Вобщем чего и сколько, кто уже занимался, подскажите. У меня таже проблема. Я думаю что это не направляющие.
_________________ Toyota Carina E Седан GLI 16V 1.6, 4A-FE LB, МКПП, ГУР, ABS, SRS, Кондер. 1995г.в. Англичанка Toyota Carina E Седан GLI 16V 2.0, 3S-FE, МКПП, ГУР, ABS. 1993г.в. Японка Продаю GTi спойлер на Карину Е седан и лифтПродаю брызговики "оригинал"
|
|
| Вернуться к началу |
|
 |
|
Driver
|
Добавлено: Ср мар 21, 2012 9:13 pm |
|
 |
| На доске почета |
 |
Зарегистрирован: Вс дек 12, 2010 2:14 pm Сообщения: 1229 Откуда: Бердск, Новосибирск Репутация: 47 [ ? ]
Машина: Toyota Carina E
Год выпуска: 1997
Двигатель: 4A-FE
|
|
KDM Я, если чесно ничего бы не менял, летом надеюсь от ЖТТ поставить тормоза, но сейчас этот стук убивает просто, только яйца сменил, не успел порадовать, новая напасть. Вобщем, чтобы просто перетряхнуть без особых вложений, это: 4 штуки 47769-50010, 4 пыльника 47775-20080 (или 47775-50010) и два пакета смазки для суппортов, ага? Торпеда А что тогда?
_________________ Toyota Carina E, UK, GLi, 1997г.в., 1.6 4A-FE, МКПП, седан, 8H6. Кодовое название "Убийца Крузеров" XD. Моя Карина на Драйв2
|
|
| Вернуться к началу |
|
 |
|
Иван Д
|
Добавлено: Ср мар 21, 2012 9:24 pm |
|
 |
| Инструктор |
 |
Зарегистрирован: Вт фев 17, 2009 12:41 pm Сообщения: 475 Откуда: Краснотурьинск Свердловская обл. Репутация: 4 [ ? ]
|
Driver писал(а): Вобщем, чтобы просто перетряхнуть без особых вложений, это: 4 штуки 47769-50010, 4 пыльника 47775-20080 (или 47775-50010) и два пакета смазки для суппортов Я на свою заказывал оригинал: направляшки 47715-50030 и пыльники 47775-50010, + смазка для суппортов. Стуков - бряков больше нет  .
_________________ Было - Toyota Carina E, 3S-FE, АКПП-А241Е, седан, вишня, 1995, англичанка Сейчас - Toyota Camry, ACV40, 2AZ-FE, АКПП, красный, 2007, японка; Mitsubishi L200, super select, 2007; УАЗ-452. 
|
|
| Вернуться к началу |
|
 |
|
Ash
|
Добавлено: Ср мар 21, 2012 10:18 pm |
|
 |
| Реставратор ведерка |
 |
Зарегистрирован: Ср апр 08, 2009 1:15 pm Сообщения: 3935 Откуда: |48| Репутация: 156 [ ? ]
Машина: Carina E
Год выпуска: 1994
Двигатель: 3S-GE gen.4 Beams RT (ST202MT)
|
DriverГромыхать могут сами скобы. Лечится вытачиванием направляющих нужного диаметра, чтобы не тратить деньги на скобу 
_________________ У тойот 90-х нет года выпуска. Есть состояние. Бортовой журнал. drive2Установка би-линз в фарыВедерки в хозяйстве: Toyota Isis Platana 1ZZ-FE A/T, Toyota Carina E LEGO 3S-GE Beams RedTop М/T, Nissan X-Trail T31 MR20DE CVT, Land Cruiser Prado KZJ95 1KZ-TE A/T
|
|
| Вернуться к началу |
|
 |
|
Driver
|
Добавлено: Ср мар 21, 2012 10:26 pm |
|
 |
| На доске почета |
 |
Зарегистрирован: Вс дек 12, 2010 2:14 pm Сообщения: 1229 Откуда: Бердск, Новосибирск Репутация: 47 [ ? ]
Машина: Toyota Carina E
Год выпуска: 1997
Двигатель: 4A-FE
|
AshЯ бы лучше набил туда смазки и пусть тормозит до лета  Лишь бы не брякало.
_________________ Toyota Carina E, UK, GLi, 1997г.в., 1.6 4A-FE, МКПП, седан, 8H6. Кодовое название "Убийца Крузеров" XD. Моя Карина на Драйв2
|
|
| Вернуться к началу |
|
 |
|
KDM
|
Добавлено: Чт мар 22, 2012 8:45 am |
|
 |
| Инструктор |
 |
Зарегистрирован: Вс окт 25, 2009 6:54 am Сообщения: 335 Откуда: Казахстан, Кокшетау Репутация: 4 [ ? ]
Машина: Avensis II
Год выпуска: 2006
Двигатель: 1ZZ-FE
|
Driver писал(а): 4 штуки 47769-50010, 4 пыльника 47775-20080 (или 47775-50010) и два пакета смазки для суппортов, ага? Я себе брал: 1. 47769-50010 Колпачок тормозного суппорта Toyota - 2шт. 2. 47775-20080 Пыльник направляющей суппорта - 4шт. 3. 83 19 2 158 851 Паста смазочная тормозных колодок - 2 шт., но истратил реально только один пакетик
_________________ Avensis II, 1ZZ-FE, темно-серый седан, 2006 г. была: Сarina E 7A-FE LB, сине-зелёный хетчбек, 95 г.
|
|
| Вернуться к началу |
|
 |
|
Торпеда
|
Добавлено: Чт мар 22, 2012 12:26 pm |
|
 |
| Инструктор |
 |
Зарегистрирован: Ср окт 12, 2011 9:20 pm Сообщения: 455 Откуда: Казахстан, Шымкент Репутация: 0 [ ? ]
Машина: Taeta Karina E Седан
Год выпуска: 1995
Двигатель: 4А-FE LB
|
|
[quote="KDM"][/quote] Помогло?
Добавлено спустя 59 секунд: Driver Может быть что сама эта дырка заелась где стоят направляющие.
_________________ Toyota Carina E Седан GLI 16V 1.6, 4A-FE LB, МКПП, ГУР, ABS, SRS, Кондер. 1995г.в. Англичанка Toyota Carina E Седан GLI 16V 2.0, 3S-FE, МКПП, ГУР, ABS. 1993г.в. Японка Продаю GTi спойлер на Карину Е седан и лифтПродаю брызговики "оригинал"
|
|
| Вернуться к началу |
|
 |
|
Константин
|
Добавлено: Ср апр 04, 2012 2:28 pm |
|
 |
| Состоявшийся |
 |
Зарегистрирован: Ср апр 15, 2009 12:46 pm Сообщения: 58 Откуда: Санкт-Петербург. Репутация: 0 [ ? ]
Машина: Carina e, altezza, avensis
Год выпуска: 1996
Двигатель: 1.6 2.0 2.0
|
Подскажите решение проблемы кто сталкивался.Замена, ремонт, ремкоплект или Б\у замена? Менял направляющие непомогло. 
_________________ у меня carina e 96 год лифтбэк серебристый металл 4afe.

|
|
| Вернуться к началу |
|
 |
|
Bets
|
Добавлено: Ср апр 04, 2012 2:32 pm |
|
 |
| Инструктор |
 |
Зарегистрирован: Ср авг 06, 2008 11:24 pm Сообщения: 480 Откуда: из Питера Репутация: 20 [ ? ]
Машина: Carina E 4wd
Год выпуска: 1993
Двигатель: 3S-GTE
|
|
у меня была подобная проблема долго не мог понять откуда громыхпет оказалось резинки на направляшках... там колечки резиновые небольшие, в р/к только одно было второе сам вырезал из ненужного шланчика... но вроде резиновое кольцо должно быть только на одной направляшке, там даже пазик есть...
_________________ Carina E GTT liftback (4wd 3S-GTE) `93
|
|
| Вернуться к началу |
|
 |
|
Potatos
|
Добавлено: Ср апр 04, 2012 3:12 pm |
|
 |
| Контролер |
 |
Зарегистрирован: Чт апр 14, 2011 11:17 am Сообщения: 571 Откуда: Москва-Мытищи Репутация: 8 [ ? ]
|
Смазку надо поменять Набей чуть больше) и резиновые колечки купить и поставить новые на направляющие суппорта, с каждой стороны по одному такомц колечку, надевается на паз в направляющей. И будет тишина 
_________________ Камри SXV20 2.2, Камри ACV30 2.4
|
|
| Вернуться к началу |
|
 |
|
Александр74
|
Добавлено: Ср апр 04, 2012 3:25 pm |
|
 |
| На доске почета |
 |
Зарегистрирован: Чт янв 21, 2010 9:58 am Сообщения: 1025 Откуда: г. Миасс, Челябинская обл. Репутация: 24 [ ? ]
Машина: Avensis T22
Год выпуска: 2001
Двигатель: 3S-GE BEAMS
|
|
Добавлю - на нижнюю направляющую.
|
|
| Вернуться к началу |
|
 |
|
Chekist
|
Добавлено: Ср апр 04, 2012 3:35 pm |
|
 |
| Заслуженный |
Зарегистрирован: Вт янв 11, 2011 11:35 am Сообщения: 836 Откуда: Колпино Репутация: 16 [ ? ]
Машина: CARINA Е, АТ190, лифтбек,англ.
Год выпуска: 1994
Двигатель: 4A-FE (не LB) Bosch Motronic
|
КонстантинPotatos писал(а): Смазку надо поменять http://www.carina-e.ru/viewtopic.php?t=454Здесь про смазку почитай. У самого такая же беда с суппортами. Купил рем комплект, смазку, направляющие, теперь жду стойки стаба от Mr_Nukе и за раз все заменю
_________________ Александр. CARINA Е, АТ190, 4А-FE (не LB) Bosch Motronic , C52, лифтбек, англичанка, 1994
|
|
| Вернуться к началу |
|
 |
|
Торпеда
|
Добавлено: Чт апр 12, 2012 9:40 pm |
|
 |
| Инструктор |
 |
Зарегистрирован: Ср окт 12, 2011 9:20 pm Сообщения: 455 Откуда: Казахстан, Шымкент Репутация: 0 [ ? ]
Машина: Taeta Karina E Седан
Год выпуска: 1995
Двигатель: 4А-FE LB
|
У меня уже давно забрякали суппорта, причем очень сильно. Сегодня нашел время и устранил эти неполадки. Я там заколхозил, ничего не менял. Разобрал направляющие оказывается там почти сухо и на нижних направляющих в одном не было резиновой шайбы, а на другом порвана. Взял шланг засунул на направляющие отрезал эту маленькую часть по шайбу, все смазал и еще с двух сторон колодок под размер колодок вырезал баклашку  это на всякий случай чтоб не было звуков метал. Все закрепил обратно. Работает на ура 
_________________ Toyota Carina E Седан GLI 16V 1.6, 4A-FE LB, МКПП, ГУР, ABS, SRS, Кондер. 1995г.в. Англичанка Toyota Carina E Седан GLI 16V 2.0, 3S-FE, МКПП, ГУР, ABS. 1993г.в. Японка Продаю GTi спойлер на Карину Е седан и лифтПродаю брызговики "оригинал"
|
|
| Вернуться к началу |
|
 |
|
камиль
|
Добавлено: Пн май 21, 2012 8:45 pm |
|
 |
| Человек-улыбка |
 |
Зарегистрирован: Ср июн 29, 2011 7:19 pm Сообщения: 6734 Откуда: Уолфиш-Бэй.Намибия. Репутация: 208 [ ? ]
Машина: хомяк хыр хыр
Год выпуска: 2002
Двигатель: l13a
|
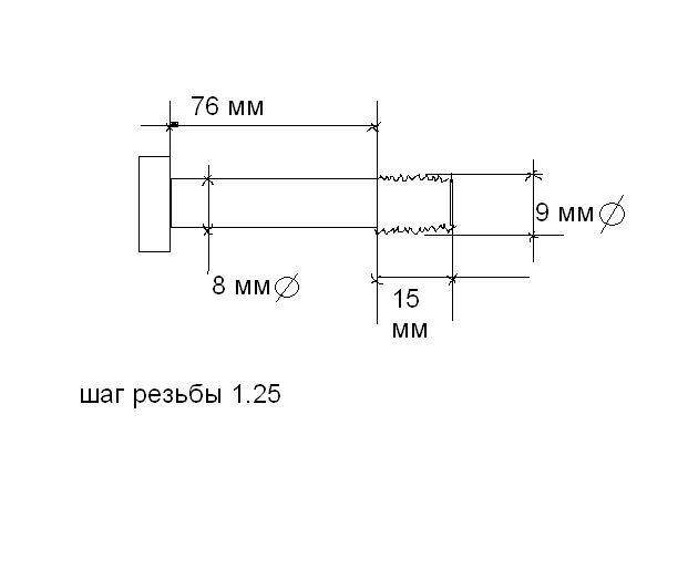
два дня езжу.жму на тормоз и прихожу в ужас-очень сильное биение в левом переднем колесе...очень сильное. вчера остановился посмотреть-гляжу....ага.на диске затир,при чём не хилый затир.вывод-суппорт у меня гуляет. сегодня взвесил свой бамболби,скинул колесо и верхний болт,который крепит суппорт-ОТСУТСТВУЕТ!он походу раскрутился и вылетел нафик. ладно....короче.беру штанген циркуль мерию....да.резьба М9....курю и думаю,в наших тазовских магазинах такого болтика мне не найти.....есть либо на 8 либо на 10... но всё равно погнал искать.в итоге не нашёл...на местной разборке тоже был-там тоже ёк. есть знакомый токарь. вот посидел подумал "а чего ждать несколько дней?счас ему чертёж состряпаю и завтра к нему повалю" чертёж ниже. поправьте,если я в замерах ошибся... может кому то и неинтересны мои доводы.. но зачем идти в магаз,платить 30 рублей и ждать три дня...а в моём регионе скорее всего один такой болт выльется в 60 рубчиков и ждать минимум три дня....а на 100 рублей у токаря я десять таких накручу... вообщем для тех у кого есть знакомый токарь эта схема и мои мысли. 
| Вложения: |
Комментарий к файлу: схема болта

болт.JPG [ 16.55 КБ | Просмотров: 10195 ]
|
_________________ Выхода нет,только из гроба.Так что не нойте.....
|
|
| Вернуться к началу |
|
 |
|
MerTV
|
Добавлено: Пн май 21, 2012 10:04 pm |
|
 |
| У него свой шкафчик в раздевалке |
 |
Зарегистрирован: Ср июл 16, 2008 9:35 am Сообщения: 7416 Откуда: Нижний Новгород Репутация: 358 [ ? ]
Машина: Тойота Ками. Мелкий проходимец
Год выпуска: 1999
Двигатель: Контрактный
|
|
камиль выкрути второй болт и отдай токарю,не надо никаких чертежей. Зачем так все усложнять?
_________________ Ремонт ДВС японских и корейских автомобилей SWAP-сервис в Нижнем Новгороде
|
|
| Вернуться к началу |
|
 |
|
камиль
|
Добавлено: Пн май 21, 2012 10:10 pm |
|
 |
| Человек-улыбка |
 |
Зарегистрирован: Ср июн 29, 2011 7:19 pm Сообщения: 6734 Откуда: Уолфиш-Бэй.Намибия. Репутация: 208 [ ? ]
Машина: хомяк хыр хыр
Год выпуска: 2002
Двигатель: l13a
|
Серж у меня же на суппорте два болта-верхний,который проеба...ся по дороге-ДЛИНЕЕ,ЧЕМ НИЖНИЙ. к нему Лучше с рисунком топать....ну а короткий болт я конечно же возьму... 
_________________ Выхода нет,только из гроба.Так что не нойте.....
|
|
| Вернуться к началу |
|
 |
|
VeyroN
|
Добавлено: Пн май 21, 2012 10:55 pm |
|
 |
| На доске почета |
 |
Зарегистрирован: Сб фев 02, 2008 5:55 am Сообщения: 1124 Откуда: Москва, Солнцево Репутация: 5 [ ? ]
Машина: Mercedes-Benz W212 E400
Год выпуска: 2014
Двигатель: M276 Bi-turbo
|
Ну ты бы выкрутил с противоположного суппорта болт, и усё 
_________________ Carina E 4a-fe LB. GLi Liftback. 94г. - продана. Nissan Primera P12 2007г. - продана Nissan X-trail T31 2011г- продан Mercedes-Benz W203 C200 Kompressor 2006г. - продана Honda Accord 7 2.4 - продан Mercedes-Benz W212 E400 3L Bi-turbo
|
|
| Вернуться к началу |
|
 |
|
камиль
|
Добавлено: Пн май 21, 2012 11:22 pm |
|
 |
| Человек-улыбка |
 |
Зарегистрирован: Ср июн 29, 2011 7:19 pm Сообщения: 6734 Откуда: Уолфиш-Бэй.Намибия. Репутация: 208 [ ? ]
Машина: хомяк хыр хыр
Год выпуска: 2002
Двигатель: l13a
|
|
а там колхоз от предыдущего хозяина... он видимо тоже ходил к токарю... но резьбы слишком мала проточенно.закручивается только только!!!!!!! поэтому завтра попробую более менее по нормальному сделать.
_________________ Выхода нет,только из гроба.Так что не нойте.....
|
|
| Вернуться к началу |
|
 |
|
MerTV
|
Добавлено: Пн май 21, 2012 11:40 pm |
|
 |
| У него свой шкафчик в раздевалке |
 |
Зарегистрирован: Ср июл 16, 2008 9:35 am Сообщения: 7416 Откуда: Нижний Новгород Репутация: 358 [ ? ]
Машина: Тойота Ками. Мелкий проходимец
Год выпуска: 1999
Двигатель: Контрактный
|
|
камиль даже по каталогам болты одинаковые,верхний и нижний... Такой бьется: 90105-08164 Это болт 8мм с шагом 1.00,длина 23мм
_________________ Ремонт ДВС японских и корейских автомобилей SWAP-сервис в Нижнем Новгороде
|
|
| Вернуться к началу |
|
 |
|
Dmitry_R
|
Добавлено: Пн май 21, 2012 11:47 pm |
|
 |
| Главный специалист по FAQ, Модератор |
 |
Зарегистрирован: Вс фев 24, 2008 3:24 pm Сообщения: 7554 Откуда: Украина, Днепропетровская обл. Репутация: 167 [ ? ]
Машина: CarinaE Англ. / Accord TypeR
Год выпуска: 1995
Двигатель: 4A-FE LB С52
|
21 янв 2012 Торпеда писал(а): Все собрал, прокачал оба передних тормоза. Пока все хорошо. 12 апр 2012 Торпеда писал(а): У меня уже давно забрякали суппорта, причем очень сильно. Сегодня нашел время и устранил эти неполадки. Я там заколхозил, ничего не менял. Разобрал направляющие оказывается там почти сухо "Крутая" у тебя была смазка, "долго" продержалась 
_________________ CarinaE 4A-FE LB, седан. + HONDA Accord TypeR_______________________________________________ Кто хочет - ищет способ, кто не хочет - ищет причину.
|
|
| Вернуться к началу |
|
 |
|
камиль
|
Добавлено: Пн май 21, 2012 11:51 pm |
|
 |
| Человек-улыбка |
 |
Зарегистрирован: Ср июн 29, 2011 7:19 pm Сообщения: 6734 Откуда: Уолфиш-Бэй.Намибия. Репутация: 208 [ ? ]
Машина: хомяк хыр хыр
Год выпуска: 2002
Двигатель: l13a
|
Сергей у меня верхний болт длинее,чем нижний! ну что ты заладил то)я знаю что бьётся...но по факту у меня всё по другому.у меня нижние направляки короче чем верхние. короче у меня согласно схеме,которую я нарисовал выше Добавлено спустя 2 минуты 13 секунд:Сергей беру штанген циркуль.мерию часть болт который без резьбы-8 мм,затем мерию часть болта на которой резьба-9 мм показывает. вот хочешь верь хочешь нет хоть вот так  и руки не кривые.два продавца мерили и все тупо на меня потом смотрели. у меня не машина,а загадка. Добавлено спустя 36 секунд:и дома лежала шпилька на 8-пытаюсь вкрутить,а она пролетает... вот так Добавлено спустя 1 минуту 41 секунду:и шаг резьбы я промерил специальным щупом,точнее там набор,подобрал пластинку,которая хубчиками легла один в один в резьбу,а выбито на ней было-1.25,напишу прописными-одна целая двадцать пять сотых. Добавлено спустя 27 минут 9 секунд:Сергей смотри Добавлено спустя 1 минуту 13 секунд:на фото видно что нижняя часть суппорта,куда втыкается направляйка-меньше чем сверху...
| Вложения: |

DSC08787_thumb.jpg [ 46.34 КБ | Просмотров: 10120 ]
|

DSC08791_thumb.jpg [ 66.67 КБ | Просмотров: 10120 ]
|
_________________ Выхода нет,только из гроба.Так что не нойте.....
|
|
| Вернуться к началу |
|
 |
|
MerTV
|
Добавлено: Вт май 22, 2012 12:30 am |
|
 |
| У него свой шкафчик в раздевалке |
 |
Зарегистрирован: Ср июл 16, 2008 9:35 am Сообщения: 7416 Откуда: Нижний Новгород Репутация: 358 [ ? ]
Машина: Тойота Ками. Мелкий проходимец
Год выпуска: 1999
Двигатель: Контрактный
|
|
камиль,тебе кто-то Королловские суппорта впендюрил....
_________________ Ремонт ДВС японских и корейских автомобилей SWAP-сервис в Нижнем Новгороде
|
|
| Вернуться к началу |
|
 |
Кто сейчас на конференции |
Сейчас этот форум просматривают: нет зарегистрированных пользователей и гости: 1 |
|
Вы не можете начинать темы Вы не можете отвечать на сообщения Вы не можете редактировать свои сообщения Вы не можете удалять свои сообщения Вы не можете добавлять вложения
|
|