Сообщения без ответов | Активные темы
|
Страница 1 из 1
|
[ Сообщений: 19 ] |
|
| Автор |
Сообщение |
|
maximax34
|
Добавлено: Пн ноя 14, 2011 6:18 pm |
|
 |
| Стажер |
 |
Зарегистрирован: Вс июн 05, 2011 10:02 am Сообщения: 13 Откуда: Россия Волгоград Репутация: 0 [ ? ]
|
Здравствуйте, уважаемые каринаводы. Давно читаю этот форум, почерпнул много полезного для себя и своей машины. Надеюсь на вашу помощь. Проблема в следующем; сегодня заглушил машину, вышел и решил заглянуть под капот для считывания ошибок, т.к. загоралась пару раз ошибка двигателя. Пока собирался поставить мычку услышал как сработало какое то реле и загудел моторчик печки. Заглянул на панель приборов, оно работало, светятся лампочки экономайзера (зеленая), давления масла, ручник (т.к. он поднят) и уровень тормозной жижи. Не горят правда аккумулятор и "смени двигатель"? Ключи от замка зажигания в кармане! Разъём от замка зажигания отсоединял, сигнализацию с авто запуском то-же. Отсоединял все возможные реле. Прыгал с бубном, звонил разным шаманам, все бес толку... Замерз, отсоединил клему на АКБ,... как не странно,  но лампочки потухли, иначе я бы сошел с ума Пока мыслей куда копать у меня нет, хочу поесть после работы. Так что помогайте своими советами, пожалуйста.
_________________ 4A-FE МКПП Красный седан февраль 1994 г.в. Англичанка(SB). кондея нет
|
|
| Вернуться к началу |
|
 |
|
Lifeyar
|
Добавлено: Пн ноя 14, 2011 6:25 pm |
|
 |
| На доске почета |
 |
Зарегистрирован: Чт сен 09, 2010 6:21 pm Сообщения: 1266 Откуда: Ярославль Репутация: 75 [ ? ]
Машина: Honda CR-V RD1
Год выпуска: 2000
Двигатель: B20Z2
|
|
maximax34 К гадалке не ходи сигналка.
|
|
| Вернуться к началу |
|
 |
|
maximax34
|
Добавлено: Пн ноя 14, 2011 6:34 pm |
|
 |
| Стажер |
 |
Зарегистрирован: Вс июн 05, 2011 10:02 am Сообщения: 13 Откуда: Россия Волгоград Репутация: 0 [ ? ]
|
|
Сигналку откидывал (снимал предохранители, откидывал управляющие провода) . При включение автозапуска с сигнализации, горят все приборы, а в моем случае не горит акб и уровень тормозухи.
_________________ 4A-FE МКПП Красный седан февраль 1994 г.в. Англичанка(SB). кондея нет
|
|
| Вернуться к началу |
|
 |
|
Kentavr
|
Добавлено: Пн ноя 14, 2011 7:26 pm |
|
 |
| Kentavr форума |
 |
Зарегистрирован: Вт май 06, 2008 9:33 pm Сообщения: 6117 Откуда: Москва, ЗАО, Раменки - Мытищи, МО Репутация: 245 [ ? ]
Машина: Carina-E ST191L LIFTBACK
Год выпуска: 1997
Двигатель: 3SFE 2000CC 16-VALVE DOHC EFI
|
|
если повторится нажми на педаль тормоза... у меня такое пару раз было. прихожу к машине - вся приборка светится, на педаль наступаешь, щелчок и все нормально...
_________________ Олег Я на drive2.ru ГБО BRC 4-го поколения Вы не любите Тойоту? - Вы просто не умеете ею управлять!
|
|
| Вернуться к началу |
|
 |
|
maximax34
|
Добавлено: Пн ноя 14, 2011 7:34 pm |
|
 |
| Стажер |
 |
Зарегистрирован: Вс июн 05, 2011 10:02 am Сообщения: 13 Откуда: Россия Волгоград Репутация: 0 [ ? ]
|
|
Повторится как подсоединю клему к акб. Попробую обязательно, но слабо верю в это, т.к. не вижу закономерности.
_________________ 4A-FE МКПП Красный седан февраль 1994 г.в. Англичанка(SB). кондея нет
|
|
| Вернуться к началу |
|
 |
|
Lifeyar
|
Добавлено: Пн ноя 14, 2011 7:37 pm |
|
 |
| На доске почета |
 |
Зарегистрирован: Чт сен 09, 2010 6:21 pm Сообщения: 1266 Откуда: Ярославль Репутация: 75 [ ? ]
Машина: Honda CR-V RD1
Год выпуска: 2000
Двигатель: B20Z2
|
|
maximax34 У нас 2 провода зажигания, IGN1, IGN2, так вот, при подаче напряжения только на один из них,какой точно не помню, не будет гореть зарядка и воскл. знак. Убедился в этом, когда сигналку ставил.
|
|
| Вернуться к началу |
|
 |
|
maximax34
|
Добавлено: Пн ноя 14, 2011 7:44 pm |
|
 |
| Стажер |
 |
Зарегистрирован: Вс июн 05, 2011 10:02 am Сообщения: 13 Откуда: Россия Волгоград Репутация: 0 [ ? ]
|
|
Все верно, вот на одном из них, при разъеденном разъеме замка зажигания и висит "+". Откуда он там берется,пока не пойму, такое ощущение ,что залипло какое то реле или где то провода коротнули. сИЖУ ИЗУЧАЮ СХЕМЫ...
_________________ 4A-FE МКПП Красный седан февраль 1994 г.в. Англичанка(SB). кондея нет
|
|
| Вернуться к началу |
|
 |
|
SaiD
|
Добавлено: Пн ноя 14, 2011 8:44 pm |
|
 |
| Человек-легенда |
 |
Зарегистрирован: Вт июл 20, 2010 1:32 am Сообщения: 5758 Откуда: г.Вятка (в миру Киров) Репутация: 95 [ ? ]
Машина: Corona AT170 (зубатка) 1,5 АКП
Год выпуска: 1990
Двигатель: 5А-FE
|
|
У сигналки фишку с толстыми силовыми проводами или 30 Амперный пред отцеплял?
_________________ Саня. Осень. Доживем-ли, долетим-ли до ответа, что-же будет с РОДИНОЙ и с нами (с Юрий Шевчук ДДТ)
|
|
| Вернуться к началу |
|
 |
|
maximax34
|
Добавлено: Пн ноя 14, 2011 9:36 pm |
|
 |
| Стажер |
 |
Зарегистрирован: Вс июн 05, 2011 10:02 am Сообщения: 13 Откуда: Россия Волгоград Репутация: 0 [ ? ]
|
|
Конечно отцеплял и мультитестором мерил напругу.
Добавлено спустя 11 минут 16 секунд: Разъём от замка откинул и замерил на контактах напряжение. АМ2 и АМ1 +12В это вроде норм - постоянный плюс на замок. IG1 (или это IG2,на схеме они почему то одинаково обозначены) +12В - ? вот откуда здесь напряжение не понятно. Здесь, по моему, +12В должно появляться при повороте ключа в замке.
| Вложения: |

Безымянный1.JPG [ 52.85 КБ | Просмотров: 4964 ]
|
_________________ 4A-FE МКПП Красный седан февраль 1994 г.в. Англичанка(SB). кондея нет
|
|
| Вернуться к началу |
|
 |
|
Lifeyar
|
Добавлено: Пн ноя 14, 2011 10:10 pm |
|
 |
| На доске почета |
 |
Зарегистрирован: Чт сен 09, 2010 6:21 pm Сообщения: 1266 Откуда: Ярославль Репутация: 75 [ ? ]
Машина: Honda CR-V RD1
Год выпуска: 2000
Двигатель: B20Z2
|
|
Значит не сигналка, видишь, прозвонил, нашёл, что напруга присутствует, копай, откуда она там.
|
|
| Вернуться к началу |
|
 |
|
maximax34
|
Добавлено: Пн ноя 14, 2011 10:29 pm |
|
 |
| Стажер |
 |
Зарегистрирован: Вс июн 05, 2011 10:02 am Сообщения: 13 Откуда: Россия Волгоград Репутация: 0 [ ? ]
|
|
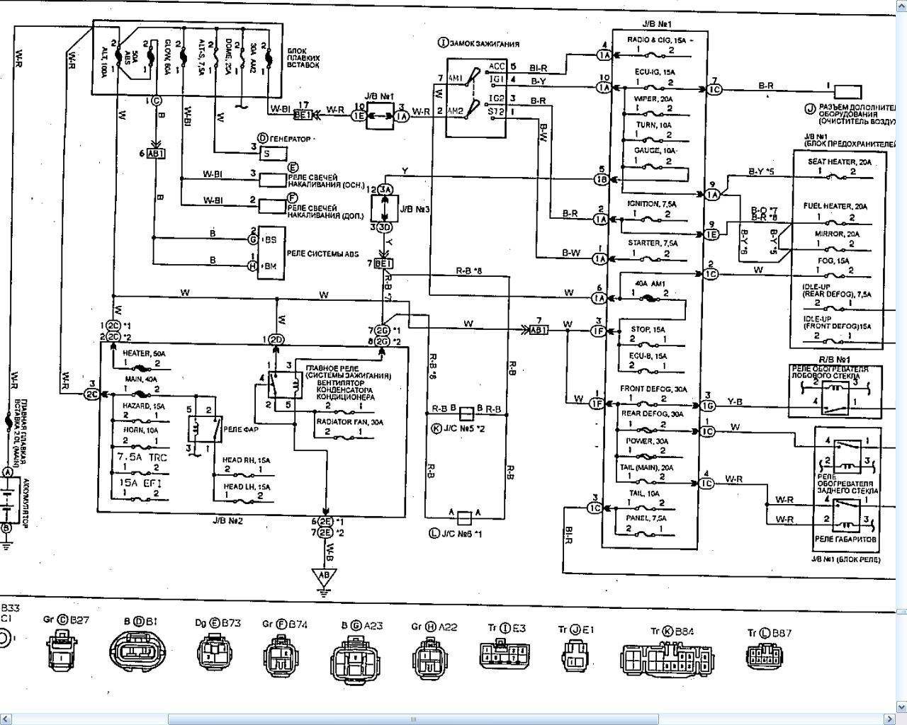
Холодно копать, не май месяц. Прикладываю эл.схему, может у кого мысли будут, где могло коротнуть.
| Вложения: |

Безымянный2.JPG [ 206.85 КБ | Просмотров: 4954 ]
|
_________________ 4A-FE МКПП Красный седан февраль 1994 г.в. Англичанка(SB). кондея нет
|
|
| Вернуться к началу |
|
 |
|
SaiD
|
Добавлено: Пн ноя 14, 2011 11:34 pm |
|
 |
| Человек-легенда |
 |
Зарегистрирован: Вт июл 20, 2010 1:32 am Сообщения: 5758 Откуда: г.Вятка (в миру Киров) Репутация: 95 [ ? ]
Машина: Corona AT170 (зубатка) 1,5 АКП
Год выпуска: 1990
Двигатель: 5А-FE
|
|
Начать наверное с локализации замкнутой цепи простым выдиранием предохранителей.Т.е. по очереди дергать все преды, пока щиток не потухнет. Потом прикинуть по схеме из-за каких он должен был потухнуть, а из-за каких нет.
_________________ Саня. Осень. Доживем-ли, долетим-ли до ответа, что-же будет с РОДИНОЙ и с нами (с Юрий Шевчук ДДТ)
|
|
| Вернуться к началу |
|
 |
|
maximax34
|
Добавлено: Вт ноя 15, 2011 7:27 pm |
|
 |
| Стажер |
 |
Зарегистрирован: Вс июн 05, 2011 10:02 am Сообщения: 13 Откуда: Россия Волгоград Репутация: 0 [ ? ]
|
И так: сегодня после работы начал дергать по одному предохранителю дойдя до последнего предохранителя под капотом, о чудо приборка потухла. Включаю зажигание все работает, завел- тоже норм все механизмы работают. Предохранитель на 7,5А судя по сокращенному названию ALT S, связан с генератором. Посему померил напругу на АКБ без него, зарядка идет. Странно, будем думать дальше. Надеюсь на дальнейшие рекомендации и советы, флуд приветствуется (да простят меня модераторы) 
| Вложения: |

Безымянный3.JPG [ 115.92 КБ | Просмотров: 4912 ]
|
_________________ 4A-FE МКПП Красный седан февраль 1994 г.в. Англичанка(SB). кондея нет
|
|
| Вернуться к началу |
|
 |
|
Lifeyar
|
Добавлено: Вт ноя 15, 2011 7:42 pm |
|
 |
| На доске почета |
 |
Зарегистрирован: Чт сен 09, 2010 6:21 pm Сообщения: 1266 Откуда: Ярославль Репутация: 75 [ ? ]
Машина: Honda CR-V RD1
Год выпуска: 2000
Двигатель: B20Z2
|
maximax34Код: ALT-S - предохранитель регулятора напряжения генератора. Если предохранитель сгорает, то генератор не работает и светится значек батареи на панели приборов. Это на королле. Но у тебя вроде всё работает.
|
|
| Вернуться к началу |
|
 |
|
SaiD
|
Добавлено: Вт ноя 15, 2011 8:11 pm |
|
 |
| Человек-легенда |
 |
Зарегистрирован: Вт июл 20, 2010 1:32 am Сообщения: 5758 Откуда: г.Вятка (в миру Киров) Репутация: 95 [ ? ]
Машина: Corona AT170 (зубатка) 1,5 АКП
Год выпуска: 1990
Двигатель: 5А-FE
|
Видимо в генераторе косяк, или в фишке к нему подходящей. Т.е. либо в генераторе, либо в фишке (мож и в жгуте) замкнули между собой S и IG ( обозначения клемм на гене). Пробуй - отключается-ли щиток, при снятии фишки с гены, все предохранители при этом конечно на месте должны быть. При вынутом предохранителе ALT генератор работает, но дает перезаряд. Он по этому проводу измеряет напряжение на батарее, и в случае, если напряжения тама нету - поднимат свое напряжение , пока не дождется отклика с S 
_________________ Саня. Осень. Доживем-ли, долетим-ли до ответа, что-же будет с РОДИНОЙ и с нами (с Юрий Шевчук ДДТ)
|
|
| Вернуться к началу |
|
 |
|
maximax34
|
Добавлено: Вт ноя 15, 2011 9:10 pm |
|
 |
| Стажер |
 |
Зарегистрирован: Вс июн 05, 2011 10:02 am Сообщения: 13 Откуда: Россия Волгоград Репутация: 0 [ ? ]
|
SaiD спасибо за толковые советы. Завтра посмотрю, но фишка на гену и вправду мертвая, она вся развалилась и провода сидят чисто на клемнике. Отрезанная фишка с б/у авто валяется в бардачке с лета, все руки не доходили... Теперь точно доберусь 
| Вложения: |

Безымянный4.JPG [ 79.65 КБ | Просмотров: 4888 ]
|
_________________ 4A-FE МКПП Красный седан февраль 1994 г.в. Англичанка(SB). кондея нет
|
|
| Вернуться к началу |
|
 |
|
maximax34
|
Добавлено: Пн мар 12, 2012 10:58 pm |
|
 |
| Стажер |
 |
Зарегистрирован: Вс июн 05, 2011 10:02 am Сообщения: 13 Откуда: Россия Волгоград Репутация: 0 [ ? ]
|
И так продолжу свой рассказ. (Кстати мне в личку написал nevsky1242, у него аналогичная проблема со включенным зажиганием, но ему отключение предохранителя ALT не помогло.) Т.к. на улице все холодно, генератор выдает 14 В. (постоянно включена печка и обогрев). и аккумулятор не перезаряжается, то я спокойно ездил до вчерашнего дня без предохранителя ALT, пока не загорелся значок аккумулятора и восклицательный знак. При повышении оборотов значки потухли, но навсегда. Теперь они не горят даже при включенном зажигании. Первая мысль - кончились щетки генератора, не оправдала себя. Вскрыв Генератор (Bosch 0 123 325 012) увидел отличные щетки, но обнаружил внутри кусочек сепаратора от заднего подшипника. Генератор отвез знакомому спецу, он заменил оба подшипника и пластиковую втулку, заверил что статор и ротор не пострадали, но желательно поменять регулятор, т.к. он хоть и оригинальный (Bosch 1 197 311 510), но паяные контакты и будет ли оно работать он не знает. Реле в наличии нигде не было, а замарачиваться с Вазовским не захотел ( viewtopic.php?f=4&t=971) понадеялся на авось. Первым делом при установке на место генератора сломал натяжной болт (придется завтра высверливать). Подсоединил фишку решил хотя бы проверить будут ли гореть лампочки зарядки, но увы они не горят. Вот сижу и думаю  Все дело в регуляторе или в чем то ещё? Прошу Вас господа помочь мне советом. 
_________________ 4A-FE МКПП Красный седан февраль 1994 г.в. Англичанка(SB). кондея нет
|
|
| Вернуться к началу |
|
 |
|
maximax34
|
Добавлено: Ср мар 14, 2012 6:29 am |
|
 |
| Стажер |
 |
Зарегистрирован: Вс июн 05, 2011 10:02 am Сообщения: 13 Откуда: Россия Волгоград Репутация: 0 [ ? ]
|
 Неужели нет ни у кого мыслей по поводу не горящей лампочки зарядки, при включении зажигания. Стоит ли перепаять регулятор?
_________________ 4A-FE МКПП Красный седан февраль 1994 г.в. Англичанка(SB). кондея нет
|
|
| Вернуться к началу |
|
 |
|
maximax34
|
Добавлено: Ср мар 14, 2012 10:59 pm |
|
 |
| Стажер |
 |
Зарегистрирован: Вс июн 05, 2011 10:02 am Сообщения: 13 Откуда: Россия Волгоград Репутация: 0 [ ? ]
|
Итак подведу итоги; Лампочка при вкл. зажигании не горела из-за неисправного регулятора. Регулятор заменил на ВАЗ 2110 в сборе с щётками. Проблема с включенным зажиганием ушла - предохранитель ALT 7.5A вернул на место. Аккумулятор нормально заряжается. 
_________________ 4A-FE МКПП Красный седан февраль 1994 г.в. Англичанка(SB). кондея нет
|
|
| Вернуться к началу |
|
 |
|
Страница 1 из 1
|
[ Сообщений: 19 ] |
|
Кто сейчас на конференции |
Сейчас этот форум просматривают: нет зарегистрированных пользователей и гости: 33 |
|
Вы не можете начинать темы Вы не можете отвечать на сообщения Вы не можете редактировать свои сообщения Вы не можете удалять свои сообщения Вы не можете добавлять вложения
|
|