Сообщения без ответов | Активные темы
|
Kentavr
|
Добавлено: Пн ноя 15, 2010 10:35 pm |
|
 |
| Kentavr форума |
 |
Зарегистрирован: Вт май 06, 2008 9:33 pm Сообщения: 6117 Откуда: Москва, ЗАО, Раменки - Мытищи, МО Репутация: 245 [ ? ]
Машина: Carina-E ST191L LIFTBACK
Год выпуска: 1997
Двигатель: 3SFE 2000CC 16-VALVE DOHC EFI
|
Rash писал(а): Спасибо за схемы! Но: схема 6 выложена 2 раза, схемы 5 нет.
вроде теперь все!
_________________ Олег Я на drive2.ru ГБО BRC 4-го поколения Вы не любите Тойоту? - Вы просто не умеете ею управлять!
|
|
| Вернуться к началу |
|
 |
|
Mouflon
|
Добавлено: Пн ноя 15, 2010 10:45 pm |
|
 |
| Человек-легенда |
 |
Зарегистрирован: Ср фев 13, 2008 2:13 pm Сообщения: 7062 Откуда: Мытищи Репутация: 150 [ ? ]
Машина: Mitsubishi Outlander XL
Год выпуска: 2008
|
|
А чем они от цветных отличаются?
_________________ Mitsubishi Outlander XL'2008 6B31 "Кролик" Любителям считать деньги в чужих карманах не хватает времени залатать дыры в своих.
|
|
| Вернуться к началу |
|
 |
|
SaiD
|
Добавлено: Вт ноя 16, 2010 10:10 am |
|
 |
| Человек-легенда |
 |
Зарегистрирован: Вт июл 20, 2010 1:32 am Сообщения: 5758 Откуда: г.Вятка (в миру Киров) Репутация: 95 [ ? ]
Машина: Corona AT170 (зубатка) 1,5 АКП
Год выпуска: 1990
Двигатель: 5А-FE
|
Цветом наверно 
_________________ Саня. Осень. Доживем-ли, долетим-ли до ответа, что-же будет с РОДИНОЙ и с нами (с Юрий Шевчук ДДТ)
|
|
| Вернуться к началу |
|
 |
|
Kentavr
|
Добавлено: Вт ноя 16, 2010 10:35 am |
|
 |
| Kentavr форума |
 |
Зарегистрирован: Вт май 06, 2008 9:33 pm Сообщения: 6117 Откуда: Москва, ЗАО, Раменки - Мытищи, МО Репутация: 245 [ ? ]
Машина: Carina-E ST191L LIFTBACK
Год выпуска: 1997
Двигатель: 3SFE 2000CC 16-VALVE DOHC EFI
|
|
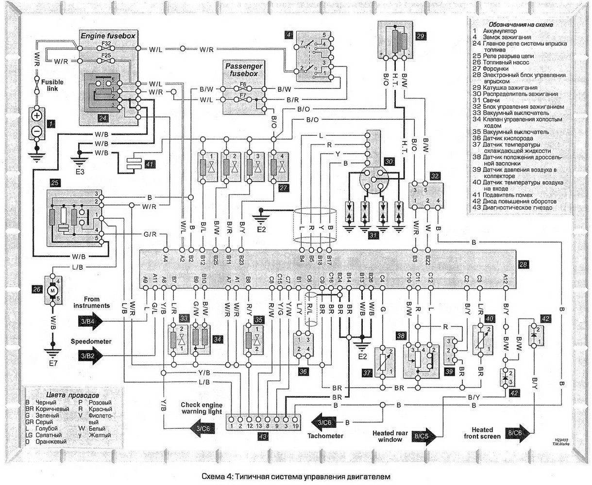
Доброго утра всем! Это схемы из каталога. Какие есть в нем, такие и выкладываю. К сожалению они все черно-белые... Были бы цветные выложил цветные... Как говорится, "чем богаты, тем и рады..."
_________________ Олег Я на drive2.ru ГБО BRC 4-го поколения Вы не любите Тойоту? - Вы просто не умеете ею управлять!
|
|
| Вернуться к началу |
|
 |
|
SaiD
|
Добавлено: Вт ноя 16, 2010 11:23 am |
|
 |
| Человек-легенда |
 |
Зарегистрирован: Вт июл 20, 2010 1:32 am Сообщения: 5758 Откуда: г.Вятка (в миру Киров) Репутация: 95 [ ? ]
Машина: Corona AT170 (зубатка) 1,5 АКП
Год выпуска: 1990
Двигатель: 5А-FE
|
Дак разница-то какая, цвет ведь подписан. Спасибо и + (тем более мне и в самом деле все равно, а тебе приятно)
Добавлено спустя 4 минуты:
Re: Электросхемы
Kentavr писал(а): (отмечать репутацию - Вам все равно, а мне приятно)
_________________ Саня. Осень. Доживем-ли, долетим-ли до ответа, что-же будет с РОДИНОЙ и с нами (с Юрий Шевчук ДДТ)
|
|
| Вернуться к началу |
|
 |
|
Pashu
|
Добавлено: Пн май 23, 2011 12:20 pm |
|
 |
| Практикант |
 |
Зарегистрирован: Чт ноя 26, 2009 11:22 pm Сообщения: 5 Откуда: 31 Репутация: 1 [ ? ]
|
|
+1 !
_________________

|
|
| Вернуться к началу |
|
 |
|
санz
|
Добавлено: Вс июн 26, 2011 9:45 pm |
|
 |
| Студент |
Зарегистрирован: Вс июн 26, 2011 9:04 pm Сообщения: 2 Откуда: кострома Репутация: 0 [ ? ]
|
|
подскажите не работает не один поворот аварийка тоже не работает хотя слышно реле щелкает предохранители вроде все целые
Добавлено спустя 1 минуту 27 секунд:
подскажите не работает не один поворот аварийка тоже не работает хотя слышно реле щелкает предохранители вроде все целые тойота карина 2 инжектор 16 клап 1991г.в
|
|
| Вернуться к началу |
|
 |
|
SaiD
|
Добавлено: Вс июн 26, 2011 9:54 pm |
|
 |
| Человек-легенда |
 |
Зарегистрирован: Вт июл 20, 2010 1:32 am Сообщения: 5758 Откуда: г.Вятка (в миру Киров) Репутация: 95 [ ? ]
Машина: Corona AT170 (зубатка) 1,5 АКП
Год выпуска: 1990
Двигатель: 5А-FE
|
Если реле щелкает и в режиме поворотов и в режиме аварийки - предохранители конечно-же целые, а вот сама релюха под вопросом. Если сможешь его выдрать (а иногда эта простенькая задача очень трудновыполнима) можно либо попробовать проволочкой замкнуть верхнее и левое гнезда разъема, либо для проверки воткнуть на его место заведомо исправное РП от любого переднеприводного ТАЗика.
З.Ы. Ну и вот для полноты картины почитай: http://carina-e.ru/viewtopic.php?t=1799&highlight=
_________________ Саня. Осень. Доживем-ли, долетим-ли до ответа, что-же будет с РОДИНОЙ и с нами (с Юрий Шевчук ДДТ)
|
|
| Вернуться к началу |
|
 |
|
Beso
|
Добавлено: Пн июн 27, 2011 12:17 am |
|
 |
| Он знает о машинах все, ex-Модератор. |
 |
Зарегистрирован: Пт ноя 30, 2007 7:08 pm Сообщения: 11065 Откуда: SPb Репутация: 224 [ ? ]
|
санz
SaiD
А что это обсуждение делает в данной ветке? 
_________________ Не надо верить всякой херне, которая у меня над аватаркой написана.
|
|
| Вернуться к началу |
|
 |
|
Сергей112787
|
Добавлено: Вт окт 18, 2011 10:25 am |
|
 |
| Бригадир |
Зарегистрирован: Сб окт 01, 2011 2:26 am Сообщения: 100 Откуда: Тверь Репутация: 0 [ ? ]
Машина: Carina E
Год выпуска: 1996
Двигатель: 1.8
|
А есть у кого нибудь схема с 8 контактной кнопокой задней птф.очень надо.пожалуйста 
_________________ 
|
|
| Вернуться к началу |
|
 |
|
Дебошир
|
Добавлено: Вт янв 31, 2012 10:23 am |
|
 |
| Бригадир |
 |
Зарегистрирован: Чт апр 14, 2011 8:21 pm Сообщения: 136 Откуда: Москва, ВАО, Измайлово Репутация: 0 [ ? ]
Машина: CARINA E(JPP)SEDAN
Год выпуска: 1992
Двигатель: 3S-FE
|
|
Перестал гореть левый габарит, как вычитал на другом форуме это может быть связано с прикуривателем, ибо он тоже перестал работать. Подскажите откуда ноги растут ?
_________________ CARINA E (JPP)SEDAN 3S-FE GLI 1992 г.в.
|
|
| Вернуться к началу |
|
 |
|
Алексей Саныч
|
Добавлено: Вс мар 18, 2012 10:18 pm |
|
 |
| Студент |
Зарегистрирован: Ср дек 21, 2011 10:11 pm Сообщения: 3 Репутация: 0 [ ? ]
Машина: Carina E made in Japan
Год выпуска: 1993
Двигатель: 4AFE
|
|
Kentavr Подскажите пожалуйста, как выглядит реле обогревателя заднего стекла и где оно находится в салоне или под капотом. Может фото какое есть?
|
|
| Вернуться к началу |
|
 |
|
vedveder
|
Добавлено: Вт мар 20, 2012 1:29 am |
|
 |
| Бригадир |
 |
Зарегистрирован: Вс сен 05, 2010 1:58 am Сообщения: 101 Откуда: Одесская область Репутация: 0 [ ? ]
Машина: Тойота Карина II
Год выпуска: 1987
Двигатель: 2C
|
|
Очень нужна эл.схема Тойота Карина2 дизель 2С, 1988г. После зимы оказалось, что "потухли" стеклоподъёмники(все предохранители целые - моторные и в салоне). При попытке разобраться с проводкой(разъединял разъёмы, просматривал провода...) пропал ближний-дальний-аварийка(предохранители целые). Схемы нет. Такими темпами поиска без неё завтра откажет вся электрика!
_________________ Знать всё нельзя, зато обо всём можно спорить.
|
|
| Вернуться к началу |
|
 |
|
fuzz
|
Добавлено: Ср май 23, 2012 6:04 pm |
|
 |
| Контролер |
 |
Зарегистрирован: Вт апр 24, 2012 8:17 pm Сообщения: 512 Откуда: Петрозаводск Репутация: 12 [ ? ]
Машина: Carina E GTS I цвет 204
Год выпуска: 1994
Двигатель: 4A-FE 1.6
|
подкажите где находится цепь NE выдаёт 13 ошибку электрики не могут найти обрыв- замыкание ну короче долго вот решил найти сам хотябы по схеме но.... не могу найти цепь NE где она находится???? вот нашёл она или нет??? эта самая цепь не download/file.php?id=16470&mode=view только не пойму что за ротор датчика??? это походу трамлёр а в нём стоит датчик распредвала но цепь NE это датчик коленвала http://autogear.ru/enc/toyota/67/ блин не могу понять!??
_________________ Витёк. Карина Е GTS i седан 1994г 1.6 4A-FE 107л Bosh Motronic англичанка
|
|
| Вернуться к началу |
|
 |
|
fuzz
|
Добавлено: Вс май 27, 2012 3:12 pm |
|
 |
| Контролер |
 |
Зарегистрирован: Вт апр 24, 2012 8:17 pm Сообщения: 512 Откуда: Петрозаводск Репутация: 12 [ ? ]
Машина: Carina E GTS I цвет 204
Год выпуска: 1994
Двигатель: 4A-FE 1.6
|
проблема была с ДПКВ поменяли на волговский спасибо евгену огромное 
_________________ Витёк. Карина Е GTS i седан 1994г 1.6 4A-FE 107л Bosh Motronic англичанка
|
|
| Вернуться к началу |
|
 |
|
Константин Л.
|
Добавлено: Вс май 27, 2012 3:21 pm |
|
 |
| Студент |
Зарегистрирован: Пн май 07, 2012 7:54 pm Сообщения: 2 Репутация: 0 [ ? ]
Машина: Toyota Carina E
Год выпуска: 1996
Двигатель: 4A-FE (LB)
|
|
Подскажите, где находится реле центрального замка. На схемах есть (включая её диагностику), а в наличии - найти не могу.
|
|
| Вернуться к началу |
|
 |
|
Сергей С@ныч
|
Добавлено: Вс май 27, 2012 3:22 pm |
|
 |
| Человек-легенда |
 |
Зарегистрирован: Пт окт 22, 2010 11:08 am Сообщения: 8451 Откуда: Лукоянов-Арзамас-Москва Репутация: 135 [ ? ]
Машина: Тойота Авенсис ST220L-AEMEKW
Год выпуска: 2001
Двигатель: 3S-FE
|
|
Между магнитолой и бардачком.
_________________ Тойота Авенсис Т-22,3S-FE,S54,DIS-2,седан,выпуск 07.2001,цвет 209,отделка LA 14-02,комплектация Sol. Была Карина Е,4а-фе,стд,1996 год.
|
|
| Вернуться к началу |
|
 |
|
avtoteh_dnepr
|
Добавлено: Сб июл 14, 2012 8:06 pm |
|
 |
| Стажер |
Зарегистрирован: Сб июл 14, 2012 7:56 pm Сообщения: 10 Репутация: 0 [ ? ]
Машина: Toyota
Год выпуска: 1990
Двигатель: 3F-SE
|
|
Доброе время суток! Подскажите, на схемах везде указано два датчика температуры ОЖ, один на приборку, другой в ЭБУ, а у меня их три, не подскажите, что это за третий датчик. Авто carina II 1990 3F-SE?
|
|
| Вернуться к началу |
|
 |
|
andron58
|
Добавлено: Чт май 05, 2016 5:52 pm |
|
 |
| На доске почета |
 |
Зарегистрирован: Ср дек 30, 2015 12:24 pm Сообщения: 1372 Откуда: Московская обл. г. Истра Репутация: 32 [ ? ]
Машина: TOYOTA CARINA E
Год выпуска: 1997
Двигатель: 4A-FE STD Denso
|
|
Доброго дня всем! А не попадалась ли кому-нибудь схема расположения точек заземления? Именно рисунок,а не словесное описание! Долго копал-не нашёл.....
_________________ Андрей Карина-Е 1997г.р. седан,англичанка,владел с декабря 2015 г. по июль 2023 г., продана.
|
|
| Вернуться к началу |
|
 |
|
AkiriS
|
Добавлено: Пт май 06, 2016 6:53 am |
|
 |
| Контролер |
Зарегистрирован: Пн окт 22, 2012 12:46 pm Сообщения: 626 Откуда: Барнаул Репутация: 17 [ ? ]
Машина: Carina E LiftBack
Год выпуска: 1997
Двигатель: 7A-FE МКПП
|
|
andron58 Находил по схемам того же эксзиста, там есть и ссылка на сами провода земли, а так же их приблизительное местоположение.
_________________ Carina E Flash, 1997, LiftBack, 7A-FE (LB)
|
|
| Вернуться к началу |
|
 |
|
andron58
|
Добавлено: Пт май 06, 2016 10:04 am |
|
 |
| На доске почета |
 |
Зарегистрирован: Ср дек 30, 2015 12:24 pm Сообщения: 1372 Откуда: Московская обл. г. Истра Репутация: 32 [ ? ]
Машина: TOYOTA CARINA E
Год выпуска: 1997
Двигатель: 4A-FE STD Denso
|
AkiriSСпасибо! Пошоркался-не нашёл.... Находил жгуты целиком,земли не попадались,только 2 болта-на чашке и где-то за бампером...... Видать,чакры не открылись! 
_________________ Андрей Карина-Е 1997г.р. седан,англичанка,владел с декабря 2015 г. по июль 2023 г., продана.
|
|
| Вернуться к началу |
|
 |
|
AkiriS
|
Добавлено: Пт май 06, 2016 10:42 am |
|
 |
| Контролер |
Зарегистрирован: Пн окт 22, 2012 12:46 pm Сообщения: 626 Откуда: Барнаул Репутация: 17 [ ? ]
Машина: Carina E LiftBack
Год выпуска: 1997
Двигатель: 7A-FE МКПП
|
|
andron58 Такое подойдет?
| Вложения: |

масса.JPG [ 53.88 КБ | Просмотров: 37368 ]
|
_________________ Carina E Flash, 1997, LiftBack, 7A-FE (LB)
|
|
| Вернуться к началу |
|
 |
|
andron58
|
Добавлено: Пт май 06, 2016 11:50 am |
|
 |
| На доске почета |
 |
Зарегистрирован: Ср дек 30, 2015 12:24 pm Сообщения: 1372 Откуда: Московская обл. г. Истра Репутация: 32 [ ? ]
Машина: TOYOTA CARINA E
Год выпуска: 1997
Двигатель: 4A-FE STD Denso
|
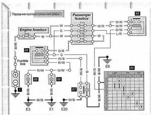
Не совсем то. Буду честен-пропала масса на ПТФ, точки подключения по схеме Е1 и Е3,где они? В описании сказано-Е1 в моторном отсеке,внутри правого крыла, Е3 в моторном отсеке около аккумулятора.... Вот и приходится отрывать защиту,подкрылки и всё такое.... 
| Вложения: |
Комментарий к файлу: Кусок схемы

ПТФ.jpg [ 82.97 КБ | Просмотров: 37360 ]
|
_________________ Андрей Карина-Е 1997г.р. седан,англичанка,владел с декабря 2015 г. по июль 2023 г., продана.
|
|
| Вернуться к началу |
|
 |
Кто сейчас на конференции |
Сейчас этот форум просматривают: нет зарегистрированных пользователей и гости: 18 |
|
Вы не можете начинать темы Вы не можете отвечать на сообщения Вы не можете редактировать свои сообщения Вы не можете удалять свои сообщения Вы не можете добавлять вложения
|
|