Сообщения без ответов | Активные темы
| Автор |
Сообщение |
|
SerG
|
Добавлено: Чт дек 03, 2009 12:44 am |
|
 |
| Стажер |
 |
Зарегистрирован: Пн дек 29, 2008 12:32 am Сообщения: 16 Откуда: Одесса, Украина Репутация: 16 [ ? ]
|
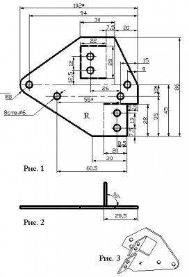
Вот чертежи с размерами. Разобрал панель, обмерял, сделал чертежи, отдал в производство на турбинный завод  . Пока не ставил, забрать некогда, так что если есть неточности в размерах - не обессудьте!  Магнитола - Пионер.
| Вложения: |

левый.jpg [ 72.98 КБ | Просмотров: 11640 ]
|

правый.jpg [ 74.67 КБ | Просмотров: 11693 ]
|
_________________ CarinaE GLi 2.0 3S-FE 93' sedan England
|
|
| Вернуться к началу |
|
 |
|
SkyRider
|
Добавлено: Чт дек 03, 2009 1:50 am |
|
 |
| Инструктор |
 |
Зарегистрирован: Ср фев 04, 2009 2:39 am Сообщения: 495 Откуда: Калининград Репутация: 14 [ ? ]
|
Вот это называется исчерпывающий чертеж
Лови плюс за такое. тем более, если SerG писал(а): Разобрал панель, обмерял, сделал чертежи
_________________ Carina E 2.0 GLi (3S-FE), ST191, 04.1993г., седан, 742, англичанка с японской начинкой!
Toyota Harrier 2.2 FOUR S package 4WD, SXU15, 1998г.в., белый дерижабль.
|
|
| Вернуться к началу |
|
 |
|
Fred_SPb
|
Добавлено: Чт дек 03, 2009 2:52 am |
|
 |
| На доске почета |
 |
Зарегистрирован: Чт ноя 20, 2008 11:54 pm Сообщения: 1348 Откуда: Санкт-Петербург Репутация: 24 [ ? ]
|
ivan899 писал(а): кто бы в Питере этим занялся вещь просто нужная!!!!! нашёл ещё такую думаю колхозить))))
Дык а что там? Надыбал лист стали или нержи, ножницами по металлу почикал и усе.
|
|
| Вернуться к началу |
|
 |
|
ivan899
|
Добавлено: Чт дек 03, 2009 2:57 am |
|
 |
| Его именем пора назвать улицу |
 |
Зарегистрирован: Ср июн 03, 2009 1:30 am Сообщения: 1876 Откуда: Питер,В.р. Репутация: 8 [ ? ]
Машина: Toyota Avensis ii
Год выпуска: 2008
Двигатель: 1ZZFE
|
|
Fred_SPb
вот так и хочу, а потом дрелью а то скрип и вылетание угла в горле сидит...
|
|
| Вернуться к началу |
|
 |
|
old_Duglas
|
Добавлено: Чт дек 03, 2009 10:18 am |
|
 |
| Герой былин народных |
 |
Зарегистрирован: Вт янв 15, 2008 1:29 am Сообщения: 3883 Откуда: г.Ижевск Репутация: 291 [ ? ]
Машина: TOYOTA Carina E
Год выпуска: 1992
Двигатель: 3S-GTE 4WD
|
|
ivan899
это для чего?
_________________ СЯО CDC TOYOTA CarinaE GLI; кузов - liftback [LB]; 4AFE-> 4AGE BT-> 3S-GTE; C51(2WD)-> E56F2-05B 4WD!!!; цвет - Rally Red Exterior [3j6]; ABS, TORSEN, ЛЮК, КЛИМАТ. 7/1992год ( одна из первых, Японка из Голландии) logbook D2
|
|
| Вернуться к началу |
|
 |
|
Ник
|
Добавлено: Чт дек 03, 2009 12:35 pm |
|
 |
| Инструктор |
Зарегистрирован: Вт авг 05, 2008 1:20 pm Сообщения: 419 Откуда: Москва Репутация: 3 [ ? ]
|
Крепление это конечно гут, но есть один момент...
Если пионэры решат дернуть магнитолку, то дернут её вместе со всем, к чему она крепится.
У моего товарища (на 99-й) к этому делу они подошли вообще творчески - пришло панель покупать.
По этой причине на своих машинах я ставлю магнитолы так, чтобы они не скрипели, не прыгали и пр., но при этом - вынимались голыми руками.
Так что если мафон кому приглянется - попаду только на стекло и сам мафон.
|
|
| Вернуться к началу |
|
 |
|
Олег
|
Добавлено: Чт дек 03, 2009 12:39 pm |
|
 |
| Заслуженный |
 |
Зарегистрирован: Вт апр 29, 2008 12:32 am Сообщения: 771 Откуда: г. Дубна, Моск. обл. Репутация: 11 [ ? ]
|
Ник
В таком случае машину лучше вообще не покупать. А то вдруг разобъешь! 
_________________ Carina E 2.0, LiftBack, 3S-FE, АКПП, АБС, ГУР, 94 г. японка.
|
|
| Вернуться к началу |
|
 |
|
Auto_demon
|
Добавлено: Чт дек 03, 2009 12:56 pm |
|
 |
| Бригадир |
 |
Зарегистрирован: Вс дек 21, 2008 12:58 am Сообщения: 152 Откуда: Украина Донецк Репутация: 0 [ ? ]
|
SerG
если выложиш на укр форуме еще + добавлю 
_________________ была: лифтбек 1,6LB 95 англичанка есть Corolla 2000 1.6 (3zz-fe) япона мать и маленький жипик LC120 2.7 араб
|
|
| Вернуться к началу |
|
 |
|
Joric
|
Добавлено: Чт дек 03, 2009 1:46 pm |
|
 |
| Самостоятельный |
Зарегистрирован: Ср июн 24, 2009 6:11 pm Сообщения: 46 Откуда: Одесса Репутация: 0 [ ? ]
|
Auto_demon писал(а): SerGесли выложиш на укр форуме еще + добавлю 
я тоже
.... а если ещё мелкосерийное пр-во наладит 
_________________ Карина Е. 1993 г. 4A-FE LB. Седан. Англичанка. Фиолетовая.
|
|
| Вернуться к началу |
|
 |
|
Олег
|
Добавлено: Чт дек 03, 2009 2:03 pm |
|
 |
| Заслуженный |
 |
Зарегистрирован: Вт апр 29, 2008 12:32 am Сообщения: 771 Откуда: г. Дубна, Моск. обл. Репутация: 11 [ ? ]
|
По выложенным чертежам уже сделал правое крепление 
_________________ Carina E 2.0, LiftBack, 3S-FE, АКПП, АБС, ГУР, 94 г. японка.
|
|
| Вернуться к началу |
|
 |
|
ribalov75
|
Добавлено: Чт дек 03, 2009 2:11 pm |
|
 |
| На доске почета |
 |
Зарегистрирован: Пн фев 23, 2009 11:52 am Сообщения: 1030 Откуда: Германия Репутация: 16 [ ? ]
Машина: Toyota Picnic
Год выпуска: 1998
Двигатель: 3S-FE
|
Ник писал(а): я ставлю магнитолы так, чтобы они не скрипели, не прыгали и пр., но при этом - вынимались голыми руками.
я тоже согласен и у себя сделал так, разогнул усики на шахте так,что-бы они упирались в корпус панели и ещё наклеил мягкий скотч что-бы не скрипело.
| Вложения: |

100_2622.JPG [ 186.71 КБ | Просмотров: 11460 ]
|
_________________ Была CARINA E 04.96. kombi 7A-FE LB, 1.8l.англичанка.185.км. Бенз+газ Сейчас Toyota Picnic 12.98 3S-FE 154 т.км. Бенз+Газ. Citroen Berlingo First. 2006. 1,4 бенз. ,,Пути Тока неисповедимы как пути Господни!" (Конфуций).
|
|
| Вернуться к началу |
|
 |
|
MerTV
|
Добавлено: Чт дек 03, 2009 3:16 pm |
|
 |
| У него свой шкафчик в раздевалке |
 |
Зарегистрирован: Ср июл 16, 2008 9:35 am Сообщения: 7636 Откуда: Нижний Новгород Репутация: 358 [ ? ]
Машина: Тойота Ками. Мелкий проходимец
Год выпуска: 1999
Двигатель: Контрактный
|
В Германии тоже тырят магнитолы?

_________________ Ремонт ДВС японских и корейских автомобилей SWAP-сервис в Нижнем Новгороде
|
|
| Вернуться к началу |
|
 |
|
Олег
|
Добавлено: Чт дек 03, 2009 3:19 pm |
|
 |
| Заслуженный |
 |
Зарегистрирован: Вт апр 29, 2008 12:32 am Сообщения: 771 Откуда: г. Дубна, Моск. обл. Репутация: 11 [ ? ]
|
MerTV писал(а): В Германии тоже тырят магнитолы? Shocked
А чем они хуже нас? 
_________________ Carina E 2.0, LiftBack, 3S-FE, АКПП, АБС, ГУР, 94 г. японка.
|
|
| Вернуться к началу |
|
 |
|
MerTV
|
Добавлено: Чт дек 03, 2009 3:24 pm |
|
 |
| У него свой шкафчик в раздевалке |
 |
Зарегистрирован: Ср июл 16, 2008 9:35 am Сообщения: 7636 Откуда: Нижний Новгород Репутация: 358 [ ? ]
Машина: Тойота Ками. Мелкий проходимец
Год выпуска: 1999
Двигатель: Контрактный
|
|
Да счас вроде не особо и у нас тырят. Нарики в основном на сотовые переключились. Не то что в 90е...
_________________ Ремонт ДВС японских и корейских автомобилей SWAP-сервис в Нижнем Новгороде
|
|
| Вернуться к началу |
|
 |
|
Лев
|
Добавлено: Чт дек 03, 2009 3:31 pm |
|
 |
| Коллекционер ведер, Модератор |
 |
Зарегистрирован: Пн апр 06, 2009 7:41 pm Сообщения: 4705 Откуда: Санкт-Петербург Репутация: 84 [ ? ]
Машина: Carina-E
Год выпуска: 1992
Двигатель: 3S-GE
|
|
MerTV
там уже пол германии русских) они все еже русские ленивые и похотливы до легкой наживы, а другие (небуду указывать нацию а то из дома выгонят) этим пользуются и скупают у лденивых русских все за дорма, продовая потом немцам как почти новое))
_________________ Carina E 3S-FE 93г. Японка, левый руль, МКПП +Sprinter CArib AE95, Ford Explorer I, Skoda Yeti, VW Multivan T5, Mercedes R-Class W251, Газель матушка)) Будь тем кто ты есть.... до грани и за гранью Хочешь создать тему? тогда тебе сюда http://carina-e.ru/viewtopic.php?t=1607
|
|
| Вернуться к началу |
|
 |
|
ribalov75
|
Добавлено: Чт дек 03, 2009 4:06 pm |
|
 |
| На доске почета |
 |
Зарегистрирован: Пн фев 23, 2009 11:52 am Сообщения: 1030 Откуда: Германия Репутация: 16 [ ? ]
Машина: Toyota Picnic
Год выпуска: 1998
Двигатель: 3S-FE
|
MerTV писал(а): В Германии тоже тырят магнитолы? периодически потыривают  ,правда не в самой германии,а в близлежащих странах восточной европы(чехия например), хотя и у нас случается,года два тому, у меня с машины колпаки с колёс сдёрнули,а у кента велосипед от дома утащили... короче уродов везде хватает Лев писал(а): там уже пол германии русских) они все еже русские ленивые и похотливы до легкой наживы
русаков действительно много и в бывшей вост.германии и в западной,но большинство как не странно находят работу и всё у них ОК*.
_________________ Была CARINA E 04.96. kombi 7A-FE LB, 1.8l.англичанка.185.км. Бенз+газ Сейчас Toyota Picnic 12.98 3S-FE 154 т.км. Бенз+Газ. Citroen Berlingo First. 2006. 1,4 бенз. ,,Пути Тока неисповедимы как пути Господни!" (Конфуций).
|
|
| Вернуться к началу |
|
 |
|
Enakin
|
Добавлено: Чт дек 03, 2009 4:17 pm |
|
 |
| Его именем пора назвать улицу |
 |
Зарегистрирован: Вт мар 10, 2009 12:39 pm Сообщения: 1733 Откуда: Ижевск Репутация: 16 [ ? ]
|
Не, а есжли сурьезно, то я бы подписался на комплект, кто нибудь ведь все равно из клубней работает на слесарном производстве.
Юстас вроде при делах.
ЗЫ: давайте затеим затею.
ЗЫЫ: мне 1 комплект. 
_________________ CARINA E(JPP); 4A-FE STD, XLi, С52; AT190L-AEMDKW; SEDAN ; 02/1993; 742 - железный помошник...был.
|
|
| Вернуться к началу |
|
 |
|
MerTV
|
Добавлено: Чт дек 03, 2009 4:20 pm |
|
 |
| У него свой шкафчик в раздевалке |
 |
Зарегистрирован: Ср июл 16, 2008 9:35 am Сообщения: 7636 Откуда: Нижний Новгород Репутация: 358 [ ? ]
Машина: Тойота Ками. Мелкий проходимец
Год выпуска: 1999
Двигатель: Контрактный
|
ribalov75 писал(а): велосипед от дома утащили...
У нас бы даже менты сказали,что сами виноваты,нечего велосипед у дома оставлять!!!

_________________ Ремонт ДВС японских и корейских автомобилей SWAP-сервис в Нижнем Новгороде
|
|
| Вернуться к началу |
|
 |
|
ivan899
|
Добавлено: Сб дек 12, 2009 3:10 am |
|
 |
| Его именем пора назвать улицу |
 |
Зарегистрирован: Ср июн 03, 2009 1:30 am Сообщения: 1876 Откуда: Питер,В.р. Репутация: 8 [ ? ]
Машина: Toyota Avensis ii
Год выпуска: 2008
Двигатель: 1ZZFE
|
|
SerG
вытащил магнитолу проверить размеры, вроде похоже завтра подгоню металл
|
|
| Вернуться к началу |
|
 |
|
Alex310584
|
Добавлено: Вс дек 13, 2009 12:08 am |
|
 |
| На доске почета |
 |
Зарегистрирован: Ср июн 24, 2009 9:28 pm Сообщения: 1389 Откуда: Н. Новгород Репутация: 51 [ ? ]
Машина: Carina E Wagon
Год выпуска: 1993
Двигатель: 4A-FE LB
|
ribalov75 писал(а): что-бы они упирались в корпус панели Из-за такого способа крепления панелька и начинает вылетать, а потом скрипеть. Вот если бы ты саласки закрепил внутри торпедо, тогда было бы всё OK. P.S. Carinaвод писал(а): очумелые ручки вырвали заводское крепление и установили корзину под новую магнитолу прямо в консоль, которая для этого не расчитана
_________________ Продам руль 3000р + колеса 5000р и еще пару ништяковГрузоперевозки. Газель. 89087438114
|
|
| Вернуться к началу |
|
 |
|
ribalov75
|
Добавлено: Вс дек 13, 2009 12:48 am |
|
 |
| На доске почета |
 |
Зарегистрирован: Пн фев 23, 2009 11:52 am Сообщения: 1030 Откуда: Германия Репутация: 16 [ ? ]
Машина: Toyota Picnic
Год выпуска: 1998
Двигатель: 3S-FE
|
Alex310584 писал(а): Из-за такого способа крепления панелька и начинает вылетать, а потом скрипеть.
а ещё панель скрипит и вылетает когда защёлки ставят не совсем правильно. я перед тем как защёлкнуть панель немного разгибаю защёлочки и самое главное на перемычку в гнезде подматываю 2-3 слоя изоленты(главное не переборщить,а то может лопнуть). тогда защёлки плотно входят и ни чего не скрипит и не вылазит. к тому-же основной скрип происходит в местах соединения решёток воздуховодов и самой панели(соединение на пластиковых защёлках),когда панель снята,то можно слегка погнуть её в разные стороны и увидеть что именно там и скрипит. проблема решается с помощью паяльника,просто расплавляешь эти места соединений и усё!
но это совсем не значит,что я против хороших и стационарных креплений,просто пока после всех действий описаных выше я забыл что такое скрип панели,а заморачиваться и что-то выпиливать неохота пока  !!!
_________________ Была CARINA E 04.96. kombi 7A-FE LB, 1.8l.англичанка.185.км. Бенз+газ Сейчас Toyota Picnic 12.98 3S-FE 154 т.км. Бенз+Газ. Citroen Berlingo First. 2006. 1,4 бенз. ,,Пути Тока неисповедимы как пути Господни!" (Конфуций).
|
|
| Вернуться к началу |
|
 |
|
ivan899
|
Добавлено: Вс дек 13, 2009 1:04 am |
|
 |
| Его именем пора назвать улицу |
 |
Зарегистрирован: Ср июн 03, 2009 1:30 am Сообщения: 1876 Откуда: Питер,В.р. Репутация: 8 [ ? ]
Машина: Toyota Avensis ii
Год выпуска: 2008
Двигатель: 1ZZFE
|
|
ribalov75
как те мои? 2 часа работы)))) ещё гонял за сверлом в магазин)))))
|
|
| Вернуться к началу |
|
 |
|
Alex310584
|
Добавлено: Вс дек 13, 2009 2:07 am |
|
 |
| На доске почета |
 |
Зарегистрирован: Ср июн 24, 2009 9:28 pm Сообщения: 1389 Откуда: Н. Новгород Репутация: 51 [ ? ]
Машина: Carina E Wagon
Год выпуска: 1993
Двигатель: 4A-FE LB
|
ribalov75 писал(а): немного разгибаю защёлочки ribalov75 писал(а): 2-3 слоя изоленты ribalov75 писал(а): проблема решается с помощью паяльника
+ после сборки обработать напильником
 P.s. Не в обиду 
_________________ Продам руль 3000р + колеса 5000р и еще пару ништяковГрузоперевозки. Газель. 89087438114
|
|
| Вернуться к началу |
|
 |
Кто сейчас на конференции |
Сейчас этот форум просматривают: нет зарегистрированных пользователей и гости: 1 |
|
Вы не можете начинать темы Вы не можете отвечать на сообщения Вы не можете редактировать свои сообщения Вы не можете удалять свои сообщения Вы не можете добавлять вложения
|
|