Сообщения без ответов | Активные темы
| Автор |
Сообщение |
|
БелыйГусь
|
Добавлено: Вт фев 24, 2009 8:55 pm |
|
 |
| Хранитель традиций клуба, Модератор |
 |
Зарегистрирован: Пн сен 24, 2007 9:36 pm Сообщения: 4584 Откуда: Москва, ЗАО, Раменки Репутация: 141 [ ? ]
|
Li2n писал(а): Ну может я синий с белым попутал при описании Я не про провода датчика, я про белый провод, приходящий в фишку на ЭБУ 
_________________ CarinaE SF, 7A-FE LB, 07.1996, англичанка
|
|
| Вернуться к началу |
|
 |
|
Li2n
|
Добавлено: Вт фев 24, 2009 9:29 pm |
|
 |
| Заслуженный |
 |
Зарегистрирован: Пт сен 28, 2007 12:16 am Сообщения: 959 Откуда: ПИТЕР Репутация: 3 [ ? ]
|
|
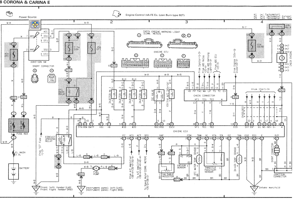
почему то на странице 352 букваря я не лицезрею датчик кислорода и датчика детонации, нет что ли ничего ?? Михаил Иванович есть ли схема 4афе STD подключения в электронном виде, тыкните носом пожалуйста?[/url]
_________________ Ржавеем помаленьку с 93 года....
|
|
| Вернуться к началу |
|
 |
|
БелыйГусь
|
Добавлено: Вт фев 24, 2009 9:45 pm |
|
 |
| Хранитель традиций клуба, Модератор |
 |
Зарегистрирован: Пн сен 24, 2007 9:36 pm Сообщения: 4584 Откуда: Москва, ЗАО, Раменки Репутация: 141 [ ? ]
|
Li2n писал(а): схема 4афе STD подключения в электронном виде, тыкните носом пожалуйста? Beso выкладывал на Рапиду - http://carina-e.ru/viewtopic.php?p=63406#63406
На буржуинском 
_________________ CarinaE SF, 7A-FE LB, 07.1996, англичанка
|
|
| Вернуться к началу |
|
 |
|
Li2n
|
Добавлено: Ср фев 25, 2009 12:52 am |
|
 |
| Заслуженный |
 |
Зарегистрирован: Пт сен 28, 2007 12:16 am Сообщения: 959 Откуда: ПИТЕР Репутация: 3 [ ? ]
|
БелыйГусь я глючу, или все же нет кислородного датчика на этой схеме? В место него переменный резистор. 
| Вложения: |

4afe.GIF [ 65.79 КБ | Просмотров: 12509 ]
|
_________________ Ржавеем помаленьку с 93 года....
|
|
| Вернуться к началу |
|
 |
|
Fred_SPb
|
Добавлено: Ср фев 25, 2009 1:31 am |
|
 |
| На доске почета |
 |
Зарегистрирован: Чт ноя 20, 2008 11:54 pm Сообщения: 1347 Откуда: Санкт-Петербург Репутация: 24 [ ? ]
|
|
Нету кислородника... это ужасная система впрыска для континента на котором придумали нормы ЕВРО... кошмар...
|
|
| Вернуться к началу |
|
 |
|
Li2n
|
Добавлено: Ср фев 25, 2009 1:40 am |
|
 |
| Заслуженный |
 |
Зарегистрирован: Пт сен 28, 2007 12:16 am Сообщения: 959 Откуда: ПИТЕР Репутация: 3 [ ? ]
|
|
вот же он на аналогичном движке *1 ТИП Б
| Вложения: |

ox.gif [ 19.57 КБ | Просмотров: 12463 ]
|
_________________ Ржавеем помаленьку с 93 года....
Последний раз редактировалось Li2n Ср фев 25, 2009 1:42 am, всего редактировалось 1 раз.
|
|
| Вернуться к началу |
|
 |
|
Beso
|
Добавлено: Ср фев 25, 2009 1:41 am |
|
 |
| Он знает о машинах все, ex-Модератор. |
 |
Зарегистрирован: Пт ноя 30, 2007 7:08 pm Сообщения: 11065 Откуда: SPb Репутация: 224 [ ? ]
|
Li2n писал(а): на этой схеме?
На этой схеме - нету. Это как раз та схема с "октан-корректором", который в бардачке. Редкий вариант для машин без катализатора и обратной связи.
_________________ Не надо верить всякой херне, которая у меня над аватаркой написана.
|
|
| Вернуться к началу |
|
 |
|
Li2n
|
Добавлено: Ср фев 25, 2009 1:45 am |
|
 |
| Заслуженный |
 |
Зарегистрирован: Пт сен 28, 2007 12:16 am Сообщения: 959 Откуда: ПИТЕР Репутация: 3 [ ? ]
|
Люди, как с минимальными потерями сделать простой 4AFE с кислородным датчиком, чтобы была обратная связь?
Что же, я напрасно купил кислородный датчик оригинальный ?
Пипец, а если я мозги поменяю, чего нужно будет ещё, помимо них?
У меня резистор этот, под капотом стоит.
Отличие пока увидел в мозге, и в датчике детонации.
_________________ Ржавеем помаленьку с 93 года....
Последний раз редактировалось Li2n Ср фев 25, 2009 2:20 am, всего редактировалось 3 раз(а).
|
|
| Вернуться к началу |
|
 |
|
voldemarik
|
Добавлено: Ср фев 25, 2009 1:46 am |
|
 |
| Человек-легенда |
 |
Зарегистрирован: Чт дек 13, 2007 1:30 pm Сообщения: 8353 Репутация: 40 [ ? ]
Машина: carina e
Год выпуска: 1995
|
|
теперь прийдеться покупать мозги другие:)
|
|
| Вернуться к началу |
|
 |
|
Beso
|
Добавлено: Ср фев 25, 2009 1:51 am |
|
 |
| Он знает о машинах все, ex-Модератор. |
 |
Зарегистрирован: Пт ноя 30, 2007 7:08 pm Сообщения: 11065 Откуда: SPb Репутация: 224 [ ? ]
|
Li2n писал(а): что же, я напрасно
Снял бы ты мозг, открыл бы его... там на плате должны быть подписаны ножки, соответственно маркировке на схеме распиновки. Всё и станет ясно про Ох-контакт.
_________________ Не надо верить всякой херне, которая у меня над аватаркой написана.
|
|
| Вернуться к началу |
|
 |
|
Li2n
|
Добавлено: Ср фев 25, 2009 2:06 am |
|
 |
| Заслуженный |
 |
Зарегистрирован: Пт сен 28, 2007 12:16 am Сообщения: 959 Откуда: ПИТЕР Репутация: 3 [ ? ]
|
|
Beso попробую.
_________________ Ржавеем помаленьку с 93 года....
|
|
| Вернуться к началу |
|
 |
|
Fred_SPb
|
Добавлено: Ср фев 25, 2009 2:11 am |
|
 |
| На доске почета |
 |
Зарегистрирован: Чт ноя 20, 2008 11:54 pm Сообщения: 1347 Откуда: Санкт-Петербург Репутация: 24 [ ? ]
|
|
Да нету там Ох контакта... так бы в колодке диагностической был.
|
|
| Вернуться к началу |
|
 |
|
Beso
|
Добавлено: Ср фев 25, 2009 2:19 am |
|
 |
| Он знает о машинах все, ex-Модератор. |
 |
Зарегистрирован: Пт ноя 30, 2007 7:08 pm Сообщения: 11065 Откуда: SPb Репутация: 224 [ ? ]
|
Fred_SPb писал(а): в колодке диагностической
Да я чот ваще не могу понять ,что там за солянка... Это всё изначально так укомплектованная машина, типа? Тады нет и в мозге входа с кислородника...
Саня, давай найдём уж коллеге мозг ФЕ-шный под лямбду, коль охота ему... %-)
Так ездил бы себе спокойненько по картам... Эх... 
_________________ Не надо верить всякой херне, которая у меня над аватаркой написана.
|
|
| Вернуться к началу |
|
 |
|
Li2n
|
Добавлено: Ср фев 25, 2009 2:21 am |
|
 |
| Заслуженный |
 |
Зарегистрирован: Пт сен 28, 2007 12:16 am Сообщения: 959 Откуда: ПИТЕР Репутация: 3 [ ? ]
|
А че у вас было Эбу лишний, не Бедный ??? я бы купил одЫн.
Цитата: Саня, давай найдём уж коллеге мозг ФЕ-шный под лямбду, коль охота ему... %-) зачем мне под лямбду, под кислородный бывают 4AFE не бедные??? А то я че то совсем запутался....
_________________ Ржавеем помаленьку с 93 года....
Последний раз редактировалось Li2n Ср фев 25, 2009 2:32 am, всего редактировалось 4 раз(а).
|
|
| Вернуться к началу |
|
 |
|
Fred_SPb
|
Добавлено: Ср фев 25, 2009 2:23 am |
|
 |
| На доске почета |
 |
Зарегистрирован: Чт ноя 20, 2008 11:54 pm Сообщения: 1347 Откуда: Санкт-Петербург Репутация: 24 [ ? ]
|
|
э-э-э, я его рожу чтоле? Или предлагаешь ему от ипонской машины поставить?
|
|
| Вернуться к началу |
|
 |
|
Beso
|
Добавлено: Ср фев 25, 2009 2:52 am |
|
 |
| Он знает о машинах все, ex-Модератор. |
 |
Зарегистрирован: Пт ноя 30, 2007 7:08 pm Сообщения: 11065 Откуда: SPb Репутация: 224 [ ? ]
|
Fred_SPb писал(а): от ипонской машины Разумеется. Причём от автоматной. Типо левина. У лихих сваперов с гт-икстрима не завалялось? Добавлено спустя 2 минуты 4 секунды:Li2n писал(а): под лямбду, под кислородный бывают 4AFE не бедные???
Лямбда - это и есть "кислородный". %-)))
НЕ бедный.
_________________ Не надо верить всякой херне, которая у меня над аватаркой написана.
|
|
| Вернуться к началу |
|
 |
|
voldemarik
|
Добавлено: Ср фев 25, 2009 2:59 am |
|
 |
| Человек-легенда |
 |
Зарегистрирован: Чт дек 13, 2007 1:30 pm Сообщения: 8353 Репутация: 40 [ ? ]
Машина: carina e
Год выпуска: 1995
|
|
так вроде небедные мозги у кого-то есть и не нужны, а нужны бедные.
|
|
| Вернуться к началу |
|
 |
|
БелыйГусь
|
Добавлено: Ср фев 25, 2009 11:13 am |
|
 |
| Хранитель традиций клуба, Модератор |
 |
Зарегистрирован: Пн сен 24, 2007 9:36 pm Сообщения: 4584 Откуда: Москва, ЗАО, Раменки Репутация: 141 [ ? ]
|
Дааа, тяжелый случай! Но жить будет! (с) Beso писал(а): не могу понять ,что там за солянка А уж не у Li2n'а ли Карина уникальная, без VIN-номера? Наверное, это не серийный конвейерный вариант, а прототип к примеру
Li2N, тут только такой вопрос возникает. Если машина изначально безлямбдная, куда же ты свою лямбду запихачил?
И совет правильный, трепанируй мозги, читай распиновку на плате, может Ox и найдется. А может и нет
А не найдется, тогда я бы в таком разе выставил лямбду на торги, а сам бы продолжал ездить по картам, по рекомендации Антонио  Потому как ежели подгонят тебе мозги от левина, возникнет соблазн и движочек свапнуть. У Антонио есть в запасе, одЫн 
_________________ CarinaE SF, 7A-FE LB, 07.1996, англичанка
Последний раз редактировалось БелыйГусь Ср фев 25, 2009 12:26 pm, всего редактировалось 1 раз.
|
|
| Вернуться к началу |
|
 |
|
Li2n
|
Добавлено: Ср фев 25, 2009 12:16 pm |
|
 |
| Заслуженный |
 |
Зарегистрирован: Пт сен 28, 2007 12:16 am Сообщения: 959 Откуда: ПИТЕР Репутация: 3 [ ? ]
|
БелыйГусь Дык, конечно у меня. По наследству от АБЕНДа досталась. А под нормальный трудно будет переделать ? По схеме то вроде бы отличий не много. Не подскажите, как оно поедет без датчика детонации? Я так понимаю у меня его НЕМАааа.... 
_________________ Ржавеем помаленьку с 93 года....
|
|
| Вернуться к началу |
|
 |
|
БелыйГусь
|
Добавлено: Ср фев 25, 2009 12:34 pm |
|
 |
| Хранитель традиций клуба, Модератор |
 |
Зарегистрирован: Пн сен 24, 2007 9:36 pm Сообщения: 4584 Откуда: Москва, ЗАО, Раменки Репутация: 141 [ ? ]
|
Li2n писал(а): А под нормальный трудно будет переделать ? И надо оно тебе? А трудно/нетрудно зависит от того, какой ты автоэлектрик 
_________________ CarinaE SF, 7A-FE LB, 07.1996, англичанка
|
|
| Вернуться к началу |
|
 |
|
Vitek
|
Добавлено: Ср фев 25, 2009 12:56 pm |
|
 |
| Внесен в большую энциклопедию |
 |
Зарегистрирован: Пн апр 14, 2008 2:45 am Сообщения: 2960 Откуда: Моск.обл. г.Юбилейный Репутация: 87 [ ? ]
Машина: Carina-E Hatch
Год выпуска: 1997
Двигатель: 7A-FE LB
|
|
Beso
БелыйГусь
Чёт я не понял, что за схему Li2n выложил. Мы ж с вами букварь вместе смотрели на последнем поинте, что на линбёрнах впрыск фазированный, а на этой схемке с заголовком 4афе линбёрн - попарно-параллельный. Что за дела? Или опечаточка по поводу линбёрна, ведь двиг, как я понял, с октан-корректором?
_________________ Что один человек сделал, - другой всегда разобрать сумеет! (кузнец из к/ф "Формула любви") Carina-E Liftback 01/97 7A-FE(LB)
|
|
| Вернуться к началу |
|
 |
|
Beso
|
Добавлено: Ср фев 25, 2009 1:02 pm |
|
 |
| Он знает о машинах все, ex-Модератор. |
 |
Зарегистрирован: Пт ноя 30, 2007 7:08 pm Сообщения: 11065 Откуда: SPb Репутация: 224 [ ? ]
|
Vitek писал(а): Или опечаточка
Никакой опечаточки. Эта схема к линбёрну не имеет ни малейшего отношения. Там написано вверху "КРОМЕ линбёрна". 
_________________ Не надо верить всякой херне, которая у меня над аватаркой написана.
|
|
| Вернуться к началу |
|
 |
|
Vitek
|
Добавлено: Ср фев 25, 2009 1:07 pm |
|
 |
| Внесен в большую энциклопедию |
 |
Зарегистрирован: Пн апр 14, 2008 2:45 am Сообщения: 2960 Откуда: Моск.обл. г.Юбилейный Репутация: 87 [ ? ]
Машина: Carina-E Hatch
Год выпуска: 1997
Двигатель: 7A-FE LB
|
Beso
Ага, так это вот Ех. - и есть сокращённо исключение? От английского "эксклюзив" типа?  Ну, тады ой! 
_________________ Что один человек сделал, - другой всегда разобрать сумеет! (кузнец из к/ф "Формула любви") Carina-E Liftback 01/97 7A-FE(LB)
|
|
| Вернуться к началу |
|
 |
|
Beso
|
Добавлено: Ср фев 25, 2009 1:14 pm |
|
 |
| Он знает о машинах все, ex-Модератор. |
 |
Зарегистрирован: Пт ноя 30, 2007 7:08 pm Сообщения: 11065 Откуда: SPb Репутация: 224 [ ? ]
|
|
Vitek
Ага. Типа "Олл инклюзиф, но линбёрн эксклюзиф". %-)))
_________________ Не надо верить всякой херне, которая у меня над аватаркой написана.
|
|
| Вернуться к началу |
|
 |
|
БелыйГусь
|
Добавлено: Ср фев 25, 2009 1:16 pm |
|
 |
| Хранитель традиций клуба, Модератор |
 |
Зарегистрирован: Пн сен 24, 2007 9:36 pm Сообщения: 4584 Откуда: Москва, ЗАО, Раменки Репутация: 141 [ ? ]
|
Vitek писал(а): От английского "эксклюзив" типа? От английского слова exclude - исключать
_________________ CarinaE SF, 7A-FE LB, 07.1996, англичанка
|
|
| Вернуться к началу |
|
 |
Кто сейчас на конференции |
Сейчас этот форум просматривают: нет зарегистрированных пользователей и гости: 23 |
|
Вы не можете начинать темы Вы не можете отвечать на сообщения Вы не можете редактировать свои сообщения Вы не можете удалять свои сообщения Вы не можете добавлять вложения
|
|