Сообщения без ответов | Активные темы
| Автор |
Сообщение |
|
Faranos
|
Добавлено: Пт авг 12, 2011 10:46 pm |
|
 |
| Летописец |
 |
Зарегистрирован: Чт дек 04, 2008 6:46 pm Сообщения: 4383 Откуда: Улан-Удэ Репутация: 250 [ ? ]
Машина: Carina-E->LEXUS
Год выпуска: 2020
Двигатель: 4A>3s>3s-ge beams vvt-i
|
BrabusS писал(а): Сегодня дорвался до креплений, прилипли мне они от короны Все разобрал примерил, но вылез косяк) На короне они типа зеркальные оказались. Принимая во внимание что крепления на шару пришли, решил химичить Для того чтобы все встало как на родных, 1) Сначала выпрямить уши, чем ровнее тем лучше. 2) Взять зубило, сделать по свей длине уха насечку (Важно без фанатизма) иначе они не загнутся в противоположную сторону! 3) Берем пассатижи и спокойно заворачиваем ушки в обратную сторону 4) крепим к майфону, примеряем 5)Два верхних винта у вас будут для крепления, нижние берем саморезы и покупаем в Руси скобы под винт от газели 2 штуки, цена вопроса 6 рублей итого. Номер 33054 6) После примерок прикручиваем и собираем все на место) Я довольный) майфун хоть ломом выковыривай) стоит ровно аж не привычно)  Я тоже себе от коронки делал зеркальная копия вот только направляющие "прыщики" балгарочкой убирал.
_________________ Моя барахолка ..…..............…….. Мы на DRIVE2
|
|
| Вернуться к началу |
|
 |
|
CraSH_174
|
Добавлено: Пн май 21, 2012 9:16 pm |
|
 |
| Бригадир |
 |
Зарегистрирован: Пт янв 29, 2010 8:29 pm Сообщения: 242 Откуда: Челябинск Репутация: 2 [ ? ]
Машина: Toyota Carina E
Год выпуска: 1997
Двигатель: 7A-FE
|
|
Все это конечно хорошо....НО...а как снимать консоль при необходимости?? с порстой корзиной, берешь вынимаешь майфун, потом засовываешь туда руки и тянешь....а с таким креплением как?? за что цепляться???
_________________ было: [Toyota Carina E] 4A-FE LB 1994 Sedan (UK) [Toyota Carina E] 4A-FE STD 1997 Red_Sedan (UK) стало: [Mercedes C180] W202 m111 Elegance & [Toyota Carina E] 7A-FE LB 1997 Sedan (UK)
|
|
| Вернуться к началу |
|
 |
|
R-tem
|
Добавлено: Пн май 21, 2012 9:22 pm |
|
 |
| Его именем пора назвать улицу |
 |
Зарегистрирован: Пн янв 21, 2008 8:31 pm Сообщения: 1788 Откуда: Одесса Репутация: 29 [ ? ]
|
|
я за воздуховоды цепляюсь)
_________________ Carina E '93, 3S-FE, механика, Japan, Liftback,Red,GLI, люк, кондиционер, дерево, ГБО Camry '00, 5S-FE, автомат, USA, ГБО
|
|
| Вернуться к началу |
|
 |
|
Сергей С@ныч
|
Добавлено: Пн май 21, 2012 10:00 pm |
|
 |
| Человек-легенда |
 |
Зарегистрирован: Пт окт 22, 2010 11:08 am Сообщения: 8451 Откуда: Лукоянов-Арзамас-Москва Репутация: 135 [ ? ]
Машина: Тойота Авенсис ST220L-AEMEKW
Год выпуска: 2001
Двигатель: 3S-FE
|
|
Раскачиваешь за полочку и снимаешь.Я когда кронштейны ставил,то пришлось гайки подкладывать,иначе рамка не вставала и всё равно она слетала,так я рамку магнитолы к панельке скотчем приклеил.Плюс кронштейнов в том что панель магнитолы не поскрипывает.
_________________ Тойота Авенсис Т-22,3S-FE,S54,DIS-2,седан,выпуск 07.2001,цвет 209,отделка LA 14-02,комплектация Sol. Была Карина Е,4а-фе,стд,1996 год.
|
|
| Вернуться к началу |
|
 |
|
wAnTed
|
Добавлено: Вт май 22, 2012 12:51 am |
|
 |
| Герой былин народных |
 |
Зарегистрирован: Чт окт 15, 2009 11:14 pm Сообщения: 3581 Откуда: РФ, Северо-Запад, респ. Карелия Репутация: 33 [ ? ]
Машина: Toyota Carina E
Год выпуска: 1997
Двигатель: 7A-FE
|
|
я снимаю свою центральную консоль держа ее за "полку" (где соединяется с блоком управления климата) ну и потом тяну верх. у моей похоже крепеж родной стоял, но когда устанавливал мафон, то декоративная накладка слетала (магнитола утоплена была немного). Под кронштейны подложил шайбы по 2мм и все ок стало
_________________ Артём, Carina E'97 1,8 7A-FE LB вишневый седан 
|
|
| Вернуться к началу |
|
 |
|
fuzz
|
Добавлено: Сб июл 07, 2012 7:09 pm |
|
 |
| Контролер |
 |
Зарегистрирован: Вт апр 24, 2012 8:17 pm Сообщения: 512 Откуда: Петрозаводск Репутация: 12 [ ? ]
Машина: Carina E GTS I цвет 204
Год выпуска: 1994
Двигатель: 4A-FE 1.6
|
сегодня ездил на разборку всё облазил ни где не стоят эти крепления потом заглянули в багажник а там лежит мафон родной от японы на нём висят эти крепления но они как на фото повыше не такие как в первом посте  вообщем будем посмотреть как подойдёт цена вопроса 100рэ
_________________ Витёк. Карина Е GTS i седан 1994г 1.6 4A-FE 107л Bosh Motronic англичанка
|
|
| Вернуться к началу |
|
 |
|
iron_klg
|
Добавлено: Сб июн 15, 2013 9:39 pm |
|
 |
| Контролер |
Зарегистрирован: Вт сен 25, 2012 10:24 am Сообщения: 529 Откуда: Калуга Репутация: 18 [ ? ]
Машина: Carina E седан японка
Год выпуска: 1993
Двигатель: 4A-FE (STD)
|
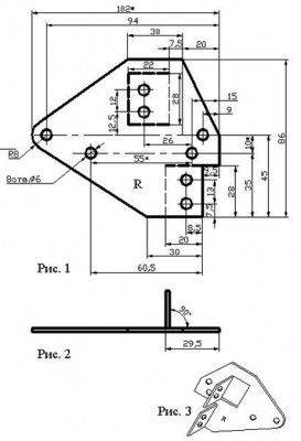
Короче много думал, почувствовал себя идиотом перед проблемой - не могу распечатать чертеж 1 к 1 Пришлось подогнать тяжелую артиллерию в виде фотошопа с его мегаинструментом "линейка". Распечатал как положено. Выкладываю, вдруг кому пригодится. Не забывайте, что при печати масштаб должен быть 100% безо всяких там подгонок.
| Вложения: |

крепеж_лев.jpg [ 76.25 КБ | Просмотров: 26742 ]
|

крепеж_прав.jpg [ 83.97 КБ | Просмотров: 26742 ]
|
_________________ Илья. CARINA E XLI (JPP) SEDAN AT190, 4AFE (STD), 02.1993, МКПП, 742 (зеленовато-голубой жемчуг). Электростеклоподъемники, кондей.
|
|
| Вернуться к началу |
|
 |
|
iron_klg
|
Добавлено: Чт июн 20, 2013 8:30 pm |
|
 |
| Контролер |
Зарегистрирован: Вт сен 25, 2012 10:24 am Сообщения: 529 Откуда: Калуга Репутация: 18 [ ? ]
Машина: Carina E седан японка
Год выпуска: 1993
Двигатель: 4A-FE (STD)
|
Сегодня поставил-таки свои крепления. Делал из аллюминия 1мм. Предупреждаю - размеры немного не совпадают. Не знаю чей косяк, мой или того кто чертеж рисовал, но тем не менее надо быть готовым дорабатывать напильником. Не знаю опять же где собака зарыта, но левое крепление верхней частью уперлось в консоль и та нивкакую не хотела заходить. Пришлось крепление подрезать. С центрированием и глубиной магнитолы повезло, ничего подкладывать не пришлось. Один край находился чуть выше второго - помогла пара аккуратных ударов. После установки всех накладок и панелей вовсе незаметно. Ходовые испытания потом. Дырка в консоли закрыта 
_________________ Илья. CARINA E XLI (JPP) SEDAN AT190, 4AFE (STD), 02.1993, МКПП, 742 (зеленовато-голубой жемчуг). Электростеклоподъемники, кондей.
|
|
| Вернуться к началу |
|
 |
|
_JeKa
|
Добавлено: Чт июн 20, 2013 10:37 pm |
|
 |
| Бригадир |
 |
Зарегистрирован: Вс сен 25, 2011 4:39 pm Сообщения: 236 Откуда: Киров Репутация: 1 [ ? ]
Машина: Toyota Carina Е 1.6 седан
Год выпуска: 1997
Двигатель: 4AFE
|
Я делал из нержавейки 1мм.. ножницами резал.. зубилом выдалбливал... напильником обрабатывал. как поставил так и "тишина" стала на ямах... я думал подвеска у меня разбита вся.. как громыхала магнитола )). Потом сделал подвеску стало еще тище.. после стал замечать сверчки в торпеде. Недавно обнаружил что крайний левый нижний крепеж торпеды (уголок) отпал. На выходных прикрутил его на саморез (он там на сварке был) стало еще лучше.. сейчас не дает покоя рулевая колонка... англицкая неразборная  Еще шумно когда окна откроешь да и вообще шумновато от дороги. Вот так все начинается с малого.. а потом хочется тише.. лучше и т.п. А раньше музыку погромче и не слышно ничего ЗЫ: Я сначало не той стороной крепления пытался поставить.. у меня тоже 1 ухо невходило.. потом тока понял что неправильно 
_________________ Toyota Carina E, 4AFE 97г. Англичанка, седан темно-зеленый
|
|
| Вернуться к началу |
|
 |
|
max32
|
Добавлено: Ср июл 03, 2013 2:47 pm |
|
 |
| Заслуженный |
 |
Зарегистрирован: Ср дек 12, 2012 8:30 pm Сообщения: 909 Откуда: Курск Репутация: 35 [ ? ]
Машина: Кашкай
Год выпуска: 2010
Двигатель: 4a-fe lb с52
|
я тоже теперь  крутой, идет установка креплений сделай сам)))
| Вложения: |

IMG_20130703_141652.jpg [ 254.41 КБ | Просмотров: 26501 ]
|
_________________ Группа Карина е в контакте) Мой сарай на драйве Тойота Карина Е универсал, 4а-фе была ЛБ стала СТД!, кпп с52, И Китаец Грейт вол сайлор 491, всепогодный танк)
|
|
| Вернуться к началу |
|
 |
|
Medved
|
Добавлено: Ср июл 03, 2013 3:42 pm |
|
 |
| Заслуженный |
 |
Зарегистрирован: Пт апр 30, 2010 12:41 am Сообщения: 983 Откуда: Украина.Днепр Репутация: 65 [ ? ]
Машина: Carina E
Год выпуска: 1993
Двигатель: 4A-FE,LB
|
|
iron_klg собака была зарыта в английских кронштейнах, для японки конфигурация немного другая. Но доработка напильником спасает.
|
|
| Вернуться к началу |
|
 |
|
lexanderx1
|
Добавлено: Пт авг 23, 2013 12:44 pm |
|
 |
| Бригадир |
Зарегистрирован: Чт май 31, 2012 10:37 am Сообщения: 176 Откуда: Пенза Репутация: 25 [ ? ]
Машина: toyota carina e sedan
Год выпуска: 1996
Двигатель: 3S-FE
|
Прочитал тему от нечего делать и понял как мне повезло с машиной. Магнитола стоит без всяких кронштейнов(за консоль держится). По обычной дороге - тишина(друган со своим проклееным кашкаем завидует),на зубодробительной дороге поскрипывают только центральные воздуховоды, ну а больше всего люк  .
|
|
| Вернуться к началу |
|
 |
|
Medved
|
Добавлено: Пт авг 23, 2013 3:54 pm |
|
 |
| Заслуженный |
 |
Зарегистрирован: Пт апр 30, 2010 12:41 am Сообщения: 983 Откуда: Украина.Днепр Репутация: 65 [ ? ]
Машина: Carina E
Год выпуска: 1993
Двигатель: 4A-FE,LB
|
|
Крепеж шахты за пластик в конце концов весом магнитолы расшатывает центральную панель и она начинает трескатся вот тогда вспомни о кронштейнах. Они крепче чем панель и что самое важное гораздо дешевле.
|
|
| Вернуться к началу |
|
 |
|
markelych
|
Добавлено: Вс окт 20, 2013 6:22 pm |
|
 |
| Наставник |
Зарегистрирован: Вт окт 30, 2012 12:56 pm Сообщения: 77 Откуда: Astana Репутация: 0 [ ? ]
Машина: Carina E GLI
Год выпуска: 1995
Двигатель: 7A-FE LB
|
Пилил сверлил потом бросил все это дело и купил JVC KD X100 весит грамм 200, проблема решена 
|
|
| Вернуться к началу |
|
 |
|
Fritz
|
Добавлено: Вс окт 20, 2013 7:05 pm |
|
 |
| Его именем пора назвать улицу |
 |
Зарегистрирован: Ср сен 26, 2012 8:01 am Сообщения: 1609 Откуда: Заречный, Свердловская обл. Репутация: 22 [ ? ]
Машина: Toyota Carina E, liftback
Год выпуска: 1994
Двигатель: 4A-FE, Bosh
|
у меня так вообще беда, после установки кронштейнов по-другому стала скрипеть центральная консоль - до установки скрипела иногда и только на кочках, а теперь всегда и по ровной дороге центральная консоль издает мерзкие звуки пластмассовой вибрации  . Надо опять разбирать и смотреть. 
|
|
| Вернуться к началу |
|
 |
|
Pavel80
|
Добавлено: Вс ноя 24, 2013 10:07 am |
|
 |
| Инструктор |
 |
Зарегистрирован: Пт ноя 11, 2011 6:00 pm Сообщения: 349 Откуда: Украина Репутация: 15 [ ? ]
Машина: сенс
Год выпуска: 2006
|
я сделал из нержавейки вот такие крепления уехало на Одессу 
_________________ WhatsApp, Viber +380672552920
|
|
| Вернуться к началу |
|
 |
|
Pavel80
|
Добавлено: Пт мар 21, 2014 9:30 pm |
|
 |
| Инструктор |
 |
Зарегистрирован: Пт ноя 11, 2011 6:00 pm Сообщения: 349 Откуда: Украина Репутация: 15 [ ? ]
Машина: сенс
Год выпуска: 2006
|
я могу сделать вот такие! если что пиши 
_________________ WhatsApp, Viber +380672552920
|
|
| Вернуться к началу |
|
 |
|
lexanderx1
|
Добавлено: Чт апр 03, 2014 2:08 pm |
|
 |
| Бригадир |
Зарегистрирован: Чт май 31, 2012 10:37 am Сообщения: 176 Откуда: Пенза Репутация: 25 [ ? ]
Машина: toyota carina e sedan
Год выпуска: 1996
Двигатель: 3S-FE
|
|
| Вернуться к началу |
|
 |
|
Pavel80
|
Добавлено: Чт апр 03, 2014 10:36 pm |
|
 |
| Инструктор |
 |
Зарегистрирован: Пт ноя 11, 2011 6:00 pm Сообщения: 349 Откуда: Украина Репутация: 15 [ ? ]
Машина: сенс
Год выпуска: 2006
|
lexanderx1 писал(а): http://www.exist.ru/price.aspx?pid=BAF016D4&sr=15&Cat=Toyota http://www.exist.ru/price.aspx?pid=CC60 ... Cat=Toyotaне пойму чем они отличаются кроме цены? Pavel80сколько с пересылкой обойдётся? всё ни как железо найти не могу  те что на фото выше могу сделать все отстальное в лычку
_________________ WhatsApp, Viber +380672552920
|
|
| Вернуться к началу |
|
 |
|
Pavel80
|
Добавлено: Сб апр 12, 2014 10:01 pm |
|
 |
| Инструктор |
 |
Зарегистрирован: Пт ноя 11, 2011 6:00 pm Сообщения: 349 Откуда: Украина Репутация: 15 [ ? ]
Машина: сенс
Год выпуска: 2006
|
|
_________________ WhatsApp, Viber +380672552920
|
|
| Вернуться к началу |
|
 |
|
Vilf
|
Добавлено: Вс апр 13, 2014 9:35 am |
|
 |
| Его именем пора назвать улицу |
 |
Зарегистрирован: Ср ноя 10, 2010 11:51 am Сообщения: 1793 Откуда: Казань - 16rus Репутация: 40 [ ? ]
Машина: Toyota carina E , Town Ace '90
Год выпуска: 1996
Двигатель: 7A-FE LB
|
|
"правильные крепления" для магнитолы плохо отполированы)
_________________ Виль
|
|
| Вернуться к началу |
|
 |
|
Pavel80
|
Добавлено: Вс апр 13, 2014 7:27 pm |
|
 |
| Инструктор |
 |
Зарегистрирован: Пт ноя 11, 2011 6:00 pm Сообщения: 349 Откуда: Украина Репутация: 15 [ ? ]
Машина: сенс
Год выпуска: 2006
|
Vilf писал(а): "правильные крепления" для магнитолы плохо отполированы) могу отполировать если есть лишние бабки! 
_________________ WhatsApp, Viber +380672552920
|
|
| Вернуться к началу |
|
 |
|
Kupr_Soft
|
Добавлено: Чт фев 16, 2017 8:05 pm |
|
 |
| Внесен в большую энциклопедию |
 |
Зарегистрирован: Чт июл 21, 2011 9:52 am Сообщения: 2599 Откуда: Питер м.Электросила Репутация: 65 [ ? ]
Машина: Carina-E GLi Лифтбэк
Год выпуска: 1992
Двигатель: 3SFE -> 3SGE Beams 200лс
|
...так я не пойму... дла 2DIN магнитолы, на японку есть номера? или делает кто? 86211-05040 86212-05040 (по экзисту применение только на англичанках CARINA E(UKP)). 86211-20330 86212-20320 (по экзисту применение только на японках CARINA E(JPP))  ...ясненько... так а в итоге эти кронштейны, ДЕРЖАТ 2 дин магнитолы? а так-же ЧТО за разница между ангицкими и японскими? (по фото уже сам понял) на руках есть: (но от чего это? вроде тоже от англичанки... или? подскажите) 86211-05030 86212-05030
|
|
| Вернуться к началу |
|
 |
Кто сейчас на конференции |
Сейчас этот форум просматривают: нет зарегистрированных пользователей и гости: 10 |
|
Вы не можете начинать темы Вы не можете отвечать на сообщения Вы не можете редактировать свои сообщения Вы не можете удалять свои сообщения Вы не можете добавлять вложения
|
|