Сообщения без ответов | Активные темы
|
Страница 1 из 1
|
[ Сообщений: 24 ] |
|
| Автор |
Сообщение |
|
Юрий спб
|
Добавлено: Пт мар 24, 2017 9:39 pm |
|
 |
| Бригадир |
 |
Зарегистрирован: Сб апр 23, 2016 1:25 pm Сообщения: 109 Откуда: Санкт-Петербург Репутация: 0 [ ? ]
Машина: Toyota Carina E/англичанка/
Год выпуска: 1994
Двигатель: 2.0/133 3S-FE
|
|
Двс 3s-fe / датчик стоит в радиаторе в нижним отсеке,имеет два контакта.Реле вентилятора стоитBosh. На реле нет 12 вольт, по схемам биреться то с замка зажигания,то с реле двигателя.так указанно на схеме.Непонятно зачем датчику два контактка. Кондеционера нет и небыло.И от чего питаеться реле вентилятора.Или схемку именно на этот двс.Скачал множество схем и неодна нестыкуеться.Суть проблемы на каких контактах реле что должно быть . У меня только минус.С разьемом вентилятора на реле прозваниваеться.Вентилятор от аккума запускаеться,датчик между двумя контактами звониться накаратко.Отключение разьема от датчика нечего неменяет.Вентилятор запускаеться только от аккума.
|
|
| Вернуться к началу |
|
 |
|
Kupr_Soft
|
Добавлено: Сб мар 25, 2017 12:01 am |
|
 |
| Внесен в большую энциклопедию |
 |
Зарегистрирован: Чт июл 21, 2011 9:52 am Сообщения: 2599 Откуда: Питер м.Электросила Репутация: 65 [ ? ]
Машина: Carina-E GLi Лифтбэк
Год выпуска: 1992
Двигатель: 3SFE -> 3SGE Beams 200лс
|
Юрий спбТут ничего полезного нету? http://www.carina-e.ru/viewtopic.php?f= ... 4&start=75я только для А моторов нашёл: http://avtosteh.ru/dvigatel_toyota_4a_f ... yator.htmlвот нарыл чота:Сначала смотрим, что входит в цепь электрической схемы вентилятора охлаждения. 1. Аккумулятор 2.Замок зажигания 3.Главное реле двигателя 4.Реле вентилятора системы охлаждения. 5.Вентилятор системы охлаждения 6. Тепловой выключатель вентилятора(расположен на крышке термостата на двигатели 7 и 4 A-FE или на нижнем бачке радиатора для 3S-FE,GE)7. Клеммы и провода, а так же предохранители, четыре штуки. Прямой предохранитель, более ни на что не завязан, стоит в цепи между реле (может их быть два,в зависимости от типа движка) F38 и F39 на 30 ампер находятся в коробке в моторном отсеке. И дополнительные предохранители, обслуживающие и другие цепи, так F43 на 100 ампер на систему зарядки аккумулятора, находится в той же коробке. F35 на 40 ампер и F5 на 10 ампер, находятся в коробке в пассажирском салоне слева под торпедой. Ну а теперь все становится просто. Первый шаг - проверить все предохранители. Найденный перегоревший даст ответ. Второй шаг - щелкает ли реле номер 4 по нашему списку. Итак все предохранители целы, реле щелкает. Проверяем элементы и цепи. Работает ли вентилятор, если к его отсоединенной клемме подать бортовое питание, это обычный электромотор на 12 вольт.(правда не стоит этого делать без предохранителя на 30 ампер) возможно в вентиляторе коротыш. Проверяем тепловой выключатель, он просто замыкает схему на массу при срабатывании от температуры, как в электро чайнике или утюге, лишь замыкает и вся разница с бытовухой. Вот только проверять его муторно, надо слить охл жидк, вывернуть его из крышки термостата или нижнего бачка радиатора, опустить термочувствительный конец выключателя в емкость с холодной водой, подключить к клеммам омметр, опустить термометр в емкость и нагревать воду. Как только омметр закоротит, замерить температуру и сравнить ее с нужной (до 83 градусов омметр показывает бесконечность, от 83 до 93 рабочая зона в которой допустимо срабатывание выключателя, выше 93 градусов - ноль ом)Если выключатель работает в другом диапазоне - он не годится. Вентилятор автономно крутит, датчик в рабочем состоянии. Тогда берем тестер и проверяем все клеммы и проводку. Вероятность выхода из строя замка зажигания и главного реле в части контактов на эту цепь. Вжик, что то много получилось, может в сервис и проще, ну хотя бы после предохранителей? А может и вообще вопрос о вентиляторе под печкой из системы вентиляции и обогрева салона? Как то не корректно он назван вентилятором кондиционирования. https://fauto.otzyv.ru/read.php?id=836
|
|
| Вернуться к началу |
|
 |
|
Юрий спб
|
Добавлено: Сб мар 25, 2017 9:12 am |
|
 |
| Бригадир |
 |
Зарегистрирован: Сб апр 23, 2016 1:25 pm Сообщения: 109 Откуда: Санкт-Петербург Репутация: 0 [ ? ]
Машина: Toyota Carina E/англичанка/
Год выпуска: 1994
Двигатель: 2.0/133 3S-FE
|
|
По пунктам.Реле вентилятора рабочие.Датчик вентилятора прозвонил два контакта между собой замыкаються.Ветилятор работает подключали на прямую к аккуму.Цепь плюс от реле вентилятора к вентилятора ,прозвонил все приходит. Остаеться одно, почему нет 12 вольт на реле вентилятора, и когда оно должно появиться.Какие напруги должны быть на контактах реле. так понимаю 12 вольт идет с главного реле двигателя,в одном положение минус а при включении реле двигателя должно появиться плюс на реле вентилятора.Предохранители в моторном отсеке все проверенны.Непроверен предох. в салоне. Итог надо проверить предох.в салоне и реле главное двигателя. И непонял всетаки по реле вентилятора,что на нем должно быть постоянно.И еще куда идут провода от датчика вентилятора, на схеме одно а по факту провода идут в какуюто хрень около правой фары,может в косу проводки,тоже непонятно.Схемка чтото близко,но несовсем. И как понимаю на реле вентилятора 12 в должно быть постоянно,и минус постоянно.Реле включенно контакты разомкнуты и 12в неприходит на вентилятор.При отключении датчика вентилятора пропадает минус и реле замыкаеться и 12в приходит на вентилятор.И он запускаеться. Но 12 вольт нет на реле.И поправти 12 в идет с реле двигателя или нет.Откуда можно запитать реле вентилятора/
| Вложения: |

17-4A_EF_GE.jpg [ 16.28 КБ | Просмотров: 13361 ]
|
|
|
| Вернуться к началу |
|
 |
|
Okarin
|
Добавлено: Ср мар 29, 2017 6:05 pm |
|
 |
| Состоявшийся |
 |
Зарегистрирован: Ср фев 08, 2017 2:38 am Сообщения: 68 Откуда: Санкт Петербург Репутация: 0 [ ? ]
Машина: Toyota Corolla
Год выпуска: 1992
Двигатель: 1.6
|
 я не очень вник в поток букв но вроде суть уловил  вам непонятно почему нету +12в на реле вентилятора (если вы не в состояние проверить цепь то рекомендую аккуратно отрезать и заизолировать этот совой + и через предохранитель 25а протянуть с акб провод сечением не меньше 1.5 квадрата до реле
|
|
| Вернуться к началу |
|
 |
|
Юрий спб
|
Добавлено: Ср мар 29, 2017 10:24 pm |
|
 |
| Бригадир |
 |
Зарегистрирован: Сб апр 23, 2016 1:25 pm Сообщения: 109 Откуда: Санкт-Петербург Репутация: 0 [ ? ]
Машина: Toyota Carina E/англичанка/
Год выпуска: 1994
Двигатель: 2.0/133 3S-FE
|
|
У меня на реле вентилятора,нет два плюса.Один плюс сидит постоянно,другой идет на контакт реле.Это все ясно,и откуда тоже понятно откуда.И вообще непонятно подаю плюс на вентилятор постоянно от аккума,земля сидит постоянно.При повороте замка зажигания вентилятор останавливаеться, это непонятно.Если плюс сидит от аккума.Земля постоянно сидит на корпусе.вот загадка.
|
|
| Вернуться к началу |
|
 |
|
Юрий спб
|
Добавлено: Ср мар 29, 2017 10:24 pm |
|
 |
| Бригадир |
 |
Зарегистрирован: Сб апр 23, 2016 1:25 pm Сообщения: 109 Откуда: Санкт-Петербург Репутация: 0 [ ? ]
Машина: Toyota Carina E/англичанка/
Год выпуска: 1994
Двигатель: 2.0/133 3S-FE
|
|
ошибочно.
Последний раз редактировалось Юрий спб Пт мар 31, 2017 12:48 pm, всего редактировалось 1 раз.
|
|
| Вернуться к началу |
|
 |
|
Okarin
|
Добавлено: Чт мар 30, 2017 1:00 am |
|
 |
| Состоявшийся |
 |
Зарегистрирован: Ср фев 08, 2017 2:38 am Сообщения: 68 Откуда: Санкт Петербург Репутация: 0 [ ? ]
Машина: Toyota Corolla
Год выпуска: 1992
Двигатель: 1.6
|
|
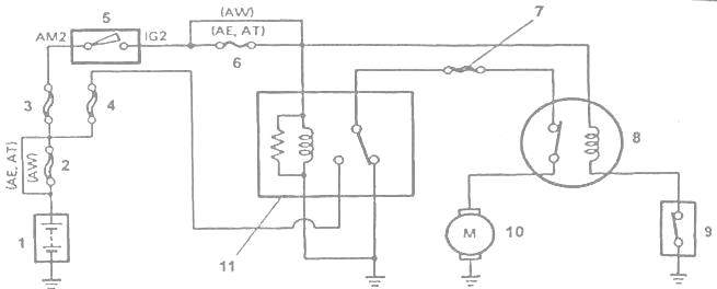
вы свою схему то видели на ней реле номер 11 до его активации будет подавать землю на реле 8
и реле работает так на него идёт + на контакты 30 и 85(86) и 86(85) подаётся земля для того чтобы пропустить силовой вход с 30 на 87
как и откуда и что у вас собрано я не знаю я не экстросенс но я говорю про схему которую дали
|
|
| Вернуться к началу |
|
 |
|
Юрий спб
|
Добавлено: Пт мар 31, 2017 12:53 pm |
|
 |
| Бригадир |
 |
Зарегистрирован: Сб апр 23, 2016 1:25 pm Сообщения: 109 Откуда: Санкт-Петербург Репутация: 0 [ ? ]
Машина: Toyota Carina E/англичанка/
Год выпуска: 1994
Двигатель: 2.0/133 3S-FE
|
|
Цепь. Замок зажигания.реле двигателя/11/ реле вентилятора/8/ датчик на радиаторе.Предохранители.Весь набор который участвует в запкске и остановки вентилятора.Но почему у датчика на радиаторе два контактка и для чего.
|
|
| Вернуться к началу |
|
 |
|
alexrotor
|
Добавлено: Пт мар 31, 2017 1:02 pm |
|
 |
| Внесен в большую энциклопедию |
 |
Зарегистрирован: Сб фев 12, 2011 11:09 am Сообщения: 2115 Откуда: Нижегородская область УРЕНЬ Репутация: 78 [ ? ]
Машина: LEXUS GS300
Год выпуска: 2008
Двигатель: 3GRFSE
|
Юрий спб писал(а): .Но почему у датчика на радиаторе два контактка и для чего. Если бы датчик был вкручен в металлическую деталь, которая замкнута на массу, тогда хватило бы одного контакта, здесь же датчик в пластике, соответственно что бы датчик включил реле нужно два провода.
_________________ 89108943598Я на DRIVE2 
|
|
| Вернуться к началу |
|
 |
|
Юрий спб
|
Добавлено: Сб апр 01, 2017 3:53 pm |
|
 |
| Бригадир |
 |
Зарегистрирован: Сб апр 23, 2016 1:25 pm Сообщения: 109 Откуда: Санкт-Петербург Репутация: 0 [ ? ]
Машина: Toyota Carina E/англичанка/
Год выпуска: 1994
Двигатель: 2.0/133 3S-FE
|
|
alexrotor. Спасибо за ответ.Теперь дошло, минус идет через контакт датчика и замыкает на другой контакт датчика.датчик замкнут вент.Некрутиться.
|
|
| Вернуться к началу |
|
 |
|
andron58
|
Добавлено: Сб апр 01, 2017 4:50 pm |
|
 |
| На доске почета |
 |
Зарегистрирован: Ср дек 30, 2015 12:24 pm Сообщения: 1375 Откуда: Московская обл. г. Истра Репутация: 32 [ ? ]
Машина: TOYOTA CARINA E
Год выпуска: 1997
Двигатель: 4A-FE STD Denso
|
|
Не могу судить о 3S,у нас на 4А датчик вентилятора срабатывает НА РАЗМЫКАНИЕ,если с тестером знаком-встань на контакты датчика-что там? Если на одном 0,на другом +12-датчик разомкнут,если на обоих +12-где-то нет земли,но тогда вентилятор должен крутиться. И ещё такой эксперимент-на заведённом движке скинуть фишку с датчика-что будет? Если ноль эффекта,взять проводок,прикрутить к "-" аккумулятора и поочерёдно касаться контактов в разъёме датчика,должно что-то измениться. Если ничего не мнеяется-плавно переползать с тестером к реле вентилятора-что там?
_________________ Андрей Карина-Е 1997г.р. седан,англичанка,владел с декабря 2015 г. по июль 2023 г., продана.
|
|
| Вернуться к началу |
|
 |
|
Юрий спб
|
Добавлено: Вс апр 02, 2017 6:59 pm |
|
 |
| Бригадир |
 |
Зарегистрирован: Сб апр 23, 2016 1:25 pm Сообщения: 109 Откуда: Санкт-Петербург Репутация: 0 [ ? ]
Машина: Toyota Carina E/англичанка/
Год выпуска: 1994
Двигатель: 2.0/133 3S-FE
|
|
Полазил реле повытаскивал, подовал на вентилятор от аккума. мультиметром потыкал по контактам.Теперь вентилятор постоянно работает,только стоит повернуть зажигание и он включаеться.И неначто нереагирует.Дачик замкнут постоянно.так и должно быть.Плюс на реле должен постоянно висеть.Реле вентилятора несрабатывает,значит неприходит плюс на катушку. или нет минуса на катушке. Если вентилятор работает значит реле замкнута/без питания реле контакты замкнуты/ так как при отключеннии датчика нечего неменяеться,значит неприходит плюс на контакт реле 86/у меня bosh.И еще по датчику на 3s-fe датчик постоянно замкнут держит его биметалл,как нагреваеться датчик отпускает пластину и контакты размыкаються.Пропадает минус на реле ,и реле замыкаеться и появляеться плюс на реле.
|
|
| Вернуться к началу |
|
 |
|
Юрий спб
|
Добавлено: Вт апр 04, 2017 11:39 am |
|
 |
| Бригадир |
 |
Зарегистрирован: Сб апр 23, 2016 1:25 pm Сообщения: 109 Откуда: Санкт-Петербург Репутация: 0 [ ? ]
Машина: Toyota Carina E/англичанка/
Год выпуска: 1994
Двигатель: 2.0/133 3S-FE
|
|
Понял уже давно.Чтото до меня наколхозили.Надо найти чего нет на реле вентилятора.если минуса тогда от датчика кину,если плюса нет,броша с контакта реле который приходит постоянно от замка.
|
|
| Вернуться к началу |
|
 |
|
Юрий спб
|
Добавлено: Вт апр 04, 2017 11:32 pm |
|
 |
| Бригадир |
 |
Зарегистрирован: Сб апр 23, 2016 1:25 pm Сообщения: 109 Откуда: Санкт-Петербург Репутация: 0 [ ? ]
Машина: Toyota Carina E/англичанка/
Год выпуска: 1994
Двигатель: 2.0/133 3S-FE
|
|
Кинул на датчик вентилятора на контакт который идет на реле. небыло минуса на катушке реле.И все зарабатоло. Тему можно закрывать.
|
|
| Вернуться к началу |
|
 |
|
Юрий спб
|
Добавлено: Ср апр 05, 2017 11:00 am |
|
 |
| Бригадир |
 |
Зарегистрирован: Сб апр 23, 2016 1:25 pm Сообщения: 109 Откуда: Санкт-Петербург Репутация: 0 [ ? ]
Машина: Toyota Carina E/англичанка/
Год выпуска: 1994
Двигатель: 2.0/133 3S-FE
|
|
Вентилятор начил работать как и положенно.При отключенни разьема с датчика,вентилятор включаеться. Причина в окисленных контактах и небыло минуса на реле.Также и при повышении температуры до красной черты,включаеться ветилятор.Помоему все описал, нормально.Мне так кажеться.
|
|
| Вернуться к началу |
|
 |
|
alexrotor
|
Добавлено: Ср апр 05, 2017 11:23 am |
|
 |
| Внесен в большую энциклопедию |
 |
Зарегистрирован: Сб фев 12, 2011 11:09 am Сообщения: 2115 Откуда: Нижегородская область УРЕНЬ Репутация: 78 [ ? ]
Машина: LEXUS GS300
Год выпуска: 2008
Двигатель: 3GRFSE
|
Юрий спб писал(а): повышении температуры до красной черты,включаеться ветилятор Вентилятор должен включаться при положении стрелки примерно по середине. Когда дойдет до красной антифриз уже кипит обычно.
_________________ 89108943598Я на DRIVE2 
|
|
| Вернуться к началу |
|
 |
|
ALEX-72
|
Добавлено: Ср апр 05, 2017 12:12 pm |
|
 |
| Герой былин народных |
 |
Зарегистрирован: Пн сен 30, 2013 7:47 am Сообщения: 3890 Откуда: Тюмень Репутация: 123 [ ? ]
Машина: Carina E Sedan
Год выпуска: 1993
Двигатель: 7A-FE STD теперь АКПП :-)
|
Юрий спб писал(а): при повышении температуры до красной черты,включаеться ветилятор. alexrotor писал(а): должен включаться при положении стрелки примерно по середине. Тут уже по-моему с приборкой надо разбираться 
_________________ Алексей.
|
|
| Вернуться к началу |
|
 |
|
andron58
|
Добавлено: Ср апр 05, 2017 12:31 pm |
|
 |
| На доске почета |
 |
Зарегистрирован: Ср дек 30, 2015 12:24 pm Сообщения: 1375 Откуда: Московская обл. г. Истра Репутация: 32 [ ? ]
Машина: TOYOTA CARINA E
Год выпуска: 1997
Двигатель: 4A-FE STD Denso
|
М-да,стиль у автора поста ещё тот.....Я долго переводил на русский!  Вообще-то,надо в подкапотных соединениях разобраться,если один закис,значит,соседи тоже могут глючить. А красная черта-это перебор! Как можно так искусственно довести до перегрева? Либо циркуляция через радиатор вялая,либо одно из двух! 
_________________ Андрей Карина-Е 1997г.р. седан,англичанка,владел с декабря 2015 г. по июль 2023 г., продана.
|
|
| Вернуться к началу |
|
 |
|
Юрий спб
|
Добавлено: Ср апр 05, 2017 3:02 pm |
|
 |
| Бригадир |
 |
Зарегистрирован: Сб апр 23, 2016 1:25 pm Сообщения: 109 Откуда: Санкт-Петербург Репутация: 0 [ ? ]
Машина: Toyota Carina E/англичанка/
Год выпуска: 1994
Двигатель: 2.0/133 3S-FE
|
|
Про красную черту это конечно перебор,написал особо неподумал. Хотя можно и это проделать. Но вы говорите на середине должен вентилятор работать,из области фонтастики.У меня вообще вентилятор некогда невключался . И температура всегда стояла на середине.Я незнал что такое кипеть и поднятие стрелки выше середины.А вентилятор неработал некогда. И еще М-да,стиль у автора поста ещё тот.....Я долго переводил на русский. Таких людей непонимал и непонимаю.Нечего несказать,а свои три копейки вставить.Как говорил один юморист,нехочешь нюхать запах,........
|
|
| Вернуться к началу |
|
 |
|
Юрий спб
|
Добавлено: Ср апр 05, 2017 3:32 pm |
|
 |
| Бригадир |
 |
Зарегистрирован: Сб апр 23, 2016 1:25 pm Сообщения: 109 Откуда: Санкт-Петербург Репутация: 0 [ ? ]
Машина: Toyota Carina E/англичанка/
Год выпуска: 1994
Двигатель: 2.0/133 3S-FE
|
|
Сначало небыло и плюса на реле/катушки.Я ведь небуду писать,типа потом х..... знает откуда оно появилось.И пишет подкопатом,незнает а пишет.Коса от датчика вентилятора идет сверху телевизора около радиатора.И приходит на блок реле. Около правый фары есть колодка с разьемом это цепи,которую пробовал снять,неполучилось.Мне некто про это даже ненамекнул. Сто процентов что в этой колодки и потерялся минус реле/катушки/
|
|
| Вернуться к началу |
|
 |
|
andron58
|
Добавлено: Ср апр 05, 2017 3:49 pm |
|
 |
| На доске почета |
 |
Зарегистрирован: Ср дек 30, 2015 12:24 pm Сообщения: 1375 Откуда: Московская обл. г. Истра Репутация: 32 [ ? ]
Машина: TOYOTA CARINA E
Год выпуска: 1997
Двигатель: 4A-FE STD Denso
|
Юрий спбА телевизор разве не под капотом? Не знал бы-не писал. Мне кажется,я достаточно ясно изложил методику. Нет желания прислушаться-Ваша воля. А опускаться до оскорблений про запах и всё такое.... Художника каждый обидеть может. 
_________________ Андрей Карина-Е 1997г.р. седан,англичанка,владел с декабря 2015 г. по июль 2023 г., продана.
|
|
| Вернуться к началу |
|
 |
|
Страница 1 из 1
|
[ Сообщений: 24 ] |
|
Кто сейчас на конференции |
Сейчас этот форум просматривают: нет зарегистрированных пользователей и гости: 4 |
|
Вы не можете начинать темы Вы не можете отвечать на сообщения Вы не можете редактировать свои сообщения Вы не можете удалять свои сообщения Вы не можете добавлять вложения
|
|