Сообщения без ответов | Активные темы
|
Страница 1 из 1
|
[ Сообщений: 19 ] |
|
| Автор |
Сообщение |
|
S.Sherbina87
|
Добавлено: Вт май 12, 2020 9:51 pm |
|
 |
| Практикант |
 |
Зарегистрирован: Пн май 11, 2020 9:12 pm Сообщения: 8 Откуда: Одесса Репутация: 0 [ ? ]
Машина: Toyota Carina E
Год выпуска: 1993
Двигатель: D
|
|
Добрый вечер. У меня проблема появилась, когда машина стоит неделю никуда не ездит,аккамулятор розряжается(стоит 75-ка), Проверил дает ли зарядку генератор,на холостых 11,6 дает, обороты прибавляю 12,6 и выше но только при оборотах. Что это может быть???
_________________ Сергей Щербина
Жизнь там где чистый воздух...
|
|
| Вернуться к началу |
|
 |
|
=aleks=
|
Добавлено: Вт май 12, 2020 10:04 pm |
|
 |
| Инструктор |
Зарегистрирован: Пн окт 17, 2011 5:45 pm Сообщения: 338 Откуда: Украина Харьков Репутация: 5 [ ? ]
Машина: carina-е 93г
Год выпуска: 1993
Двигатель: 1.6 4A-FE LB
|
S.Sherbina87 писал(а): Добрый вечер. У меня проблема появилась, когда машина стоит неделю никуда не ездит,аккамулятор розряжается(стоит 75-ка), Проверил дает ли зарядку генератор,на холостых 11,6 дает, обороты прибавляю 12,6 и выше но только при оборотах. Что это может быть??? это значит нет заряда!! 13.8 -14 в должно быть!!
|
|
| Вернуться к началу |
|
 |
|
S.Sherbina87
|
Добавлено: Вт май 12, 2020 10:06 pm |
|
 |
| Практикант |
 |
Зарегистрирован: Пн май 11, 2020 9:12 pm Сообщения: 8 Откуда: Одесса Репутация: 0 [ ? ]
Машина: Toyota Carina E
Год выпуска: 1993
Двигатель: D
|
Цитата: это значит нет заряда!! 13.8 -14 в должно быть!! под замену генератор? или есть какие то воз можные ремонты?
_________________ Сергей Щербина
Жизнь там где чистый воздух...
|
|
| Вернуться к началу |
|
 |
|
Azamat_630
|
Добавлено: Вт май 12, 2020 10:08 pm |
|
 |
| Летописец |
 |
Зарегистрирован: Сб мар 07, 2015 10:54 am Сообщения: 4620 Откуда: Адыгея Репутация: 90 [ ? ]
Машина: Toyota Carina E, Cедан,BEMNKW
Год выпуска: 1997
Двигатель: 4A-FE Std,Bosch Motronic
|
S.Sherbina87Неисправен генератор, возможно щётки износились, какая-то обмотка неисправна, диодный мост, регулятор напряжения, даже недостаточно натянут ремень... Добавлено спустя 1 минуту 11 секунд:S.Sherbina87 писал(а): под замену генератор? или есть какие то возвожные ремонты? Ремонтируется всё, главное точную причину неисправности найти.
_________________ Судьбы неведомое и загадочное завтра...
|
|
| Вернуться к началу |
|
 |
|
S.Sherbina87
|
Добавлено: Вт май 12, 2020 10:12 pm |
|
 |
| Практикант |
 |
Зарегистрирован: Пн май 11, 2020 9:12 pm Сообщения: 8 Откуда: Одесса Репутация: 0 [ ? ]
Машина: Toyota Carina E
Год выпуска: 1993
Двигатель: D
|
Цитата: Ремонтируется всё, главное точную причину неисправности найти. спасибо.
_________________ Сергей Щербина
Жизнь там где чистый воздух...
|
|
| Вернуться к началу |
|
 |
|
viktor y
|
Добавлено: Пт май 22, 2020 7:59 pm |
|
 |
| Наставник |
Зарегистрирован: Сб окт 07, 2017 7:13 pm Сообщения: 90 Откуда: Ставрополь Репутация: 0 [ ? ]
Машина: Toyota Carina E седан 2.0 TD
Год выпуска: 1996
Двигатель: 2С
|
|
Вот у меня похожая проблема.Акб новый. Езжу полтора месяца и бац,разрядился! Езжу на короткие расстояния,подозрение еще на плохо прикрученую клемму (болталась малось) .АКБ сел на работе,при замере показывал 12.5 вольт,но при попытке завестись,напруга падала до 9 вольт. Поставил АКБ с другой машины.завелась. Но после некоторых манипуляций,типа дерганье за проводки всякие,начало щелкать реле поворотников и мигать на приборке всякие лампочки!!! под капотом одна релешка горячая стала! сейчас попробую прикрепить фотку. релешка зеленая(которая горячая)
Добавлено спустя 8 минут 17 секунд: и еще,где найти схему электрооборудования карина-е дизель! 1996год.. Не знаю где какие расположены релюшки и предохранители и за что они отвечают. Книгу скачал,но там маленькая схемка по системе зажигания и кажется по системе охлаждения.
| Вложения: |

123.jpg [ 35 КБ | Просмотров: 9993 ]
|
|
|
| Вернуться к началу |
|
 |
|
Череп
|
Добавлено: Сб май 23, 2020 4:21 pm |
|
 |
| Герой былин народных |
Зарегистрирован: Сб янв 18, 2014 7:59 pm Сообщения: 3546 Откуда: Таганрог Репутация: 58 [ ? ]
Машина: Toyota Carina-E
Год выпуска: 1996
Двигатель: 1.6LB
|
На крышках блоков предохранителей все написано, какой пред что предохраняет. viktor y писал(а): под капотом одна релешка горячая стала! сейчас попробую прикрепить фотку. релешка зеленая(которая горячая) На крышке блока реле что написано? Добавлено спустя 2 минуты 8 секунд:viktor y писал(а): после некоторых манипуляций,типа дерганье за проводки всякие,начало щелкать реле поворотников и мигать на приборке всякие лампочки! Значит, доставайте проводку и ищите где протерлась изоляция. Возможно в проводке побывали калхоз-электрики, что-нибудь спалили.
_________________ В третий раз купил старик Toyota Carina-E...
|
|
| Вернуться к началу |
|
 |
|
viktor y
|
Добавлено: Сб май 23, 2020 6:10 pm |
|
 |
| Наставник |
Зарегистрирован: Сб окт 07, 2017 7:13 pm Сообщения: 90 Откуда: Ставрополь Репутация: 0 [ ? ]
Машина: Toyota Carina E седан 2.0 TD
Год выпуска: 1996
Двигатель: 2С
|
Цитата: На крышках блоков предохранителей все написано, какой пред что предохраняет.
На крышке блока реле что написано?
на крышке не прочитал,а на релешке написано 20А... и еще-сегодня поставил заряженный АКБ щелк ключом и напруга упала до 6 вольт! Может банка АКБ? Я его один раз уже садил до нуля.Позже сосед приедет,я с его АКБ попробую завестись.Тогда более ясно все будет
|
|
| Вернуться к началу |
|
 |
|
Azamat_630
|
Добавлено: Сб май 23, 2020 6:39 pm |
|
 |
| Летописец |
 |
Зарегистрирован: Сб мар 07, 2015 10:54 am Сообщения: 4620 Откуда: Адыгея Репутация: 90 [ ? ]
Машина: Toyota Carina E, Cедан,BEMNKW
Год выпуска: 1997
Двигатель: 4A-FE Std,Bosch Motronic
|
viktor y писал(а): Может банка АКБ? Если банка то такого напряжения viktor y писал(а): при замере показывал 12.5 вольт не будет. viktor yКопируйте и цитируйте необходимое для понятия смысла.viewtopic.php?f=3&t=13916
_________________ Судьбы неведомое и загадочное завтра...
|
|
| Вернуться к началу |
|
 |
|
viktor y
|
Добавлено: Сб май 23, 2020 9:08 pm |
|
 |
| Наставник |
Зарегистрирован: Сб окт 07, 2017 7:13 pm Сообщения: 90 Откуда: Ставрополь Репутация: 0 [ ? ]
Машина: Toyota Carina E седан 2.0 TD
Год выпуска: 1996
Двигатель: 2С
|
|
Азамат спасибо за ссылку. может мне кто подскажет что и как проверять..с чего начать?поэтапно. а то я не особо шарю в этом. Буду очень благодарен!
|
|
| Вернуться к началу |
|
 |
|
Мурат1623
|
Добавлено: Сб май 23, 2020 11:52 pm |
|
 |
| Его именем пора назвать улицу |
 |
Зарегистрирован: Сб мар 08, 2014 12:15 pm Сообщения: 1859 Откуда: Регион 11 Репутация: 23 [ ? ]
Машина: Carina E седан цвет 746
Год выпуска: 1997
Двигатель: 4A-FE БОШ
|
viktor y писал(а): щелк ключом и напруга упала до 6 вольт! Напрягу на акб (свинцовые контакты) проверяли?
_________________ Ничто и ничего на земле не исчезает,просто в какой-то момент исчезнувшее переходит в другое состояние. My words.. ........................................
|
|
| Вернуться к началу |
|
 |
|
Azamat_630
|
Добавлено: Вс май 24, 2020 9:41 am |
|
 |
| Летописец |
 |
Зарегистрирован: Сб мар 07, 2015 10:54 am Сообщения: 4620 Откуда: Адыгея Репутация: 90 [ ? ]
Машина: Toyota Carina E, Cедан,BEMNKW
Год выпуска: 1997
Двигатель: 4A-FE Std,Bosch Motronic
|
viktor y писал(а): на крышке не прочитал,а на релешке написано 20А.. Почитайте, возможно реле подогреватель топлива, я в дизелях не силён. Вариантов много, реле, контакты проводки снизу на плате, сам подогреватель, и т.д. Добавлено спустя 1 минуту 1 секунду:viktor y писал(а): поставил заряженный АКБ щелк ключом и напруга упала до 6 вольт! Бывает ещё неисправный стартер бёрёт очень большой ток. Добавлено спустя 3 минуты 15 секунд:viktor y писал(а): кто подскажет что и как проверять..с чего начать?поэтапно. а то я не особо шарю в этом. Если в электрике не шарите, лучше обратитесь к профи. В той проблеме что Вы описываете можно нанести больше вреда.
| Вложения: |

Скриншот 24-05-2020 083748.jpg [ 60.62 КБ | Просмотров: 9839 ]
|
_________________ Судьбы неведомое и загадочное завтра...
|
|
| Вернуться к началу |
|
 |
|
Azamat_630
|
Добавлено: Вс май 24, 2020 10:49 am |
|
 |
| Летописец |
 |
Зарегистрирован: Сб мар 07, 2015 10:54 am Сообщения: 4620 Откуда: Адыгея Репутация: 90 [ ? ]
Машина: Toyota Carina E, Cедан,BEMNKW
Год выпуска: 1997
Двигатель: 4A-FE Std,Bosch Motronic
|
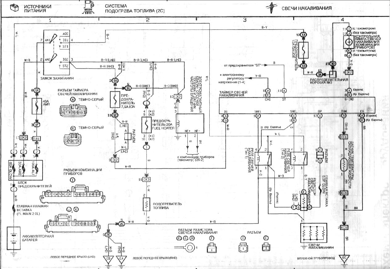
viktor y писал(а): где найти схему электрооборудования карина-е дизель! 1996год.. Держи
| Вложения: |

Скриншот 24-05-2020 094832.jpg [ 601.1 КБ | Просмотров: 9829 ]
|
_________________ Судьбы неведомое и загадочное завтра...
|
|
| Вернуться к началу |
|
 |
|
viktor y
|
Добавлено: Вс май 24, 2020 7:51 pm |
|
 |
| Наставник |
Зарегистрирован: Сб окт 07, 2017 7:13 pm Сообщения: 90 Откуда: Ставрополь Репутация: 0 [ ? ]
Машина: Toyota Carina E седан 2.0 TD
Год выпуска: 1996
Двигатель: 2С
|
Напрягу на акб (свинцовые контакты) проверяли? совершенно верно!!! банки целые.а вот контакты сами (бабышки свинцовые).типа,внутри контакты пропали! говорят заводской брак. короче.сдал старый ,купил новый. С пол пинка завдится!!!! Добавлено спустя 2 минуты:Азамату отдельное спасибо,за то -что он всегда пытается выручить,и тему не сбрасывает! Добавлено спустя 9 минут 4 секунды:Azamat_630  но незнаю как твою репутацию повысить(подскажи как!
|
|
| Вернуться к началу |
|
 |
|
Azamat_630
|
Добавлено: Вс май 24, 2020 9:41 pm |
|
 |
| Летописец |
 |
Зарегистрирован: Сб мар 07, 2015 10:54 am Сообщения: 4620 Откуда: Адыгея Репутация: 90 [ ? ]
Машина: Toyota Carina E, Cедан,BEMNKW
Год выпуска: 1997
Двигатель: 4A-FE Std,Bosch Motronic
|
viktor y писал(а): банки целые.а вот контакты сами (бабышки свинцовые).типа,внутри контакты пропали! говорят заводской брак. короче.сдал старый ,купил новый. С пол пинка завдится!!!!
Вот и хорошо что разобрался  . Добавлено спустя 1 минуту 45 секунд:viktor y писал(а): под капотом одна релешка горячая стала! А реле сейчас как себя ведёт, не греется? Добавлено спустя 3 минуты 34 секунды:viktor y писал(а): Азамату отдельное спасибо Незачто  , тут и без меня разобрался  , честно говоря такой брак в аккумуляторах я и не встречал, его разве перед продажей не проверяли нагрузочной вилкой  ?
_________________ Судьбы неведомое и загадочное завтра...
|
|
| Вернуться к началу |
|
 |
|
viktor y
|
Добавлено: Ср май 27, 2020 8:24 pm |
|
 |
| Наставник |
Зарегистрирован: Сб окт 07, 2017 7:13 pm Сообщения: 90 Откуда: Ставрополь Репутация: 0 [ ? ]
Машина: Toyota Carina E седан 2.0 TD
Год выпуска: 1996
Двигатель: 2С
|
А реле сейчас как себя ведёт, не греется? греется((( хотя завтра еще посмотрю.Дело в том,что старая клемма(минус) малость болталась..сегодня новые клеммы купил и поставил и еще вольтметр провел от прикуривателя в салон..завтра посмотрю,отпишусь. Незачто  , тут и без меня разобрался  , честно говоря такой брак в аккумуляторах я и не встречал, его разве перед продажей не проверяли нагрузочной вилкой  ? я сам такого не видел. но :чудеса: встречаются!)) А вот самый интересный факт!-наконец таки разобрался с тахометром,совершенно случайно. Увидел что с тнвд(там где подключается тахометр) выходят три провода.Они соединяются штекером,а вот после штекера один проводок переломился.Я его подчинил и самое интересное ,машина перестала по утрам троить и дымить(мин 5 примерно троила) Как так ? причем здесь провод от тахометра?как он мог повлиять?
|
|
| Вернуться к началу |
|
 |
|
пермяк
|
Добавлено: Чт май 28, 2020 3:57 am |
|
 |
| На доске почета |
 |
Зарегистрирован: Вс июн 26, 2011 10:47 am Сообщения: 1005 Откуда: Пермь - Закамск Репутация: 25 [ ? ]
Машина: Carina E Liftback
Год выпуска: 1996
Двигатель: 4A-FE Bosch
|
|
viktor y из 3 проводов на тнвд 2 для работы тахометра, а оставшийся включает электроклапан подачи топлива в распределителе. вот он и подгнил, поэтому и троила.
Добавлено спустя 24 минуты 50 секунд: Теперь про падение напряжения на клеммах аккума: первые 6-9 секунд идет нагрев свечей накала. схема подключения м.б. разной, в зависимости от типа свечей: через ПОСЛЕДОВАТЕЛЬНОЕ включение вцепь накала т.н. воздушной свечи, а по книжному нагрузочного резистора, так и без него. резистор выполняет две функции: защищает свечи от перегрева и выхода из строя и подогрева воздуха, попадающего во впускной коллектор. За первичный накал отвечает первое реле накала. сопротивление свечей накала и воздушной свечи очень мало и при неправильном подключении воздушной свечи возможна серьезная просадка напряжения на аккуме. После срабатывает 2 режим подогрева свечей накала. питание идет уже со стороны воздушной свечи и равна половине начального режима. Так что советую просмотреть внимательно соединения в районе воздушной свечи, реле накала 1 режима, и проводку от 2 реле накала. иначе и 2 аккум быстро уйдет в аут, учитывая, что они сейчас все кальциевые и боятся глубокого разряда в отличие от старых силуминовых. Ну вот так, как-то...
_________________ Carina 2 3s-бенз. 1992г. 2000см2 133л.с. л.руль, красный лифт Carina 2 2C-diezel 1990г. 2000cm2 93 л.с. л.руль, красный седан Hi-ACE 2L-дизель 1991г. 2448см2 98,9 л.с. пр.руль, белая - т.Ася LH80-MDLT
|
|
| Вернуться к началу |
|
 |
|
Страница 1 из 1
|
[ Сообщений: 19 ] |
|
Кто сейчас на конференции |
Сейчас этот форум просматривают: нет зарегистрированных пользователей и гости: 14 |
|
Вы не можете начинать темы Вы не можете отвечать на сообщения Вы не можете редактировать свои сообщения Вы не можете удалять свои сообщения Вы не можете добавлять вложения
|
|