Сообщения без ответов | Активные темы
| Автор |
Сообщение |
|
MerTV
|
Добавлено: Ср апр 29, 2009 10:20 am |
|
 |
| У него свой шкафчик в раздевалке |
 |
Зарегистрирован: Ср июл 16, 2008 9:35 am Сообщения: 7416 Откуда: Нижний Новгород Репутация: 358 [ ? ]
Машина: Тойота Ками. Мелкий проходимец
Год выпуска: 1999
Двигатель: Контрактный
|
|
Буду разбирать водительскую дверь(для профилактики), промерию и эту таблетку,рабочую. Но уверен на 100% что глючит она. Моторчик напрямую сразу работал,а таблетка заработала только после её перегрева. На машине такой вариант не возможен,т.к. питание на ЦЗ идет короткое время,а я жарил таблетку секунд 15,пока краска на ней не начала темнеть. И что-то она не отключалась:).
Добавлено спустя 3 минуты 8 секунд:
Сейчас забрал машину из гаража,все по прежнему работает:) Но подобрать детальку все равно буду пытаться.
_________________ Ремонт ДВС японских и корейских автомобилей SWAP-сервис в Нижнем Новгороде
|
|
| Вернуться к началу |
|
 |
|
S@nt@S
|
Добавлено: Ср апр 29, 2009 10:40 am |
|
 |
| На доске почета |
 |
Зарегистрирован: Чт фев 05, 2009 6:04 pm Сообщения: 1122 Откуда: Брянск Репутация: 11 [ ? ]
|
MerTV писал(а): я жарил таблетку секунд 15 а не спалил ли ты её ? мож её пробило и она терь не будет работать как ей положено(или покладено)
А у меня такая проблема летом тока бывает, когда жарко на улице. Всё не доберусь до замочка своего.
_________________ Расстались: 1992, сине-зелёный лифтёр, 4A-FE LB на палке, JT164ATK000 Пересел 
|
|
| Вернуться к началу |
|
 |
|
MerTV
|
Добавлено: Ср апр 29, 2009 11:01 am |
|
 |
| У него свой шкафчик в раздевалке |
 |
Зарегистрирован: Ср июл 16, 2008 9:35 am Сообщения: 7416 Откуда: Нижний Новгород Репутация: 358 [ ? ]
Машина: Тойота Ками. Мелкий проходимец
Год выпуска: 1999
Двигатель: Контрактный
|
S@nt@S писал(а): MerTV писал(а): я жарил таблетку секунд 15 а не спалил ли ты её ? мож её пробило и она терь не будет работать как ей положено(или покладено)
Ну так все может быть,доберусь до водительской двери,и если сумею узнать что за зверь эта таблетка,то и на правой перепаяю. И результат ЛЮБОЙ выложу:)
_________________ Ремонт ДВС японских и корейских автомобилей SWAP-сервис в Нижнем Новгороде
|
|
| Вернуться к началу |
|
 |
|
Лев
|
Добавлено: Ср апр 29, 2009 12:06 pm |
|
 |
| Коллекционер ведер, Модератор |
 |
Зарегистрирован: Пн апр 06, 2009 7:41 pm Сообщения: 4693 Откуда: Санкт-Петербург Репутация: 84 [ ? ]
Машина: Carina-E
Год выпуска: 1992
Двигатель: 3S-GE
|
|
а еще парни,в моей карише была беда, ЦЗ то закрывался, то нет, то вообще закрывался и тут же открывался. Виной была колодка на передней левой стойке. контакты некоторые окисли, некоторые подплавились. Заменил замок пока не чудит.
_________________ Carina E 3S-FE 93г. Японка, левый руль, МКПП +Sprinter CArib AE95, Ford Explorer I, Skoda Yeti, VW Multivan T5, Mercedes R-Class W251, Газель матушка)) Будь тем кто ты есть.... до грани и за гранью Хочешь создать тему? тогда тебе сюда http://carina-e.ru/viewtopic.php?t=1607
|
|
| Вернуться к началу |
|
 |
|
MerTV
|
Добавлено: Ср апр 29, 2009 1:06 pm |
|
 |
| У него свой шкафчик в раздевалке |
 |
Зарегистрирован: Ср июл 16, 2008 9:35 am Сообщения: 7416 Откуда: Нижний Новгород Репутация: 358 [ ? ]
Машина: Тойота Ками. Мелкий проходимец
Год выпуска: 1999
Двигатель: Контрактный
|
|
Узнал на разборке стоимость замка,цена 400 рублей:) Можно и поэксперементировать,тыл прикрыт
_________________ Ремонт ДВС японских и корейских автомобилей SWAP-сервис в Нижнем Новгороде
|
|
| Вернуться к началу |
|
 |
|
Crazy-Frog
|
Добавлено: Чт апр 30, 2009 9:03 am |
|
 |
| На доске почета |
 |
Зарегистрирован: Пт фев 27, 2009 5:07 pm Сообщения: 1084 Откуда: М.О. г.Кашира-г.Москва Репутация: 22 [ ? ]
|
У меня на задней правой двери активатор замка тоже подклинивает, причём заметил если с большим промежутком открывать закрывать (30 секунд) то нормальнольно а если почастить открыть закрыть то на 3-м разе уже сил у него нет, а остальные нормально работает, но стоит подождать и всё окей опять.во как. 
_________________ Теперь Pontiac Vibe 2004 г. 1ZZ-FE америкосовский яп Была Carina E 1992 г.в. 4A-FE LB, ЯПОНОМАМА liftback пробег 428К Что? Кому? Чего? Помочь! Я не прочь... Познал переборку ГБЦ,ГУР, перебрал ходовую, тормоза, за совет полезный "+" в репутацию 
|
|
| Вернуться к началу |
|
 |
|
MerTV
|
Добавлено: Чт апр 30, 2009 9:18 am |
|
 |
| У него свой шкафчик в раздевалке |
 |
Зарегистрирован: Ср июл 16, 2008 9:35 am Сообщения: 7416 Откуда: Нижний Новгород Репутация: 358 [ ? ]
Машина: Тойота Ками. Мелкий проходимец
Год выпуска: 1999
Двигатель: Контрактный
|
|
Быстрее всего у нас одинаковая проблема,несмотря на разные симптомы:)
_________________ Ремонт ДВС японских и корейских автомобилей SWAP-сервис в Нижнем Новгороде
|
|
| Вернуться к началу |
|
 |
|
ПОЖАР
|
Добавлено: Вт ноя 24, 2009 3:52 pm |
|
 |
| Практикант |
Зарегистрирован: Пт фев 13, 2009 7:32 pm Сообщения: 5 Откуда: Москва/Медведково. Репутация: 0 [ ? ]
|
|
Друзья,где можно моторчик приобрести?
_________________ Тойота Карина Е Хэтчбек. 1.8 акпп.
|
|
| Вернуться к началу |
|
 |
|
MerTV
|
Добавлено: Вт ноя 24, 2009 4:02 pm |
|
 |
| У него свой шкафчик в раздевалке |
 |
Зарегистрирован: Ср июл 16, 2008 9:35 am Сообщения: 7416 Откуда: Нижний Новгород Репутация: 358 [ ? ]
Машина: Тойота Ками. Мелкий проходимец
Год выпуска: 1999
Двигатель: Контрактный
|
|
На разборке. Он вместе с замком двери единое целое:)
_________________ Ремонт ДВС японских и корейских автомобилей SWAP-сервис в Нижнем Новгороде
|
|
| Вернуться к началу |
|
 |
|
ПОЖАР
|
Добавлено: Вт ноя 24, 2009 4:34 pm |
|
 |
| Практикант |
Зарегистрирован: Пт фев 13, 2009 7:32 pm Сообщения: 5 Откуда: Москва/Медведково. Репутация: 0 [ ? ]
|
|
Мне бы только моторчик,мож есть у кого?
_________________ Тойота Карина Е Хэтчбек. 1.8 акпп.
|
|
| Вернуться к началу |
|
 |
|
MerTV
|
Добавлено: Пт дек 04, 2009 6:14 pm |
|
 |
| У него свой шкафчик в раздевалке |
 |
Зарегистрирован: Ср июл 16, 2008 9:35 am Сообщения: 7416 Откуда: Нижний Новгород Репутация: 358 [ ? ]
Машина: Тойота Ками. Мелкий проходимец
Год выпуска: 1999
Двигатель: Контрактный
|
Всем моим жгучим аппонентам,которые не слушая меня,доказывали что виноват моторчик посвящается эта ссылка: http://forum.corona-club.ru/index.php?t ... ;topicseen
У чувака точно такая же проблема,решилась выкидыванием этой детальки и соединением напрямую. Именно мой случай. Так что извините,не зря я себе верил:)
ЗЫ: эта хрень,после того как я её "прогрел" до сих пор работает без единого нарекания... Прям чудеса 
_________________ Ремонт ДВС японских и корейских автомобилей SWAP-сервис в Нижнем Новгороде
|
|
| Вернуться к началу |
|
 |
|
ivan899
|
Добавлено: Пн дек 14, 2009 3:39 am |
|
 |
| Его именем пора назвать улицу |
 |
Зарегистрирован: Ср июн 03, 2009 1:30 am Сообщения: 1874 Откуда: Питер,В.р. Репутация: 8 [ ? ]
Машина: Toyota Avensis ii
Год выпуска: 2008
Двигатель: 1ZZFE
|
|
подскажите....
ща ну улице -15
и вот замерзали тяги после смазки силиконом.....
цз вод двери срабатывал но не открывал ибо кномка заморежена.....
а сейчас вдруг тоже не открыла, а когда разработалась тяга рукой, даже и не закрыла дверь ни с кнопки сигналки, ни с пульта.... звука в двери вроде не было, что может, сгорел моторчик, или холодно ему?
|
|
| Вернуться к началу |
|
 |
|
ivan899
|
Добавлено: Пн дек 14, 2009 1:26 pm |
|
 |
| Его именем пора назвать улицу |
 |
Зарегистрирован: Ср июн 03, 2009 1:30 am Сообщения: 1874 Откуда: Питер,В.р. Репутация: 8 [ ? ]
Машина: Toyota Avensis ii
Год выпуска: 2008
Двигатель: 1ZZFE
|
|
подскажите.... если не слуху не духу в двери это конец мотору?
там не могло чтонибудь замёрзнуть... чтоб вообще не шевелился....
|
|
| Вернуться к началу |
|
 |
|
Mister ToCaE
|
Добавлено: Пн дек 14, 2009 1:31 pm |
|
 |
| Контролер |
Зарегистрирован: Сб мар 14, 2009 1:05 am Сообщения: 726 Откуда: Киев Репутация: 5 [ ? ]
|
|
Только в одной двери проблема? По-любому нужно снимать обшивку, прозванивать мотор.
_________________ Carina E 1.6 4A-FE LB МКПП 1996 универсал (Англия)
|
|
| Вернуться к началу |
|
 |
|
ivan899
|
Добавлено: Пн дек 14, 2009 1:33 pm |
|
 |
| Его именем пора назвать улицу |
 |
Зарегистрирован: Ср июн 03, 2009 1:30 am Сообщения: 1874 Откуда: Питер,В.р. Репутация: 8 [ ? ]
Машина: Toyota Avensis ii
Год выпуска: 2008
Двигатель: 1ZZFE
|
|
да.... ночью поставил тачку... ударили морозы и утром тютю.... разобрал... тестером померел напруга идёт туда но эффекта ноль
разбирать дальше не охота...... но без этого никак(((
Последний раз редактировалось ivan899 Пн дек 14, 2009 2:52 pm, всего редактировалось 1 раз.
|
|
| Вернуться к началу |
|
 |
|
ivan899
|
Добавлено: Пн дек 14, 2009 2:52 pm |
|
 |
| Его именем пора назвать улицу |
 |
Зарегистрирован: Ср июн 03, 2009 1:30 am Сообщения: 1874 Откуда: Питер,В.р. Репутация: 8 [ ? ]
Машина: Toyota Avensis ii
Год выпуска: 2008
Двигатель: 1ZZFE
|
|
как я понял мотор в замке,а он вытаскивается от туда чтоб с разборки поставить...?
никто активаторы не ставил по 100р всё же?
возможно что с потеплением заработает?
от японии подойдёт?
|
|
| Вернуться к началу |
|
 |
|
SkyRider
|
Добавлено: Вс авг 07, 2011 2:47 pm |
|
 |
| Инструктор |
 |
Зарегистрирован: Ср фев 04, 2009 2:39 am Сообщения: 483 Откуда: Калининград Репутация: 14 [ ? ]
|
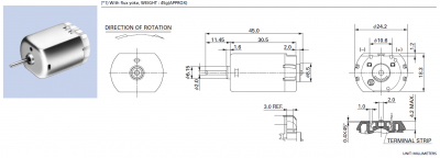
Всем доброго дня. Нашел поиском эту тему и чтоб не создавать новых пишу здесь. Интересуют размеры моторчика. Может у кого есть разобранный замок? Померяйте, пожалуйста, размеры длина, ширина по срезанным плоскостям и диаметр цилиндрической части. плюс длина и диаметр валика, на который червяк одевается.
Кстати на моторчике не написано made in China?
Очень надо. У меня на Харриере с моторчиками болезнь, изнашиваются контакты, вот и ищу донара. Ну и первый кондидат, моя вторая машина, Каришка:) Или может кто знает одинаковые ли моторчики ставились во все модели toyota?
вот кстати, что мне нужно!!! FC-280PC-22125
http://www.mabuchi-motor.co.jp/en_US/ca ... 80pcsc.pdf
_________________ Carina E 2.0 GLi (3S-FE), ST191, 04.1993г., седан, 742, англичанка с японской начинкой!
Toyota Harrier 2.2 FOUR S package 4WD, SXU15, 1998г.в., белый дерижабль.
|
|
| Вернуться к началу |
|
 |
|
MerTV
|
Добавлено: Вс авг 07, 2011 3:55 pm |
|
 |
| У него свой шкафчик в раздевалке |
 |
Зарегистрирован: Ср июл 16, 2008 9:35 am Сообщения: 7416 Откуда: Нижний Новгород Репутация: 358 [ ? ]
Машина: Тойота Ками. Мелкий проходимец
Год выпуска: 1999
Двигатель: Контрактный
|
На моторчике написано Denso и japan. В те года не делали в чине
У меня второй раз активатор отказал,щетка рассыпалась. Второй раз заколхозил щетку ке моторчика от детской игрушки. В первый раз хватило на два года.
А таблетка,которую я описывал в начале темы это хитрый предохранитель. Когда на щетках повышенное искрение он выключает цепь. Вот так 
_________________ Ремонт ДВС японских и корейских автомобилей SWAP-сервис в Нижнем Новгороде
|
|
| Вернуться к началу |
|
 |
|
SkyRider
|
Добавлено: Вс авг 07, 2011 5:04 pm |
|
 |
| Инструктор |
 |
Зарегистрирован: Ср фев 04, 2009 2:39 am Сообщения: 483 Откуда: Калининград Репутация: 14 [ ? ]
|
Ну так кариновский моторчик такой же или нет? См размеры по чертежам.
Добавлено спустя 1 минуту 1 секунду:
MerTV писал(а): На моторчике написано Denso и japan. В те года не делали в чине
А на лексусах и Харриерах сэкономили:(
Добавлено спустя 11 минут 51 секунду:
Вот фотки вытянул
| Вложения: |

Моторчик.png [ 112.54 КБ | Просмотров: 7256 ]
|
_________________ Carina E 2.0 GLi (3S-FE), ST191, 04.1993г., седан, 742, англичанка с японской начинкой!
Toyota Harrier 2.2 FOUR S package 4WD, SXU15, 1998г.в., белый дерижабль.
|
|
| Вернуться к началу |
|
 |
|
MerTV
|
Добавлено: Вс авг 07, 2011 7:10 pm |
|
 |
| У него свой шкафчик в раздевалке |
 |
Зарегистрирован: Ср июл 16, 2008 9:35 am Сообщения: 7416 Откуда: Нижний Новгород Репутация: 358 [ ? ]
Машина: Тойота Ками. Мелкий проходимец
Год выпуска: 1999
Двигатель: Контрактный
|
Не могу сказать размеры,моторчик глубоко в двери
Но на вид один в один,только шестеренка еще на нем,не снимается,я пробывал. Неделю назад в руках держал,хотел другой моторчик подобрать,но не один не влез,да шестеренка не поддалась. Пришлось опять щетку переделать
_________________ Ремонт ДВС японских и корейских автомобилей SWAP-сервис в Нижнем Новгороде
|
|
| Вернуться к началу |
|
 |
|
brat333
|
Добавлено: Вс июл 15, 2012 11:55 am |
|
 |
| Состоявшийся |
Зарегистрирован: Пт дек 09, 2011 4:36 pm Сообщения: 53 Откуда: Алматы, Казахстан Репутация: 0 [ ? ]
Машина: Carina E
Год выпуска: 1994
Двигатель: 3S-FE
|
|
Продублирую и здесь. Привет камрады! Ну имеется в виду каринаводы! Сегодня обнаружил проблему, ставлю на сигналку, всё машина закрыта и тут вздумалось мне открыть заднюю (пятую) багажную дверь на своём универсале. Она и открылась. Т.е. сколько я времени там ставлю на сигналку, что багажная дверь открыта, я не знаю. При этом в багажнике набор очень хороших инструментов всегда, плюс часто лежит воздушка Байкал. Хорошо что не сперли. Короче снял я моторчик, который толкает фиксатор блокировки багажной двери, и вот что обнаружил. Если подавать 12В напрямую с аккумулятора, то моторчик то работает, а то не работает. Если чуток провернуть ось моторчика, то схватывает и работает опять. Вопрос - разборка самого моторчика поможет? и что там внутри надо сделать? Или сразу искать другой моторчик?
|
|
| Вернуться к началу |
|
 |
|
SkyRider
|
Добавлено: Вс июл 15, 2012 8:34 pm |
|
 |
| Инструктор |
 |
Зарегистрирован: Ср фев 04, 2009 2:39 am Сообщения: 483 Откуда: Калининград Репутация: 14 [ ? ]
|
|
Обычно может помочь чистка, удаление варистора и возможная замена щеток. Терять все равно нечего. Разбирай, не стесняйся! А там видно будет!Сам не разберешься, то фотки выкладывай, помогут!
_________________ Carina E 2.0 GLi (3S-FE), ST191, 04.1993г., седан, 742, англичанка с японской начинкой!
Toyota Harrier 2.2 FOUR S package 4WD, SXU15, 1998г.в., белый дерижабль.
|
|
| Вернуться к началу |
|
 |
|
EthicalHacker
|
Добавлено: Пн мар 30, 2015 12:10 am |
|
 |
| Бригадир |
Зарегистрирован: Вс янв 30, 2011 1:46 pm Сообщения: 152 Откуда: Крым, г.Симферополь Репутация: 4 [ ? ]
Машина: CARINA E LIFTBACK
Год выпуска: 1993
Двигатель: 4AFE LB
|
MerTV писал(а): У меня второй раз активатор отказал,щетка рассыпалась. Второй раз заколхозил щетку ке моторчика от детской игрушки. В первый раз хватило на два года. А таблетка,которую я описывал в начале темы это хитрый предохранитель. Когда на щетках повышенное искрение он выключает цепь. Вот так  Симптомы как и у тебя. Посмотрел на щетки - почти не осталось. Заменить-то их можно, но это же, блин, нанотехнологии! Где взять такие или самому вытачивать? Сколько мм щетки должны быть?
| Вложения: |

20150330_001715.jpg [ 225.61 КБ | Просмотров: 6067 ]
|
_________________ CARINA E(JPP)SED/LB AT190,CT190,ST191 Двигатель: Lean Burn 4AFE 1600CC 16-VALVE DOHC EFI 1993, механика, LIFTBACK GL TYPE Код модели: AT190L-ALMNKW
Последний раз редактировалось EthicalHacker Пн мар 30, 2015 12:22 am, всего редактировалось 1 раз.
|
|
| Вернуться к началу |
|
 |
|
MerTV
|
Добавлено: Пн мар 30, 2015 12:19 am |
|
 |
| У него свой шкафчик в раздевалке |
 |
Зарегистрирован: Ср июл 16, 2008 9:35 am Сообщения: 7416 Откуда: Нижний Новгород Репутация: 358 [ ? ]
Машина: Тойота Ками. Мелкий проходимец
Год выпуска: 1999
Двигатель: Контрактный
|
EthicalHacker писал(а): Где взять такие или самому вытачивать? вот с времен написания поста( 07 авг 2011, ) у меня стоят щетки от какого-то моторчика,от детской игрушки племянника 
_________________ Ремонт ДВС японских и корейских автомобилей SWAP-сервис в Нижнем Новгороде
|
|
| Вернуться к началу |
|
 |
|
EthicalHacker
|
Добавлено: Пн мар 30, 2015 12:48 am |
|
 |
| Бригадир |
Зарегистрирован: Вс янв 30, 2011 1:46 pm Сообщения: 152 Откуда: Крым, г.Симферополь Репутация: 4 [ ? ]
Машина: CARINA E LIFTBACK
Год выпуска: 1993
Двигатель: 4AFE LB
|
Теперь еще один печальный момент. Все началось с нехватки импульса для открытия/закрытия замка. Без позистора (поставил перемычку) импульса слишком много и, кстати, с моторчика в этом случае идет дым. Решил что нет контакта на позисторе, и, "дорабатывая" конструкцию, умудрился разломить позистор на три части, одну из которых так и не нашел Это все, финишь? Теперь искать ему замену ввиде R0R5 (дверь задняя, но технически его можно вклинить в цепь до замка, если не получится найти в форме таблетки)? Ибо, если я все правильно понимаю, пластина сопротивления, разделенная на две части, которые подключены паралельно, уменьшает сопротивление в 4 раза и далее использовать эти два обломка нельзя? Но, эти два обломка блокируют моторчик, не давая ему достаточно тока для открывания замка. Значит они фунционируют нормально?
_________________ CARINA E(JPP)SED/LB AT190,CT190,ST191 Двигатель: Lean Burn 4AFE 1600CC 16-VALVE DOHC EFI 1993, механика, LIFTBACK GL TYPE Код модели: AT190L-ALMNKW
|
|
| Вернуться к началу |
|
 |
Кто сейчас на конференции |
Сейчас этот форум просматривают: нет зарегистрированных пользователей и гости: 0 |
|
Вы не можете начинать темы Вы не можете отвечать на сообщения Вы не можете редактировать свои сообщения Вы не можете удалять свои сообщения Вы не можете добавлять вложения
|
|