Сообщения без ответов | Активные темы
|
Страница 1 из 1
|
[ Сообщений: 2 ] |
|
| Автор |
Сообщение |
|
Сергей 55
|
Добавлено: Сб авг 06, 2011 12:51 am |
|
 |
| Самостоятельный |
Зарегистрирован: Чт май 05, 2011 6:46 pm Сообщения: 37 Откуда: п.Ладва Репутация: 0 [ ? ]
|
|
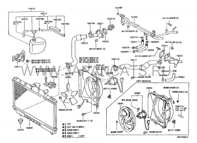
нужна схема разводки шлангов.может есть у кого?
_________________ Carina E 1994г.Англичанка.2.0.МКПП.3s-fe
|
|
| Вернуться к началу |
|
 |
|
Faranos
|
Добавлено: Сб авг 06, 2011 8:15 am |
|
 |
| Летописец |
 |
Зарегистрирован: Чт дек 04, 2008 6:46 pm Сообщения: 4383 Откуда: Улан-Удэ Репутация: 250 [ ? ]
Машина: Carina-E->LEXUS
Год выпуска: 2020
Двигатель: 4A>3s>3s-ge beams vvt-i
|
|
Эти шланги?
| Вложения: |

CImage.png [ 123.26 КБ | Просмотров: 666 ]
|

CImage.png [ 146.12 КБ | Просмотров: 659 ]
|
_________________ Моя барахолка ..…..............…….. Мы на DRIVE2
|
|
| Вернуться к началу |
|
 |
|
Страница 1 из 1
|
[ Сообщений: 2 ] |
|
Кто сейчас на конференции |
Сейчас этот форум просматривают: нет зарегистрированных пользователей и гости: 9 |
|
Вы не можете начинать темы Вы не можете отвечать на сообщения Вы не можете редактировать свои сообщения Вы не можете удалять свои сообщения Вы не можете добавлять вложения
|
|