Toyota Carina E

Форум владельцев автомобиля Carina E
Текущее время: Ср фев 18, 2026 3:31 pm

Часовой пояс: UTC + 3 часа [ Летнее время ]

,,



Начать новую тему Ответить на тему  [ Сообщений: 2 ] 
Автор Сообщение
 Заголовок сообщения: 13 ошибка ABS
СообщениеДобавлено: Чт июл 24, 2014 9:57 pm 
Не в сети
Бригадир

Зарегистрирован: Ср май 28, 2014 6:53 pm
Сообщения: 137
Откуда: Экибастуз
Репутация: 1 [ ? ]
Машина: Toyota Carina E
Год выпуска: 1997
Двигатель: 7AFE
Вообщем создают эту тему для тех кто столкнулся с данной ошибкой.Так как не нашел адекватного решения данной проблемы на форуме,создаю отдельную тему.Сразу прошу не судить строго,мол на форуме есть темы,"Ошибки ABS" и тп,сразу скажу ничего конкретного по процедуре я не выявил,реле поменял резулятат тот же.
Интересное видео от TOYOTA по ABS,советую посмотреть:
http://m.youtube.com/watch?v=EQL0zMYU_7s

Искать решение буду самостоятельно,по ходу выкладывая фото.Завтра и начну,с прозвонки всех узлов согласно имеющихся схем.
И впредь,прошу всех наших,уважаемых пользователей создавать темы и в них указывать ошибку или их перечень по коду, в ТЕМЕ, чтобы облегчить поиск людям столкнувшимся с конкретной проблемой.
А не читать по 40 страниц не нужной информации...
Спасибо за понимание.
Лиц не знающих данной проблемы и просто блуждающих просьба не беспокоить и не флудить,все по факту.

Добавлено спустя 17 минут 41 секунду:
Начну с того,что купил машину 2 месяца назад,про то что ABS не работает знал при покупке.
После того как сделал диагностику согласно:
viewtopic.php?t=2060
Была выявлена 13 ошибка:
"Обрыв в цепи реле электронасоса"


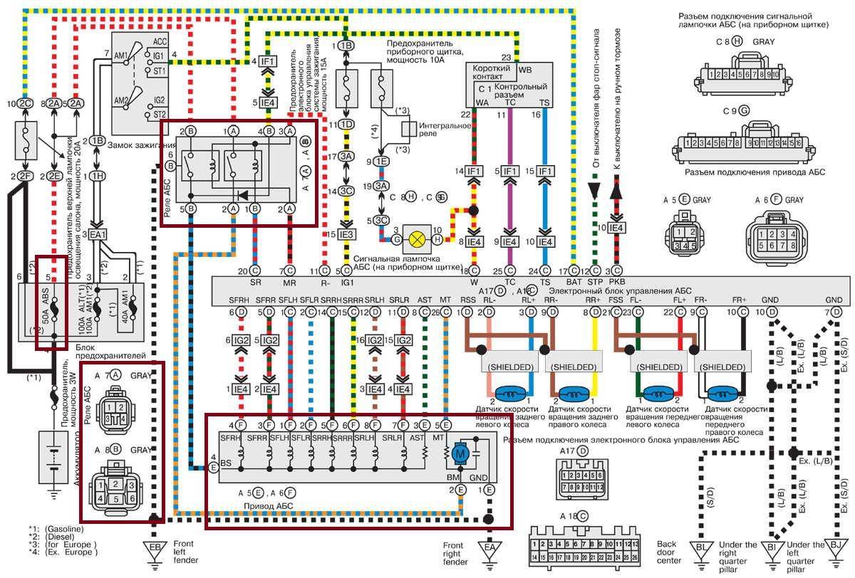
Вложения:
Комментарий к файлу: Интересующие нас элементы на эл.схеме
ABS CARINA E1.jpg
ABS CARINA E1.jpg [ 358.34 КБ | Просмотров: 2527 ]

_________________
CARINA E (UKP), AT191L-BLMNKW, LIFTBACK
Вернуться к началу
 Профиль  
 
 Заголовок сообщения: Re: 13 ошибка ABS
СообщениеДобавлено: Сб авг 09, 2014 8:56 pm 
Не в сети
Студент

Зарегистрирован: Чт окт 24, 2013 5:31 am
Сообщения: 2
Репутация: 0 [ ? ]
Машина: TOYOTA GAIA
Год выпуска: 1999
Двигатель: 3FSE
как успехи с ошибкой 13? У меня тойота гайа с той же ошибкой вышла. Реле одно и в норме. движок прозвонил - сопротивление в норме. Управляющий блок АБС надо как то замерять напряжения.... думаю, как подступиться.


Вернуться к началу
 Профиль  
 
Показать сообщения за:  Поле сортировки  
Начать новую тему Ответить на тему  [ Сообщений: 2 ] 

Часовой пояс: UTC + 3 часа [ Летнее время ]

,,

Кто сейчас на конференции

Сейчас этот форум просматривают: нет зарегистрированных пользователей и гости: 5


Вы не можете начинать темы
Вы не можете отвечать на сообщения
Вы не можете редактировать свои сообщения
Вы не можете удалять свои сообщения
Вы не можете добавлять вложения

Найти:
Перейти:  
Powered by phpBB® Forum Software © phpBB Group Статьи
Русская поддержка phpBB