Сообщения без ответов | Активные темы
| Автор |
Сообщение |
|
камиль
|
Добавлено: Пн сен 10, 2012 2:26 pm |
|
 |
| Человек-улыбка |
 |
Зарегистрирован: Ср июн 29, 2011 7:19 pm Сообщения: 6734 Откуда: Уолфиш-Бэй.Намибия. Репутация: 208 [ ? ]
Машина: хомяк хыр хыр
Год выпуска: 2002
Двигатель: l13a
|
|
Господа. ниже фото того,что имеется и соответственно сами электростеклоподьемники. С помощью ваших знаний,своих и еще чьих нибудь(можно даже бабки-колдуньи)-помогите все это дело запихать к себе в улыбку. Все эти девайсы именно от улыбки. или просто ткните в схему,а я уж как нить сам попытаюсь разобраться,какой провод куда уходит. Ниже фото ЭБУ стеклоподьемников и трех кнопочек. из ЭБУ(можно я его так буду называть далее?)выходит аж 14 проводов,но с разным сечением....но!10 из них с сечением 2.5 мм,а два проводка 1.5 мм. На оставшихся трех кнопках сечение тоже 2.5 мм,количество выходящих проводов 5 штук. Вообщем помогайте.... как все правильно соединить. в душе понимаю,что на ЭБУ просто подается от акумма 12 вольт,а дальше блок уже "рулит" блокировками....подьемами стекол...
| Вложения: |
Комментарий к файлу: общая фотография

DSC08923_thumb.jpg [ 72.39 КБ | Просмотров: 13822 ]
|
Комментарий к файлу: фотография фишки ЭБУ стеклоподьемников

DSC08924_thumb.jpg [ 70.17 КБ | Просмотров: 13822 ]
|
Комментарий к файлу: фотография кнопки и выходящей из ней проводов.

DSC08925_thumb.jpg [ 61.51 КБ | Просмотров: 13822 ]
|
Комментарий к файлу: фотография кнопок.

DSC08926_thumb.jpg [ 67.72 КБ | Просмотров: 13822 ]
|
_________________ Выхода нет,только из гроба.Так что не нойте.....
|
|
| Вернуться к началу |
|
 |
|
[Gibson]
|
Добавлено: Пн сен 10, 2012 2:35 pm |
|
 |
| Его именем пора назвать улицу |
 |
Зарегистрирован: Чт янв 20, 2011 10:25 am Сообщения: 1736 Откуда: Чебоксары-Цивильск Репутация: 67 [ ? ]
Машина: Carina E
Год выпуска: 1995
Двигатель: 4a-fe lb
|
_________________ Дима///Carina E 4A-FE LB, Хэтч, 1995 г.в., англичанка, без ABS/// Драйв2
|
|
| Вернуться к началу |
|
 |
|
камиль
|
Добавлено: Пн сен 10, 2012 2:40 pm |
|
 |
| Человек-улыбка |
 |
Зарегистрирован: Ср июн 29, 2011 7:19 pm Сообщения: 6734 Откуда: Уолфиш-Бэй.Намибия. Репутация: 208 [ ? ]
Машина: хомяк хыр хыр
Год выпуска: 2002
Двигатель: l13a
|
ДИм 
_________________ Выхода нет,только из гроба.Так что не нойте.....
|
|
| Вернуться к началу |
|
 |
|
[Gibson]
|
Добавлено: Пн сен 10, 2012 2:45 pm |
|
 |
| Его именем пора назвать улицу |
 |
Зарегистрирован: Чт янв 20, 2011 10:25 am Сообщения: 1736 Откуда: Чебоксары-Цивильск Репутация: 67 [ ? ]
Машина: Carina E
Год выпуска: 1995
Двигатель: 4a-fe lb
|
|
синий провод = плюс 5,6 точка - кузов
Добавлено спустя 15 минут 2 секунды: разъем на блоке управления
| Вложения: |

Zamki_stekla_collor.jpg [ 85.74 КБ | Просмотров: 13809 ]
|

БЛ_СТ.JPG [ 13.71 КБ | Просмотров: 13799 ]
|
_________________ Дима///Carina E 4A-FE LB, Хэтч, 1995 г.в., англичанка, без ABS/// Драйв2
|
|
| Вернуться к началу |
|
 |
|
Sanchis85
|
Добавлено: Пн сен 10, 2012 3:02 pm |
|
 |
| Спортсмен клуба |
 |
Зарегистрирован: Вт сен 28, 2010 11:57 am Сообщения: 6328 Откуда: Новомосковск, Тульская область Репутация: 186 [ ? ]
Машина: Toyota Carina E
Год выпуска: 1995
Двигатель: 4A-FE std. Denso
|
|
Камиль, а у тебя весла что ли, решил подъемники электрифицировать???
пару недель назад делал то же самое. но я перед этим посмотрел - есть ли у меня в дверях проводка под стеклподъемники. И убедившись что там ее нет, заказал эту проводку. В косе салонной все есть. поэтому я просто проводку в дверях всю поменял, и у меня все заработало. А вот так отдельно проводками - имхо будет сложновато. потому что тебе придется от каждой кнопки и от главного блока все это распихивать по фишкам соответствующим, в этих фишках половины контактов тоже нет (я имею ввиду внутри самой фишки - там просто будет дырка вместо контакта), придется их как то колхозить и придумывать...
_________________ Toyota Carina E, 4A-FE не LB, Седан, АКПП, англицкая снаружи, японочка внутри  , 01.1995 г.в. Kia Ceed JD рестайл, 1.6 G4FG, Универсал, механика. 11.2016 г.в. Я на drive2.ru
|
|
| Вернуться к началу |
|
 |
|
камиль
|
Добавлено: Пн сен 10, 2012 3:21 pm |
|
 |
| Человек-улыбка |
 |
Зарегистрирован: Ср июн 29, 2011 7:19 pm Сообщения: 6734 Откуда: Уолфиш-Бэй.Намибия. Репутация: 208 [ ? ]
Машина: хомяк хыр хыр
Год выпуска: 2002
Двигатель: l13a
|
Шурик Sanchis85 писал(а): будет сложновато плевать Диман вон уже все мне сказал куда какой провод.... поехал в магаз за релюшкой тазовской 4 контактной и колодкой к нему-45 стоимость релле и 25 рублей стоимость колодки. Провода буду тянуть сам-провод 2.5 сечением имеется....изоленты 10 рулонов(я сам электрик) пока все соберу на земле,на "коленке",а там буду запихивать. ничего сложно оказывается и нет. Дим ну с меня просто плюсище офигительный 
_________________ Выхода нет,только из гроба.Так что не нойте.....
|
|
| Вернуться к началу |
|
 |
|
Sanchis85
|
Добавлено: Пн сен 10, 2012 3:39 pm |
|
 |
| Спортсмен клуба |
 |
Зарегистрирован: Вт сен 28, 2010 11:57 am Сообщения: 6328 Откуда: Новомосковск, Тульская область Репутация: 186 [ ? ]
Машина: Toyota Carina E
Год выпуска: 1995
Двигатель: 4A-FE std. Denso
|
камильНу в принципе я думаю все у тебя получится =) главное чтобы схемы которые тебе дал Дима - а они от карины Е - подошли на твою улыбку 
_________________ Toyota Carina E, 4A-FE не LB, Седан, АКПП, англицкая снаружи, японочка внутри  , 01.1995 г.в. Kia Ceed JD рестайл, 1.6 G4FG, Универсал, механика. 11.2016 г.в. Я на drive2.ru
|
|
| Вернуться к началу |
|
 |
|
Rash
|
Добавлено: Пн сен 10, 2012 3:47 pm |
|
 |
| Его именем пора назвать улицу |
 |
Зарегистрирован: Пт мар 05, 2010 1:27 pm Сообщения: 1777 Откуда: Казахстан Кокшетау Репутация: 78 [ ? ]
Машина: Carina E Wagon, KIA Sportage
Год выпуска: 1995
Двигатель: 4A-FE LB
|
Sanchis85 писал(а): главное чтобы схемы которые тебе дал Дима - а они от карины Е - подошли на твою улыбку У меня есть такой блок от калдины, так там расположение контактов зеркальное по отношению к нашему
_________________ Carina E(JT) AT190L-DWMDKW Wagon XLi 03.1995 4A-FE(LB) C52 3j6 ФОТО Продам: правый поворотник оригинал б/у Новые: опоры передних амортизаторов RBI T1310F
|
|
| Вернуться к началу |
|
 |
|
[Gibson]
|
Добавлено: Пн сен 10, 2012 3:49 pm |
|
 |
| Его именем пора назвать улицу |
 |
Зарегистрирован: Чт янв 20, 2011 10:25 am Сообщения: 1736 Откуда: Чебоксары-Цивильск Репутация: 67 [ ? ]
Машина: Carina E
Год выпуска: 1995
Двигатель: 4a-fe lb
|
все подойдет. Ипонцы умные! 
_________________ Дима///Carina E 4A-FE LB, Хэтч, 1995 г.в., англичанка, без ABS/// Драйв2
|
|
| Вернуться к началу |
|
 |
|
камиль
|
Добавлено: Пн сен 10, 2012 4:11 pm |
|
 |
| Человек-улыбка |
 |
Зарегистрирован: Ср июн 29, 2011 7:19 pm Сообщения: 6734 Откуда: Уолфиш-Бэй.Намибия. Репутация: 208 [ ? ]
Машина: хомяк хыр хыр
Год выпуска: 2002
Двигатель: l13a
|
все погнал собирать....пробовать... Добавлено спустя 7 минут 13 секунд:единственное что мужики-какой надо поставить предохранитель на все это дело.... я так понимаю ставить его надо в разрыв между релле и питанием с аккума... 7.5 А хватит такой?
_________________ Выхода нет,только из гроба.Так что не нойте.....
|
|
| Вернуться к началу |
|
 |
|
Sanchis85
|
Добавлено: Пн сен 10, 2012 5:03 pm |
|
 |
| Спортсмен клуба |
 |
Зарегистрирован: Вт сен 28, 2010 11:57 am Сообщения: 6328 Откуда: Новомосковск, Тульская область Репутация: 186 [ ? ]
Машина: Toyota Carina E
Год выпуска: 1995
Двигатель: 4A-FE std. Denso
|
|
камиль на карине е стоит 2 предохранителя. один в цепи замок зажигания - реле (10 А), второй на питание стеклоподъемников (30 А)
| Вложения: |

IMG_0981.JPG [ 192.63 КБ | Просмотров: 13746 ]
|
_________________ Toyota Carina E, 4A-FE не LB, Седан, АКПП, англицкая снаружи, японочка внутри  , 01.1995 г.в. Kia Ceed JD рестайл, 1.6 G4FG, Универсал, механика. 11.2016 г.в. Я на drive2.ru
|
|
| Вернуться к началу |
|
 |
|
камиль
|
Добавлено: Пн сен 10, 2012 5:37 pm |
|
 |
| Человек-улыбка |
 |
Зарегистрирован: Ср июн 29, 2011 7:19 pm Сообщения: 6734 Откуда: Уолфиш-Бэй.Намибия. Репутация: 208 [ ? ]
Машина: хомяк хыр хыр
Год выпуска: 2002
Двигатель: l13a
|
|
Саньк спасибо блин. собрал... короче работает только один подьемник который управляется с ЭБУ...остальные молчат блин...хоть просто с кнопок,хоть с эбу....тишина.блокировку включаю выключаю...бесполезно. Дима довай подсказывай дальше
_________________ Выхода нет,только из гроба.Так что не нойте.....
|
|
| Вернуться к началу |
|
 |
|
Sanchis85
|
Добавлено: Пн сен 10, 2012 5:40 pm |
|
 |
| Спортсмен клуба |
 |
Зарегистрирован: Вт сен 28, 2010 11:57 am Сообщения: 6328 Откуда: Новомосковск, Тульская область Репутация: 186 [ ? ]
Машина: Toyota Carina E
Год выпуска: 1995
Двигатель: 4A-FE std. Denso
|
|
камиль задние и пассажирский будут работать только при условии что они подключены к главному блоку, и что на них стоит кнопка. если одно из этих слагаемых убрать, то фига они работать будут!
_________________ Toyota Carina E, 4A-FE не LB, Седан, АКПП, англицкая снаружи, японочка внутри  , 01.1995 г.в. Kia Ceed JD рестайл, 1.6 G4FG, Универсал, механика. 11.2016 г.в. Я на drive2.ru
|
|
| Вернуться к началу |
|
 |
|
камиль
|
Добавлено: Пн сен 10, 2012 5:43 pm |
|
 |
| Человек-улыбка |
 |
Зарегистрирован: Ср июн 29, 2011 7:19 pm Сообщения: 6734 Откуда: Уолфиш-Бэй.Намибия. Репутация: 208 [ ? ]
Машина: хомяк хыр хыр
Год выпуска: 2002
Двигатель: l13a
|
Шурик все соединенно согласно схеме... не работают и все тут... пойду еще раз перепроверю соответствие схеме Добавлено спустя 8 минут 55 секунд:вот проверил-все моторчики работают.. я вот подозреваю что общий + у них не контакт под номером 5 на каждой из кнопок....а какой то другой-вот только какой...блин блинский... Добавлено спустя 3 минуты 29 секунд:Sanchis85 писал(а): то фига они работать будут! Саш я твою схему прочел...там сноска вверху "для левого руля" дорогой ты мой....дай пожалуйсто теперь для правого руля... стопудово-5 контакты на кнопках не общий + Добавлено спустя 5 минут 1 секунду:у меня вообще еще в запасе лежит еще один блок управления...вот поставил его счас...дак он вобще внутри жужит...трещит...на кнопки не реагирует... Добавлено спустя 22 минуты 52 секунды:совершенно верно. общие контакты не пятые а четвертые блин. книгу смотрю через адобе реадор....как сделать фотку и выложить сюда? Добавлено спустя 39 минут 37 секунд:и так схему предоставленную Димкой изменил ниже она приведенна и она РАБОТАЕТ ура. теперь надо купить провода 2*5 мм....в магазе каком нить и я буду как городской человек....а то все весла весла весла.... Еще раз спасибо всем. Если тема нужна форуму-оставьте....если же нет.закройте. я бы оставил-улыбко водителей на форуме с десяток-может пригодиться.
| Вложения: |
Комментарий к файлу: изменена номерация контактов на кнопочках.

подьемнкии.JPG [ 42.48 КБ | Просмотров: 13702 ]
|
_________________ Выхода нет,только из гроба.Так что не нойте.....
|
|
| Вернуться к началу |
|
 |
|
Sanchis85
|
Добавлено: Пн сен 10, 2012 9:42 pm |
|
 |
| Спортсмен клуба |
 |
Зарегистрирован: Вт сен 28, 2010 11:57 am Сообщения: 6328 Откуда: Новомосковск, Тульская область Репутация: 186 [ ? ]
Машина: Toyota Carina E
Год выпуска: 1995
Двигатель: 4A-FE std. Denso
|
камиль писал(а): дорогой ты мой....дай пожалуйсто теперь для правого руля... только что с зала пришел, смотрю ты уже все сделал - молодец!
_________________ Toyota Carina E, 4A-FE не LB, Седан, АКПП, англицкая снаружи, японочка внутри  , 01.1995 г.в. Kia Ceed JD рестайл, 1.6 G4FG, Универсал, механика. 11.2016 г.в. Я на drive2.ru
|
|
| Вернуться к началу |
|
 |
|
камиль
|
Добавлено: Пн сен 10, 2012 10:15 pm |
|
 |
| Человек-улыбка |
 |
Зарегистрирован: Ср июн 29, 2011 7:19 pm Сообщения: 6734 Откуда: Уолфиш-Бэй.Намибия. Репутация: 208 [ ? ]
Машина: хомяк хыр хыр
Год выпуска: 2002
Двигатель: l13a
|
|
ну дык я так то знаешь какой довольный... эх блин. скорей бы завтра...куплю провода...сяду с пивком плести косички с изолентой...как же это все таки здорово ощущать себя продвинутым...а не веслами грести..
_________________ Выхода нет,только из гроба.Так что не нойте.....
|
|
| Вернуться к началу |
|
 |
|
камиль
|
Добавлено: Вт сен 11, 2012 10:51 am |
|
 |
| Человек-улыбка |
 |
Зарегистрирован: Ср июн 29, 2011 7:19 pm Сообщения: 6734 Откуда: Уолфиш-Бэй.Намибия. Репутация: 208 [ ? ]
Машина: хомяк хыр хыр
Год выпуска: 2002
Двигатель: l13a
|
|
и так бодания продолжаются Нужно взять от куда нибудь пропадающий плюс,а именно такой,чтоб ключ зажигания повернул и он пропал. Путем беседы с Димкой(Gibson) пришли к выводу что берем + с кнопки обогрева заднего стекла. Ниже схема.
Добавлено спустя 6 минут 30 секунд: Дим нипонимаю...чего в этой схеме нетак...
| Вложения: |
Комментарий к файлу: схема подключения Тазовского реле.

схема.JPG [ 25.81 КБ | Просмотров: 13648 ]
|
_________________ Выхода нет,только из гроба.Так что не нойте.....
|
|
| Вернуться к началу |
|
 |
|
[Gibson]
|
Добавлено: Вт сен 11, 2012 10:58 am |
|
 |
| Его именем пора назвать улицу |
 |
Зарегистрирован: Чт янв 20, 2011 10:25 am Сообщения: 1736 Откуда: Чебоксары-Цивильск Репутация: 67 [ ? ]
Машина: Carina E
Год выпуска: 1995
Двигатель: 4a-fe lb
|
|
мне кажется так надо.
| Вложения: |

схема.jpg [ 17.71 КБ | Просмотров: 13638 ]
|
_________________ Дима///Carina E 4A-FE LB, Хэтч, 1995 г.в., англичанка, без ABS/// Драйв2
|
|
| Вернуться к началу |
|
 |
|
Den102
|
Добавлено: Вт сен 11, 2012 11:05 am |
|
 |
| Инструктор |
 |
Зарегистрирован: Пн фев 27, 2012 12:21 pm Сообщения: 452 Откуда: Ижевск Репутация: 15 [ ? ]
Машина: Toyota Corolla EE101
Год выпуска: 1997
Двигатель: 4E-FE
|
|
Меня кстати оч бесит что плюс пропадает сразу после выключения зажигания, руки дойдут сделаю с задержкой выключения на 5-10 минут, как на современных ино.
|
|
| Вернуться к началу |
|
 |
|
камиль
|
Добавлено: Вт сен 11, 2012 11:13 am |
|
 |
| Человек-улыбка |
 |
Зарегистрирован: Ср июн 29, 2011 7:19 pm Сообщения: 6734 Откуда: Уолфиш-Бэй.Намибия. Репутация: 208 [ ? ]
Машина: хомяк хыр хыр
Год выпуска: 2002
Двигатель: l13a
|
я все не могу уже больше то с кнопки берем плюс...то с аккума... та схема которая выше...она же будет работать но цепь в которой Тазовское Реле стоит-ВЫКЛЮЧАТЬСЯ ТО НЕ БУДЕТ.Соответственно в машине появится постоянный потребитель в виде реле... 
_________________ Выхода нет,только из гроба.Так что не нойте.....
|
|
| Вернуться к началу |
|
 |
|
[Gibson]
|
Добавлено: Вт сен 11, 2012 11:24 am |
|
 |
| Его именем пора назвать улицу |
 |
Зарегистрирован: Чт янв 20, 2011 10:25 am Сообщения: 1736 Откуда: Чебоксары-Цивильск Репутация: 67 [ ? ]
Машина: Carina E
Год выпуска: 1995
Двигатель: 4a-fe lb
|
Den102 писал(а): Меня кстати оч бесит что плюс пропадает сразу после выключения зажигания, руки дойдут сделаю с задержкой выключения на 5-10 минут, как на современных ино. ТЕМА!!!!!! ТОже надо замутить бы, а то постоянно приходится включать зажигание, если забыл закрыть окошко. Хотя можно купить доводчик - 400 р и нет проблем))))
_________________ Дима///Carina E 4A-FE LB, Хэтч, 1995 г.в., англичанка, без ABS/// Драйв2
|
|
| Вернуться к началу |
|
 |
|
камиль
|
Добавлено: Вт сен 11, 2012 11:28 am |
|
 |
| Человек-улыбка |
 |
Зарегистрирован: Ср июн 29, 2011 7:19 pm Сообщения: 6734 Откуда: Уолфиш-Бэй.Намибия. Репутация: 208 [ ? ]
Машина: хомяк хыр хыр
Год выпуска: 2002
Двигатель: l13a
|
|
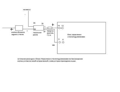
Дим вот она твоя схема,только посимпатичнее и с обозначениями.
| Вложения: |
Комментарий к файлу: Димкина схема :-)

схема.JPG [ 25.72 КБ | Просмотров: 13627 ]
|
_________________ Выхода нет,только из гроба.Так что не нойте.....
|
|
| Вернуться к началу |
|
 |
|
камиль
|
Добавлено: Вт сен 11, 2012 10:34 pm |
|
 |
| Человек-улыбка |
 |
Зарегистрирован: Ср июн 29, 2011 7:19 pm Сообщения: 6734 Откуда: Уолфиш-Бэй.Намибия. Репутация: 208 [ ? ]
Машина: хомяк хыр хыр
Год выпуска: 2002
Двигатель: l13a
|
ну вот началось все в обед сегодняшнего дня и окончилось только что на часах 22:30 не скажу что просто.... снятие старых подьемников и карт...потом протягивание новых проводов...далее подключение и установка новых подьемников и карт.... одним словом-жопа....хотя не.мягко сказанно. но доволен....без гранично Дима-нашел провод на кнопке подогрева к нему и присандалился....теперь когда машина заведена-эта кнопочка горит в холостом режиме в пол накала... в остальном все тип топ.... массу притянул на аккумулятор... предохранитель только не успеваю поставить....завтра думаю замострячу... вот и все. так бы пивка....но нет сил ехать в магаз... 
_________________ Выхода нет,только из гроба.Так что не нойте.....
|
|
| Вернуться к началу |
|
 |
|
Илья Ильич
|
Добавлено: Пн окт 01, 2012 9:13 pm |
|
 |
| Стажер |
Зарегистрирован: Пн окт 01, 2012 8:55 pm Сообщения: 10 Откуда: Кувандык Оренбургская обл. Репутация: 0 [ ? ]
Машина: toyota carina
Год выпуска: 1992
Двигатель: 4S
|
|
Привет! Совсем недавно стал обладателем своей carinы. взял машину с неработающими стеклоподъемниками, я не электрик но сделать и понять хочу сам. проблема такая что питание на ЭБУ(кнопки на водительской двери) не идет, да руль правый. не могу найти где и какое реле отвечает за стеклоподемники. буду признателен если поможите!!!!!!!!!!!!
|
|
| Вернуться к началу |
|
 |
|
Пожарник
|
Добавлено: Пн окт 01, 2012 10:09 pm |
|
 |
| Внесен в большую энциклопедию |
Зарегистрирован: Чт апр 12, 2012 6:27 pm Сообщения: 2026 Откуда: Ярославль Репутация: 78 [ ? ]
Машина: Сarina E Wagon
Год выпуска: 1997
Двигатель: 7A-FE LB
|
Илья Ильичпарни,заполняйте профиль до конца!Ну поймите,не просто так спрашивают откуда вы  ,кто то может и подъехать и помочь,а так-на Сатурн никто не поедет 
_________________ Бешеной собаке сто вёрст-не крюк!
|
|
| Вернуться к началу |
|
 |
Кто сейчас на конференции |
Сейчас этот форум просматривают: нет зарегистрированных пользователей и гости: 17 |
|
Вы не можете начинать темы Вы не можете отвечать на сообщения Вы не можете редактировать свои сообщения Вы не можете удалять свои сообщения Вы не можете добавлять вложения
|
|