Сообщения без ответов | Активные темы
| Автор |
Сообщение |
|
[Gibson]
|
Добавлено: Чт авг 23, 2012 10:38 am |
|
 |
| Его именем пора назвать улицу |
 |
Зарегистрирован: Чт янв 20, 2011 10:25 am Сообщения: 1736 Откуда: Чебоксары-Цивильск Репутация: 67 [ ? ]
Машина: Carina E
Год выпуска: 1995
Двигатель: 4a-fe lb
|
|
Пётр ну емаё...точно...
Добавлено спустя 1 минуту 27 секунд: "пьянка" продолжается!
_________________ Дима///Carina E 4A-FE LB, Хэтч, 1995 г.в., англичанка, без ABS/// Драйв2
|
|
| Вернуться к началу |
|
 |
|
Allegator
|
Добавлено: Чт авг 23, 2012 11:18 am |
|
 |
| Заслуженный |
 |
Зарегистрирован: Ср авг 10, 2011 11:30 pm Сообщения: 973 Откуда: г. Бор Репутация: 38 [ ? ]
Машина: Carina E SportsWagon;33021
Год выпуска: 1993
Двигатель: 4a-fe LB
|
|
Ребят, разложите мне, неграмотному, всё по полочкам пожалуйста. Как сделать подогрев на два режима с помощью реле. Сижу, читаю и с каждым постом всё больше запутываюсь.
_________________ Speсial Edition. Грузоперевозки. Газель.
|
|
| Вернуться к началу |
|
 |
|
[Gibson]
|
Добавлено: Чт авг 23, 2012 11:24 am |
|
 |
| Его именем пора назвать улицу |
 |
Зарегистрирован: Чт янв 20, 2011 10:25 am Сообщения: 1736 Откуда: Чебоксары-Цивильск Репутация: 67 [ ? ]
Машина: Carina E
Год выпуска: 1995
Двигатель: 4a-fe lb
|
Allegatorсами ломаем голову с Женей по скайпу))) 
_________________ Дима///Carina E 4A-FE LB, Хэтч, 1995 г.в., англичанка, без ABS/// Драйв2
|
|
| Вернуться к началу |
|
 |
|
sedoy2000
|
Добавлено: Чт авг 23, 2012 4:42 pm |
|
 |
| Герой былин народных |
 |
Зарегистрирован: Чт фев 05, 2009 6:38 pm Сообщения: 3813 Откуда: Пермский край Репутация: 65 [ ? ]
Машина: QASHQAI
Год выпуска: 2010
Двигатель: HR16DE
|
Allegator писал(а): Как сделать подогрев на два режима с помощью реле. Володя ( Бэндэр ) схнму же выложил с диодом... Там только нужно добавить реле, обмотка одним концом на минус, вторым на анод. А контакты реле при включении замыкают правый выход правого обогревателя (по схеме) на "землю".. ну или "массу"... ну или " минус... Что впрочем одно и то же...
_________________ CarinaE GLI 4A-FE(Lean Burn) 1993г. механика JPP красный (3j6) седан. Skoda Octavia Combi tour Год выпуска 2005 Двигатель 1,6 AKL ( всё в прошлом), CarinaE GLI LB 3S-fe 1992г. механика, JPP синенький лифт.
|
|
| Вернуться к началу |
|
 |
|
Allegator
|
Добавлено: Чт авг 23, 2012 4:49 pm |
|
 |
| Заслуженный |
 |
Зарегистрирован: Ср авг 10, 2011 11:30 pm Сообщения: 973 Откуда: г. Бор Репутация: 38 [ ? ]
Машина: Carina E SportsWagon;33021
Год выпуска: 1993
Двигатель: 4a-fe LB
|
 Спасибо, за разъяснения, но они мне ни о чем не говорят  . Допустим диод и реле я найду без проблем. С проводами тоже вроде разобрался, а вот какай куды подключить ни как не пойму.
_________________ Speсial Edition. Грузоперевозки. Газель.
|
|
| Вернуться к началу |
|
 |
|
Женя-BOND
|
Добавлено: Чт авг 23, 2012 4:53 pm |
|
 |
| Герой былин народных |
 |
Зарегистрирован: Пн мар 02, 2009 6:24 pm Сообщения: 3272 Откуда: Нижний Новгород Репутация: 156 [ ? ]
Машина: Carina E
Год выпуска: 1992
Двигатель: 4A FE LB
|
Ребят, есть тема: viewtopic.php?f=22&t=15367&p=490097#p490097Кто в ней хочет поучаствовать - до завтрашнего обеда мне заявки отправляем. Добавлено спустя 1 минуту:это вставка под уплотничель. Пожарник говорит, что не вылетает на ходу. Выбивал только Кёрхером.
_________________  Carina Евгеньевна, 4A-FE, 1.6, LB, 101 л.с., седан, МКПП, GLi, '92, япона-мама // Ты должен сделать добро из зла, потому что его больше не из чего сделать// 
|
|
| Вернуться к началу |
|
 |
|
Vilf
|
Добавлено: Чт авг 23, 2012 4:55 pm |
|
 |
| Его именем пора назвать улицу |
 |
Зарегистрирован: Ср ноя 10, 2010 11:51 am Сообщения: 1793 Откуда: Казань - 16rus Репутация: 40 [ ? ]
Машина: Toyota carina E , Town Ace '90
Год выпуска: 1996
Двигатель: 7A-FE LB
|
|
вопрос: Возможно ли параллельное включение элементов? или тока последовательно ?
_________________ Виль
|
|
| Вернуться к началу |
|
 |
|
Женя-BOND
|
Добавлено: Чт авг 23, 2012 5:07 pm |
|
 |
| Герой былин народных |
 |
Зарегистрирован: Пн мар 02, 2009 6:24 pm Сообщения: 3272 Откуда: Нижний Новгород Репутация: 156 [ ? ]
Машина: Carina E
Год выпуска: 1992
Двигатель: 4A FE LB
|
Vilf писал(а): вопрос: Возможно ли параллельное включение элементов? или тока последовательно ? они уже расключены параллельно.
_________________  Carina Евгеньевна, 4A-FE, 1.6, LB, 101 л.с., седан, МКПП, GLi, '92, япона-мама // Ты должен сделать добро из зла, потому что его больше не из чего сделать// 
|
|
| Вернуться к началу |
|
 |
|
Бэндэр
|
Добавлено: Пт авг 24, 2012 12:20 pm |
|
 |
| Внесен в большую энциклопедию |
 |
Зарегистрирован: Ср дек 24, 2008 9:59 pm Сообщения: 2439 Откуда: Нижегородская обл.Заволжье Репутация: 66 [ ? ]
Машина: Carina-E -хорошая была машина
Год выпуска: 1992
Двигатель: 4AFE LB
|
|
так все таки- четырех или пяти контактное реле нужно для теплой либо горячей попы? ЗЫ: а использовать диоды в сети как-то нехотца, Д242 к примеру греется жудко, хоть и имеет приличный запас- нужно его на радиатор ставить, а это уже помоему лишне, так-что 5-ти контактное???
_________________ обновленный файл-исходник для клубных наклеек, шильдиков, номерных рамок и куча всего: download/file.php?id=28352
|
|
| Вернуться к началу |
|
 |
|
Женя-BOND
|
Добавлено: Пт авг 24, 2012 12:58 pm |
|
 |
| Герой былин народных |
 |
Зарегистрирован: Пн мар 02, 2009 6:24 pm Сообщения: 3272 Откуда: Нижний Новгород Репутация: 156 [ ? ]
Машина: Carina E
Год выпуска: 1992
Двигатель: 4A FE LB
|
Бэндэр писал(а): так-что 5-ти контактное??? Даже на 5-контактном схема че-то не рождается...
_________________  Carina Евгеньевна, 4A-FE, 1.6, LB, 101 л.с., седан, МКПП, GLi, '92, япона-мама // Ты должен сделать добро из зла, потому что его больше не из чего сделать// 
|
|
| Вернуться к началу |
|
 |
|
[Gibson]
|
Добавлено: Пт авг 24, 2012 1:08 pm |
|
 |
| Его именем пора назвать улицу |
 |
Зарегистрирован: Чт янв 20, 2011 10:25 am Сообщения: 1736 Откуда: Чебоксары-Цивильск Репутация: 67 [ ? ]
Машина: Carina E
Год выпуска: 1995
Двигатель: 4a-fe lb
|
Бэндэр писал(а): использовать диод ставим КД213А с запасом троекратным по мощности и ничего не греется!
_________________ Дима///Carina E 4A-FE LB, Хэтч, 1995 г.в., англичанка, без ABS/// Драйв2
|
|
| Вернуться к началу |
|
 |
|
Женя-BOND
|
Добавлено: Пт авг 24, 2012 1:16 pm |
|
 |
| Герой былин народных |
 |
Зарегистрирован: Пн мар 02, 2009 6:24 pm Сообщения: 3272 Откуда: Нижний Новгород Репутация: 156 [ ? ]
Машина: Carina E
Год выпуска: 1992
Двигатель: 4A FE LB
|
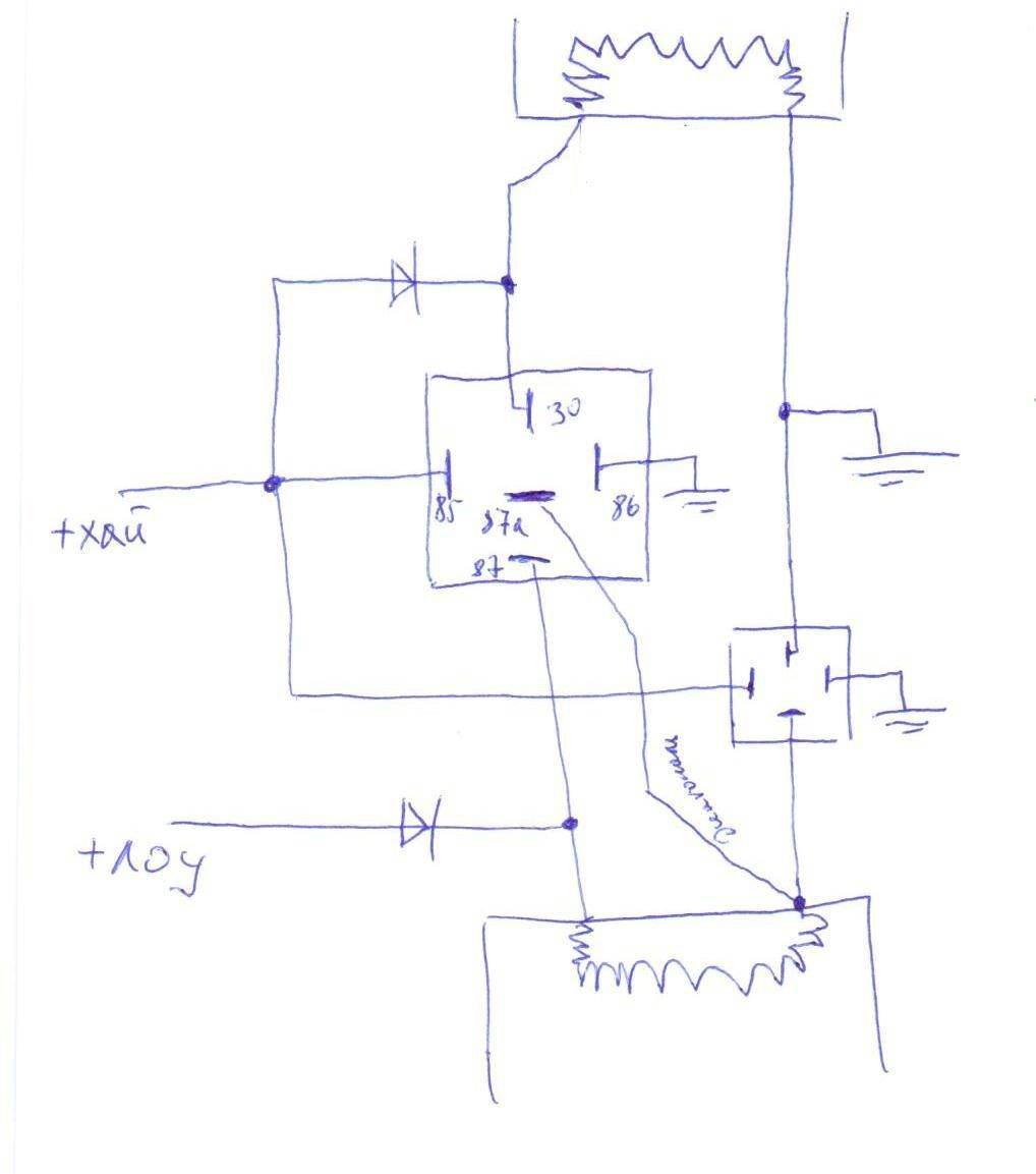
[Gibson] писал(а): Бэндэр писал(а): использовать диод ставим КД213А с запасом троекратным по мощности и ничего не греется! и в термоусадку его, в термоусадку!! Добавлено спустя 29 минут 44 секунды:вот наверное так схемка на двух реле выглядеть будет: Вложение:
Требуется.jpg [ 17.15 КБ | Просмотров: 7632 ]
Вложение:
схемка.jpg [ 81.53 КБ | Просмотров: 7610 ]
Ну и схема 5-контактного реле: Вложение:
68731-1.jpg [33.18 КБ]
Скачиваний: 0
Вложение:
relee.jpg [9.63 КБ]
Скачиваний: 526
Для тех, кто не любит заморачиваться - схема а-ля Тигго: Вложение:
Безымянный.jpg [ 25.21 КБ | Просмотров: 7627 ]
_________________  Carina Евгеньевна, 4A-FE, 1.6, LB, 101 л.с., седан, МКПП, GLi, '92, япона-мама // Ты должен сделать добро из зла, потому что его больше не из чего сделать// 
Последний раз редактировалось Женя-BOND Пт авг 24, 2012 4:49 pm, всего редактировалось 1 раз.
|
|
| Вернуться к началу |
|
 |
|
[Gibson]
|
Добавлено: Пт авг 24, 2012 2:09 pm |
|
 |
| Его именем пора назвать улицу |
 |
Зарегистрирован: Чт янв 20, 2011 10:25 am Сообщения: 1736 Откуда: Чебоксары-Цивильск Репутация: 67 [ ? ]
Машина: Carina E
Год выпуска: 1995
Двигатель: 4a-fe lb
|
_________________ Дима///Carina E 4A-FE LB, Хэтч, 1995 г.в., англичанка, без ABS/// Драйв2
|
|
| Вернуться к началу |
|
 |
|
Женя-BOND
|
Добавлено: Пт авг 24, 2012 2:14 pm |
|
 |
| Герой былин народных |
 |
Зарегистрирован: Пн мар 02, 2009 6:24 pm Сообщения: 3272 Откуда: Нижний Новгород Репутация: 156 [ ? ]
Машина: Carina E
Год выпуска: 1992
Двигатель: 4A FE LB
|
|
Дим, спасибос за замечание!
Вверху в схеме есть проводник с диодом, а рядом надпись: "диагональ". Он не нужен.
_________________  Carina Евгеньевна, 4A-FE, 1.6, LB, 101 л.с., седан, МКПП, GLi, '92, япона-мама // Ты должен сделать добро из зла, потому что его больше не из чего сделать// 
|
|
| Вернуться к началу |
|
 |
|
Бэндэр
|
Добавлено: Пт авг 24, 2012 4:35 pm |
|
 |
| Внесен в большую энциклопедию |
 |
Зарегистрирован: Ср дек 24, 2008 9:59 pm Сообщения: 2439 Откуда: Нижегородская обл.Заволжье Репутация: 66 [ ? ]
Машина: Carina-E -хорошая была машина
Год выпуска: 1992
Двигатель: 4AFE LB
|
ЁПТ.... два реле??? А вот так, для интереса- кто нибуть пробовал последовательно погрется от этих элементов? может там эфекта то ноль?, ониж жигулевские ЗЫ я знаю решение- нужно положить по два комплекта жопогреек под каждую пятую точку 
_________________ обновленный файл-исходник для клубных наклеек, шильдиков, номерных рамок и куча всего: download/file.php?id=28352
|
|
| Вернуться к началу |
|
 |
|
Женя-BOND
|
Добавлено: Пт авг 24, 2012 4:42 pm |
|
 |
| Герой былин народных |
 |
Зарегистрирован: Пн мар 02, 2009 6:24 pm Сообщения: 3272 Откуда: Нижний Новгород Репутация: 156 [ ? ]
Машина: Carina E
Год выпуска: 1992
Двигатель: 4A FE LB
|
Бэндэр писал(а): ЁПТ.... два реле??? А вот так, для интереса- кто нибуть пробовал последовательно погрется от этих элементов? может там эфекта то ноль?, ониж жигулевские Дык вот я и думаю, что наверное Тигговский вариант лучше смасмтрячить. Добавлено спустя 1 минуту 11 секунд:Вов, у тя есть БП в гараже. Попробуй мож сделать, а? (просто тупо последовательно закоммутировать)
_________________  Carina Евгеньевна, 4A-FE, 1.6, LB, 101 л.с., седан, МКПП, GLi, '92, япона-мама // Ты должен сделать добро из зла, потому что его больше не из чего сделать// 
|
|
| Вернуться к началу |
|
 |
|
Сергей С@ныч
|
Добавлено: Пт авг 24, 2012 4:44 pm |
|
 |
| Человек-легенда |
 |
Зарегистрирован: Пт окт 22, 2010 11:08 am Сообщения: 8451 Откуда: Лукоянов-Арзамас-Москва Репутация: 135 [ ? ]
Машина: Тойота Авенсис ST220L-AEMEKW
Год выпуска: 2001
Двигатель: 3S-FE
|
|
Да,морока с этими попогреями.
_________________ Тойота Авенсис Т-22,3S-FE,S54,DIS-2,седан,выпуск 07.2001,цвет 209,отделка LA 14-02,комплектация Sol. Была Карина Е,4а-фе,стд,1996 год.
Последний раз редактировалось Сергей С@ныч Пт авг 24, 2012 4:50 pm, всего редактировалось 1 раз.
|
|
| Вернуться к началу |
|
 |
|
Серрегга
|
Добавлено: Пт авг 24, 2012 4:47 pm |
|
 |
| Инженер-реставратор |
 |
Зарегистрирован: Пт окт 28, 2011 11:32 am Сообщения: 1672 Откуда: Республика Чувашия город Чебоксары Репутация: 32 [ ? ]
Машина: Toyota Carina E ГТИ
Год выпуска: 1992
Двигатель: 3S-GE
|
Женя-BOND писал(а): Тигговский вариант лучше смасмтрячить. То есть надо заказывать Тиговские кнопки?
_________________ Была Toyota Carina E 1.6 (LB) Сейчас Toyota Carina E 2.0 GTI (2gen) Я на драйве https://www.drive2.ru/users/sere33a/
|
|
| Вернуться к началу |
|
 |
|
Женя-BOND
|
Добавлено: Пт авг 24, 2012 4:52 pm |
|
 |
| Герой былин народных |
 |
Зарегистрирован: Пн мар 02, 2009 6:24 pm Сообщения: 3272 Откуда: Нижний Новгород Репутация: 156 [ ? ]
Машина: Carina E
Год выпуска: 1992
Двигатель: 4A FE LB
|
Серрегга писал(а): То есть надо заказывать Тиговские кнопки? нет, кнопки тут не при чем. У Тигго и ГВ - они одинаковые. Разница лишь в цене. Просто в Тигго режим ЛОУ - тока попа, ХАЙ - обе зоны. Добавлено спустя 58 секунд:Сергей С@ныч писал(а): Да,морока с этими попогреями. Угу. Зато стоимость - копье. Но зацени полет фантазии и кучу вариантов исполнения!! Добавлено спустя 1 минуту 36 секунд:поправил рисунок исполнения на релюхах. Там помимо лишнего провода еще забыл одну общую массовую точку нарисовать... 
_________________  Carina Евгеньевна, 4A-FE, 1.6, LB, 101 л.с., седан, МКПП, GLi, '92, япона-мама // Ты должен сделать добро из зла, потому что его больше не из чего сделать// 
|
|
| Вернуться к началу |
|
 |
|
sedoy2000
|
Добавлено: Пт авг 24, 2012 6:46 pm |
|
 |
| Герой былин народных |
 |
Зарегистрирован: Чт фев 05, 2009 6:38 pm Сообщения: 3813 Откуда: Пермский край Репутация: 65 [ ? ]
Машина: QASHQAI
Год выпуска: 2010
Двигатель: HR16DE
|
Млин... Мужики вы чего это творите...???  Если использовать пятиконтактное реле, то даже диод не требуется... Если же использовать четырёхконтактное, то без диода не обойтись... Зачем мостырить какие-то две релюхи...? Вот ЁППП... оказывается ни одного редактора на компе не осталось, чтобы схемы изобразить.... ((( Схема с диодом: Сильно не ругайте за качество, оказалось, что даже фотоаппарата дома нет... снимал на телефон.
_________________ CarinaE GLI 4A-FE(Lean Burn) 1993г. механика JPP красный (3j6) седан. Skoda Octavia Combi tour Год выпуска 2005 Двигатель 1,6 AKL ( всё в прошлом), CarinaE GLI LB 3S-fe 1992г. механика, JPP синенький лифт.
|
|
| Вернуться к началу |
|
 |
|
Бэндэр
|
Добавлено: Пт авг 24, 2012 7:17 pm |
|
 |
| Внесен в большую энциклопедию |
 |
Зарегистрирован: Ср дек 24, 2008 9:59 pm Сообщения: 2439 Откуда: Нижегородская обл.Заволжье Репутация: 66 [ ? ]
Машина: Carina-E -хорошая была машина
Год выпуска: 1992
Двигатель: 4AFE LB
|
во, покритикуйте: только чета я сомневаюсь- скорее наверно у меня КЗ будет чем че надо от чего ненадо отключится Добавлено спустя 6 минут 16 секунд:sedoy2000 писал(а): Если использовать пятиконтактное реле, то даже диод не требуется хотим схемку- я вот даже две релюшки уже прикупил- 5-ти контактных 
| Вложения: |

Рисунок1.jpg [ 45.83 КБ | Просмотров: 7802 ]
|
_________________ обновленный файл-исходник для клубных наклеек, шильдиков, номерных рамок и куча всего: download/file.php?id=28352
|
|
| Вернуться к началу |
|
 |
|
well
|
Добавлено: Пт авг 24, 2012 7:24 pm |
|
 |
| Человек-легенда |
 |
Зарегистрирован: Ср дек 17, 2008 8:03 am Сообщения: 6559 Откуда: Нижегородская обл.Бор. Репутация: 157 [ ? ]
Машина: Carina E,седан,GLi,цвет 205
Год выпуска: 1993
Двигатель: 3S-FE
|
РОбяты! А вам не кажется что нужно отдельную тему создать? Женёк? Типа - Подключаем .....и т. д.... Ведь не все в нашу ветку заходят...может советы.мысли дельные у кого есть...и потом,это всё должно быть в разделе электрика а не клубная жизнь! Говорю это потому,что мы так все можем "расползтись по губерниям"!И в каждой ветке ,люди будут обсуждать технические вопросы,а форум остаётся как бы в стороне!...Не порядок..
_________________ была Carina E 94г.англичанка.1.6.STD.GLI..попала в аварию..сейчас JT153STK100015540 двухлитровая 天皇陛下万歳) "Nemo omnia potest scire"
|
|
| Вернуться к началу |
|
 |
|
Бэндэр
|
Добавлено: Пт авг 24, 2012 7:26 pm |
|
 |
| Внесен в большую энциклопедию |
 |
Зарегистрирован: Ср дек 24, 2008 9:59 pm Сообщения: 2439 Откуда: Нижегородская обл.Заволжье Репутация: 66 [ ? ]
Машина: Carina-E -хорошая была машина
Год выпуска: 1992
Двигатель: 4AFE LB
|
во во, всё жжду когда нас наругают, а потом вспомнил-серега то в отпуске 
_________________ обновленный файл-исходник для клубных наклеек, шильдиков, номерных рамок и куча всего: download/file.php?id=28352
|
|
| Вернуться к началу |
|
 |
|
sedoy2000
|
Добавлено: Пт авг 24, 2012 7:33 pm |
|
 |
| Герой былин народных |
 |
Зарегистрирован: Чт фев 05, 2009 6:38 pm Сообщения: 3813 Откуда: Пермский край Репутация: 65 [ ? ]
Машина: QASHQAI
Год выпуска: 2010
Двигатель: HR16DE
|
Может эта схема получше будет...??? Пятиконтактное реле: Добавлено спустя 4 минуты 38 секунд:well писал(а): А вам не кажется что нужно отдельную тему создать? А ведь я уже в своё время получал втык от местного начальства, за то, что не там... и не о том...  Видимо подзабылось...
_________________ CarinaE GLI 4A-FE(Lean Burn) 1993г. механика JPP красный (3j6) седан. Skoda Octavia Combi tour Год выпуска 2005 Двигатель 1,6 AKL ( всё в прошлом), CarinaE GLI LB 3S-fe 1992г. механика, JPP синенький лифт.
|
|
| Вернуться к началу |
|
 |
|
Rash
|
Добавлено: Пт авг 24, 2012 8:46 pm |
|
 |
| Его именем пора назвать улицу |
 |
Зарегистрирован: Пт мар 05, 2010 1:27 pm Сообщения: 1777 Откуда: Казахстан Кокшетау Репутация: 78 [ ? ]
Машина: Carina E Wagon, KIA Sportage
Год выпуска: 1995
Двигатель: 4A-FE LB
|
sedoy2000 писал(а): Если же использовать четырёхконтактное, то без диода не обойтись... Можно четырехконтактное, с контактом на замыкание, без диода
| Вложения: |

001.jpg [ 25.16 КБ | Просмотров: 7803 ]
|
_________________ Carina E(JT) AT190L-DWMDKW Wagon XLi 03.1995 4A-FE(LB) C52 3j6 ФОТО Продам: правый поворотник оригинал б/у Новые: опоры передних амортизаторов RBI T1310F
|
|
| Вернуться к началу |
|
 |
Кто сейчас на конференции |
Сейчас этот форум просматривают: нет зарегистрированных пользователей и гости: 11 |
|
Вы не можете начинать темы Вы не можете отвечать на сообщения Вы не можете редактировать свои сообщения Вы не можете удалять свои сообщения Вы не можете добавлять вложения
|
|