Сообщения без ответов | Активные темы
| Автор |
Сообщение |
|
Pavel_43
|
Добавлено: Чт окт 27, 2016 1:20 pm |
|
 |
| Студент |
Зарегистрирован: Пн апр 13, 2015 1:58 pm Сообщения: 2 Репутация: 0 [ ? ]
Машина: Toyota carina-e
Год выпуска: 1992
Двигатель: 3S-FE
|
|
Всем доброго дня. Сразу извинюсь если не заметил, просто долго 19 страниц листать)). Описание проблемы: При не включенной аварийке поворотники работают, но стоит только включить аварийку они тухнут, при не включенных поворотниках аварийка тоже не работает. Поменял реле на ВАЗовское- такая же история. Разобрал кнопку, почистил там все контакты- один хрен не работает. Один знакомы подсказал, может при установке сигналки че нить намудрили???. Ребята выручайте.
|
|
| Вернуться к началу |
|
 |
|
=aleks=
|
Добавлено: Пн мар 06, 2017 6:18 pm |
|
 |
| Инструктор |
Зарегистрирован: Пн окт 17, 2011 5:45 pm Сообщения: 338 Откуда: Украина Харьков Репутация: 5 [ ? ]
Машина: carina-е 93г
Год выпуска: 1993
Двигатель: 1.6 4A-FE LB
|
|
такая же беда. предохранитель целый!! в чем может быть причина?? реле поворотов и реле аварийки это разные реле??
|
|
| Вернуться к началу |
|
 |
|
ALEX-72
|
Добавлено: Пн мар 06, 2017 6:51 pm |
|
 |
| Герой былин народных |
 |
Зарегистрирован: Пн сен 30, 2013 7:47 am Сообщения: 3890 Откуда: Тюмень Репутация: 123 [ ? ]
Машина: Carina E Sedan
Год выпуска: 1993
Двигатель: 7A-FE STD теперь АКПП :-)
|
=aleks=Если не работает аварийка, как выше писал Саша, предохранитель HAZARD, если повороты TURN. Исправил, что то я Сашу с Серегой перепутал 
_________________ Алексей.
|
|
| Вернуться к началу |
|
 |
|
андрей софьин
|
Добавлено: Пн мар 06, 2017 7:36 pm |
|
 |
| Инструктор |
 |
Зарегистрирован: Чт сен 20, 2012 8:35 am Сообщения: 322 Откуда: Н.Новгород, Линда Репутация: 8 [ ? ]
Машина: caldina191 ниво-зомби
Год выпуска: 1993
Двигатель: 3sfe
|
|
а где это реле стоит? кто-нибудь в курсе?
|
|
| Вернуться к началу |
|
 |
|
Сергей С@ныч
|
Добавлено: Пн мар 06, 2017 8:00 pm |
|
 |
| Человек-легенда |
 |
Зарегистрирован: Пт окт 22, 2010 11:08 am Сообщения: 8451 Откуда: Лукоянов-Арзамас-Москва Репутация: 135 [ ? ]
Машина: Тойота Авенсис ST220L-AEMEKW
Год выпуска: 2001
Двигатель: 3S-FE
|
|
У левой ноги водителя.
_________________ Тойота Авенсис Т-22,3S-FE,S54,DIS-2,седан,выпуск 07.2001,цвет 209,отделка LA 14-02,комплектация Sol. Была Карина Е,4а-фе,стд,1996 год.
|
|
| Вернуться к началу |
|
 |
|
=aleks=
|
Добавлено: Пн мар 06, 2017 9:09 pm |
|
 |
| Инструктор |
Зарегистрирован: Пн окт 17, 2011 5:45 pm Сообщения: 338 Откуда: Украина Харьков Репутация: 5 [ ? ]
Машина: carina-е 93г
Год выпуска: 1993
Двигатель: 1.6 4A-FE LB
|
ALEX-72 писал(а): =aleks= Если не работает аварийка, как выше писал Сергей, предохранитель HAZARD, если повороты TURN. Повороты работают,но только стоит нажать кнопку аварийки не работает не повороты,не аварийка и отдельно аварийка тоже не работает!! Предохранитель HAZARD целый(находится в коробке под капотом) И вообще у меня все предохранители целые!! Разбирал кнопку аварийки(там по сути ломаться не чему) Получается грешить осталось на реле аварийки?? Я так понимаю оно отдельное?? И находится у левой ноги??
|
|
| Вернуться к началу |
|
 |
|
андрей софьин
|
Добавлено: Вт мар 07, 2017 12:12 am |
|
 |
| Инструктор |
 |
Зарегистрирован: Чт сен 20, 2012 8:35 am Сообщения: 322 Откуда: Н.Новгород, Линда Репутация: 8 [ ? ]
Машина: caldina191 ниво-зомби
Год выпуска: 1993
Двигатель: 3sfe
|
Цитата: У левой ноги водителя. значит, у меня - у правой. есть фото? все там разобрал. не могу его найти
|
|
| Вернуться к началу |
|
 |
|
ALEX-72
|
Добавлено: Вт мар 07, 2017 8:08 am |
|
 |
| Герой былин народных |
 |
Зарегистрирован: Пн сен 30, 2013 7:47 am Сообщения: 3890 Откуда: Тюмень Репутация: 123 [ ? ]
Машина: Carina E Sedan
Год выпуска: 1993
Двигатель: 7A-FE STD теперь АКПП :-)
|
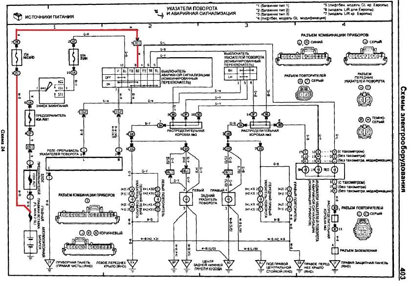
=aleks= писал(а): Получается грешить осталось на реле аварийки?? Я так понимаю оно отдельное? Реле одно!!!, если повороты работают, значит реле исправно!, нужно проверять цепь аварийки, =aleks= писал(а): Повороты работают,но только стоит нажать кнопку аварийки не работает не повороты,не аварийка это происходит потому что кнопкой, реле переключается на плюс, минуя замок зажигания, через тот самый предохранитель, и лампы поворотов переключаются напрямую к реле, минуя подрулевой, проще говоря, реле с лампами отключаются от схемы поворотов, и подключаются к схеме аварийки, но поскольку питание не приходит, оно и не работает, смотри еще раз предохранитель, если даже выглядит целым, попробуй поменять, если не поможет, значит где то дальше, или фишка в блоке предохранителей (снизу), или где то провод перетерло/перебило Вот схема, качество не очень, какое есть, выделил цепь плюса на аварийку: Вложение:
аварийка.jpg [ 206.85 КБ | Просмотров: 23871 ]
если верить схеме, и я правильно прочитал букву, то в разъеме кнопки есть БЕЛЫЙ провод, на нем должен быть плюс, не зависимо от замка зажигания, проверяй, если нет, ищи Добавлено спустя 2 минуты 42 секунды:андрей софьин писал(а): есть фото? все там разобрал. не могу его найти Наверное низко ищешь, оно где то за панелью (торпедо) примерно, и оно там не одно будет, нельзя не заметить 
_________________ Алексей.
|
|
| Вернуться к началу |
|
 |
|
=aleks=
|
Добавлено: Вт мар 07, 2017 12:28 pm |
|
 |
| Инструктор |
Зарегистрирован: Пн окт 17, 2011 5:45 pm Сообщения: 338 Откуда: Украина Харьков Репутация: 5 [ ? ]
Машина: carina-е 93г
Год выпуска: 1993
Двигатель: 1.6 4A-FE LB
|
|
ALEX-72 Спосибо за развернутый ответ!!будем искать!!
|
|
| Вернуться к началу |
|
 |
|
SANCHEZ-102
|
Добавлено: Ср мар 29, 2017 11:15 am |
|
 |
| Наставник |
 |
Зарегистрирован: Ср апр 13, 2011 12:25 pm Сообщения: 97 Откуда: Уфа Репутация: 10 [ ? ]
Машина: Carina E
Год выпуска: 1997
Двигатель: 7A-FE
|
Всем доброго дня. Добавлю пожалуй и свои 5 копеек в эту тему.  Недавно тоже проявилась аналогичная проблема зависания поворотников. При включении то работают, то нет. Может разок моргнуть и зависнуть, может опять включиться, вообщем начали жить своей жизнью. Сразу же пало подозрение на реле поворотов. Аварийка кстати тоже по тому же принципу работала. Попытка найти это реле с первого раза ничего не дала, прощупал все релюхи на блоке слева под панелью, все не те, но щелкает где-то рядом. Исцарапал все руки, перематерился, плюнул на это все, решил почитать где оно и потом уже разобраться. Как уже выше писали, реле находится слева от педали сцепления, выше основного блока релюх, найти действительно сложно, но можно. Разбирать ничего не нужно, кроме крышки панели под рулем и выпуклой крышки внизу сбоку у двери, закрывающей проводку. Реле там 2 штуки, расположены друг над другом почти вплотную. Нам нужно верхнее. И его действительно хрен вытащишь оттуда, ощущение, как будто зафиксировано. Но на самом деле никакого фиксатора там нет, просто оно очень крепко сидит в своем разъеме. Вытащить получилось далеко не с первого раза  Нужно поэнергичней расшатывать в стороны и тянуть сильнее. ОООчень неудобно это делать, но все получилось. Занес реле домой, разобрал, осмотрел дорожки и на двух контактах увидел практически незаметные микротрещины в пайке. Вообщем, паяльник в руки, и через несколько минут пациент снова жив! Поставил обратно, езжу уже пару недель, все работает исправно. Ну и несколько фото "пациента". Красным обвел как раз уже пропаянные контакты реле.
| Вложения: |

20170319_144657.jpg [ 174.87 КБ | Просмотров: 23797 ]
|

20170319_144704.jpg [ 168.67 КБ | Просмотров: 23797 ]
|

20170319_144748.jpg [ 145.01 КБ | Просмотров: 23797 ]
|

Inked20170319_144726_LI.jpg [ 163.13 КБ | Просмотров: 23797 ]
|
_________________  Carina E '97 черный седан, 7A-FE, 107 л.с. LB
|
|
| Вернуться к началу |
|
 |
|
andron58
|
Добавлено: Ср мар 29, 2017 11:39 am |
|
 |
| На доске почета |
 |
Зарегистрирован: Ср дек 30, 2015 12:24 pm Сообщения: 1372 Откуда: Московская обл. г. Истра Репутация: 32 [ ? ]
Машина: TOYOTA CARINA E
Год выпуска: 1997
Двигатель: 4A-FE STD Denso
|
|
SANCHEZ-102 Зачётно! Действительно,многие не знают,где и что именно искать!
_________________ Андрей Карина-Е 1997г.р. седан,англичанка,владел с декабря 2015 г. по июль 2023 г., продана.
|
|
| Вернуться к началу |
|
 |
|
well
|
Добавлено: Ср мар 29, 2017 12:35 pm |
|
 |
| Человек-легенда |
 |
Зарегистрирован: Ср дек 17, 2008 8:03 am Сообщения: 6559 Откуда: Нижегородская обл.Бор. Репутация: 157 [ ? ]
Машина: Carina E,седан,GLi,цвет 205
Год выпуска: 1993
Двигатель: 3S-FE
|
andron58 писал(а): Действительно,многие не знают,где и что именно искать! Просто удивительно!Где и как искать это злополучное реле описано на второй странице этой темы... Многие не знают потому,что темы начинают читать с последней страницы.Проще говоря, ищут нужное для себя "через жопу".....
_________________ была Carina E 94г.англичанка.1.6.STD.GLI..попала в аварию..сейчас JT153STK100015540 двухлитровая 天皇陛下万歳) "Nemo omnia potest scire"
|
|
| Вернуться к началу |
|
 |
|
виктор 3371
|
Добавлено: Вт сен 12, 2017 10:27 pm |
|
 |
| Стажер |
Зарегистрирован: Вт авг 29, 2017 7:26 pm Сообщения: 14 Откуда: Ставрополь Репутация: 0 [ ? ]
Машина: Toyota Carina E седан 2.0 TD
Год выпуска: 1996
Двигатель: 2С-Т
|
|
прочитал все страницы ,а проблемы как у меня не нашел.Проблема такая,при включении поворотников(или аварийки)идет громкое жжужание! Поначалу жжжужание проходило и поворотники начинали как положено щелкать.Сейчас приходиться вручную дергать ручку поворотников. Иначе они жжужат и горят постоянно. Релешку уже менял,все осталось по старому.Плюс стал выключатся майфун)) сам по себе!.Сегодня он вообще выключился. После работы сел,завел,майфун заработал!. Может дело в массе? Подскажите на всякий случай - где расположенны все массы в нашем автомобиле?Хочу завтра позачищать их для профилактике
|
|
| Вернуться к началу |
|
 |
|
Jinnay
|
Добавлено: Пн фев 05, 2018 7:21 pm |
|
 |
| Инструктор |
 |
Зарегистрирован: Ср авг 26, 2015 2:08 am Сообщения: 304 Откуда: Саратов Репутация: 3 [ ? ]
Машина: Carina E
Год выпуска: 1994
Двигатель: 3SFE
|
|
ТЕму покурил примерно понял что где искать проблема как у всех:" сдохли поворотники во время езды, предохранитель жив, не работает аварийка, не мигают повороты, и на приборке не тикает,в общем тишина полная. Turn 15А на всякий случай сменил. Что первое дергать кнопку или реле. И как их правильно прозвонить на жизнь?
и немного фо топа: лазал по предохранителям - предохранитель прикуривателя 20А(ставишь 10 как в букваре, горит) пластик оплавился, но сам целый, это от насоса, когда колеса качаешь у меня и прикуриватель сам 70-80с на ощупь. Можно как то это по умному решить, пожара не хочу, но и ногой работать нет желания)
_________________ Carina E (Sport Wagon1994 г.) 3S-FE 2.0 GLE 133 л.с. Japan
|
|
| Вернуться к началу |
|
 |
|
Сергей С@ныч
|
Добавлено: Пн фев 05, 2018 7:36 pm |
|
 |
| Человек-легенда |
 |
Зарегистрирован: Пт окт 22, 2010 11:08 am Сообщения: 8451 Откуда: Лукоянов-Арзамас-Москва Репутация: 135 [ ? ]
Машина: Тойота Авенсис ST220L-AEMEKW
Год выпуска: 2001
Двигатель: 3S-FE
|
Jinnay писал(а): умному решить Покупаешь переходник с крокодильчиками и цепляешься в следующий раз напрямую к АКБ.Самое простое и умное решение. Добавлено спустя 3 минуты 59 секунд:Jinnay писал(а): Что первое дергать кнопку или реле Меняй реле,купи от тазика.Кнопки крайне редко дохнут.
| Вложения: |

переходник.jpg [ 103.72 КБ | Просмотров: 23278 ]
|
_________________ Тойота Авенсис Т-22,3S-FE,S54,DIS-2,седан,выпуск 07.2001,цвет 209,отделка LA 14-02,комплектация Sol. Была Карина Е,4а-фе,стд,1996 год.
|
|
| Вернуться к началу |
|
 |
|
Череп
|
Добавлено: Пн фев 05, 2018 7:41 pm |
|
 |
| Герой былин народных |
Зарегистрирован: Сб янв 18, 2014 7:59 pm Сообщения: 3512 Откуда: Таганрог Репутация: 58 [ ? ]
Машина: Toyota Carina-E
Год выпуска: 1996
Двигатель: 1.6LB
|
Jinnay писал(а): Можно как то это по умному решить Можно конечно.. Проверить прикуриватель отдельно и прозвонить цепь цепь к нему при снятом предохранителе. А что делать, решить по результатам проверки.
_________________ В третий раз купил старик Toyota Carina-E...
|
|
| Вернуться к началу |
|
 |
|
Slava21
|
Добавлено: Пн фев 05, 2018 7:55 pm |
|
 |
| Контролер |
 |
Зарегистрирован: Вс янв 14, 2018 6:05 pm Сообщения: 667 Откуда: Липецк Репутация: 10 [ ? ]
Машина: Toyota Carina E
Год выпуска: 1992
Двигатель: 4A FE LB
|
Jinnay писал(а): Можно как то это по умному решить, пожара не хочу, но и ногой работать нет желания) Купи крокодилы и подключайся напрямую к аккумулятору. Пожалуй, самый безопасный вариант. А по поворотам, то я бы начал с кнопки аварийки. На неё приходят два питания. Одно от аккумулятора напрямую (предохранители не считаем), а второе после замка зажигания. Получается, что в любом случае после кнопки питание должно пойти на реле поворотов, с той лишь разницей, что в одном из них необходимо выполнить условие - включить зажигание. Если с кнопки питание уходит, то проверяем его на самом реле, хотя можно было и сразу с него начать, алгоритм поиска достаточно условный. Если питание на реле есть, то самый простой способ проверить его работоспособность подключить контрольную лампочку на выход реле. Должно начать работать. Если нет, то неисправно реле, если да, то дальнейший путь наш будет идти к переключателю поворотов, а оттуда по лампочкам... Просто дальнейшие поиски это уже поиск по проводам. Основные этапы я вам перечислил. Удачи.
_________________ Нас невозможно сбить с пути, нам всё равно куда идти.
|
|
| Вернуться к началу |
|
 |
|
Jinnay
|
Добавлено: Вт фев 06, 2018 5:07 pm |
|
 |
| Инструктор |
 |
Зарегистрирован: Ср авг 26, 2015 2:08 am Сообщения: 304 Откуда: Саратов Репутация: 3 [ ? ]
Машина: Carina E
Год выпуска: 1994
Двигатель: 3SFE
|
|
_________________ Carina E (Sport Wagon1994 г.) 3S-FE 2.0 GLE 133 л.с. Japan
|
|
| Вернуться к началу |
|
 |
|
Slava21
|
Добавлено: Вт фев 06, 2018 8:21 pm |
|
 |
| Контролер |
 |
Зарегистрирован: Вс янв 14, 2018 6:05 pm Сообщения: 667 Откуда: Липецк Репутация: 10 [ ? ]
Машина: Toyota Carina E
Год выпуска: 1992
Двигатель: 4A FE LB
|
|
Не знаю цоколёвку разъёма на машине, но там должно быть три провода. Один - масса, второй - питание, третий - выход. Найти массу не проблема. Подключаете контрольку на плюс и при переключателе поворотов в среднем положении касаетесь клемм в колодке, где засветится там и масса. Поиск клеммы питания идёт по тому же алгоритму, только контрольку подключаете к массе, и после включения зажигания ищете где напряжение. Оставшаяся клемма - для выхода реле, если соединить перемычкой с питанием, то должны засветиться повороты, если их включить, конечно. Теперь, когда Вы знаете как подключать реле, надо разобраться с цоколёвкой нового реле. Узнать где у него что. Тут задача посерьёзней, если цоколёвка неизвестна. Но метод научного тыка как правило работает безошибочно. Главное не торопиться. Разберите новое реле, постарайтесь понять как будет протекать ток. Если не разберётесь, то внутренности реле сюда выложите, попробуем понять вместе.
_________________ Нас невозможно сбить с пути, нам всё равно куда идти.
|
|
| Вернуться к началу |
|
 |
|
Jinnay
|
Добавлено: Вт фев 06, 2018 8:29 pm |
|
 |
| Инструктор |
 |
Зарегистрирован: Ср авг 26, 2015 2:08 am Сообщения: 304 Откуда: Саратов Репутация: 3 [ ? ]
Машина: Carina E
Год выпуска: 1994
Двигатель: 3SFE
|
|
Я тут спрашивал вК в группе сказали что для леворуких походит от 8ки или 10ки, и что цеклевка у них соответствует нашим реле, стоит пробовать выковырять ваз реле из корпуса и сунуть в остатки своего?
_________________ Carina E (Sport Wagon1994 г.) 3S-FE 2.0 GLE 133 л.с. Japan
|
|
| Вернуться к началу |
|
 |
|
Сергей С@ныч
|
Добавлено: Вт фев 06, 2018 8:42 pm |
|
 |
| Человек-легенда |
 |
Зарегистрирован: Пт окт 22, 2010 11:08 am Сообщения: 8451 Откуда: Лукоянов-Арзамас-Москва Репутация: 135 [ ? ]
Машина: Тойота Авенсис ST220L-AEMEKW
Год выпуска: 2001
Двигатель: 3S-FE
|
Не нужно ничего выковыривать.  Реле с 10-ки встаёт он болт.Я же писал выше.Ты посты то читаешь?
_________________ Тойота Авенсис Т-22,3S-FE,S54,DIS-2,седан,выпуск 07.2001,цвет 209,отделка LA 14-02,комплектация Sol. Была Карина Е,4а-фе,стд,1996 год.
|
|
| Вернуться к началу |
|
 |
|
Slava21
|
Добавлено: Вт фев 06, 2018 8:56 pm |
|
 |
| Контролер |
 |
Зарегистрирован: Вс янв 14, 2018 6:05 pm Сообщения: 667 Откуда: Липецк Репутация: 10 [ ? ]
Машина: Toyota Carina E
Год выпуска: 1992
Двигатель: 4A FE LB
|
Сергей С@ныч писал(а): Реле с 10-ки встаёт он болт. Вот и всё решение вопроса. ПыСы Я вчера подшипник в генератор с 9-ки всунул, сегодня узнал, что реле от 10 походит...
_________________ Нас невозможно сбить с пути, нам всё равно куда идти.
|
|
| Вернуться к началу |
|
 |
|
Сергей С@ныч
|
Добавлено: Вт фев 06, 2018 9:08 pm |
|
 |
| Человек-легенда |
 |
Зарегистрирован: Пт окт 22, 2010 11:08 am Сообщения: 8451 Откуда: Лукоянов-Арзамас-Москва Репутация: 135 [ ? ]
Машина: Тойота Авенсис ST220L-AEMEKW
Год выпуска: 2001
Двигатель: 3S-FE
|
Slava21 писал(а): Я вчера подшипник в генератор с 9-ки всунул, сегодня узнал, что реле от 10 походит... Это что.Я тут узнал что корзина сцепления Валео 802425 кроме 3S подходит на ВАЗ 1-й,3-й и 6-й моделей,если конечно Экзист не врёт. 
_________________ Тойота Авенсис Т-22,3S-FE,S54,DIS-2,седан,выпуск 07.2001,цвет 209,отделка LA 14-02,комплектация Sol. Была Карина Е,4а-фе,стд,1996 год.
|
|
| Вернуться к началу |
|
 |
|
Slava21
|
Добавлено: Вт фев 06, 2018 9:33 pm |
|
 |
| Контролер |
 |
Зарегистрирован: Вс янв 14, 2018 6:05 pm Сообщения: 667 Откуда: Липецк Репутация: 10 [ ? ]
Машина: Toyota Carina E
Год выпуска: 1992
Двигатель: 4A FE LB
|
|
Сергей С@ныч А на 4A-FE какая корзина подходит? Флуд в чужой теме и в другом разделе.Замечание..
_________________ Нас невозможно сбить с пути, нам всё равно куда идти.
|
|
| Вернуться к началу |
|
 |
Кто сейчас на конференции |
Сейчас этот форум просматривают: нет зарегистрированных пользователей и гости: 9 |
|
Вы не можете начинать темы Вы не можете отвечать на сообщения Вы не можете редактировать свои сообщения Вы не можете удалять свои сообщения Вы не можете добавлять вложения
|
|