Сообщения без ответов | Активные темы
| Автор |
Сообщение |
|
energizer
|
Добавлено: Ср окт 21, 2009 9:23 am |
|
 |
| Бригадир |
Зарегистрирован: Вт июн 23, 2009 11:29 am Сообщения: 242 Откуда: Екатеринбург Репутация: 3 [ ? ]
Машина: Тойота Карина Е - продана
Год выпуска: 1994
Двигатель: 4A-FE
|
Алексей60 писал(а): energizer писал(а): slk писал(а): energizer я так понимаю лампы внутри ПТФ остаются родные? вроде да - не говорил он что что-то менял про способы крепления - раньше у него на кенгурятнике были gna кенгурятники запретили Нуууу, еще не запретили... 
ну - когда новый техрегламент вступит в силу - запретят:)
кстати по-моему такой же у него кенгурин:)
_________________ Была Карина Е, 1,6 LB, хетч. Был Авенсис 2 Вагон Есть РАВ4-I
|
|
| Вернуться к началу |
|
 |
|
MiXaLbl4
|
Добавлено: Ср окт 21, 2009 11:10 am |
|
 |
| Бригадир |
 |
Зарегистрирован: Пн окт 19, 2009 9:56 am Сообщения: 248 Откуда: Petrozavodsk Репутация: 1 [ ? ]
|
Жека-ЕКБ, A mogno fotok pobolshe kak oni tam stoyat? 
_________________ Carina E, 3SF-E, White Sportwagon продал. в данный момент пешеход
|
|
| Вернуться к началу |
|
 |
|
Cuzov
|
Добавлено: Пт окт 23, 2009 12:46 pm |
|
 |
| Бригадир |
 |
Зарегистрирован: Чт ноя 13, 2008 9:20 pm Сообщения: 192 Откуда: Санкт-Петербург,Красносельскийр-н Репутация: −4 [ ? ]
|
а вот и мои,извините что не качественно,фотик сломал) птф от приоры горят габариты и аварийка)везу на переборку башки(

_________________ Toyota carina e 1.6 мкпп XLI эх седан.

|
|
| Вернуться к началу |
|
 |
|
skakurin
|
Добавлено: Пт окт 23, 2009 4:06 pm |
|
 |
| Контролер |
 |
Зарегистрирован: Чт окт 09, 2008 1:08 pm Сообщения: 713 Откуда: Ярославль Репутация: 18 [ ? ]
Машина: carina-e
Год выпуска: 1996
Двигатель: 7A-FE
|
|
нам бы без света и днем, как стоит в бампере увидеть.
_________________ 2007-2012г - Carina-E, 1.8 7A-FE, 1996год. Англичанка, пробег 308 тыс. АБС, Кондей. сейчас: СарАЙчЕГ, 2005г. дизель - D4D 
|
|
| Вернуться к началу |
|
 |
|
wAnTed
|
Добавлено: Пт окт 23, 2009 4:22 pm |
|
 |
| Герой былин народных |
 |
Зарегистрирован: Чт окт 15, 2009 11:14 pm Сообщения: 3581 Откуда: РФ, Северо-Запад, респ. Карелия Репутация: 33 [ ? ]
Машина: Toyota Carina E
Год выпуска: 1997
Двигатель: 7A-FE
|
|
вчера изготовил рамку(из нержавейки 1мм) по форме заглушки бампера. купил птф от 10ки. вытащил саму птф из рамки, срезал крепежи и регулятор. вырезал в рамке отвертие чтоб сама птф плотно входила. всё это примерил, стоит как родная. фото скину вечером. 1 проблема, надо придумать как птф к рамке прикрепить. задумка есть, сегодня вечером попробую сделать. если всё получится, то можно теперь птф от 10ки ставить и не резать бампер.
сегодня доделал 2 рамку, закрепил фары. завтра буду ставить все на место и крепить. возник вопрос: после снятия заглушки обнаружил разъемы для подключения ПТФ (штатные коннекторы), пока приборку не разбирал, но думаю там тоже проводка должна идти... как можно законектить штатные коннекторы? или их срезать и все на скрутку садить (не очень хочется портить *) ) еще у меня не горят габариты, не работает подсветка печки (регуляторы и крутилки, приходится все на ощупь щелкать) и не работает прикуриватель, это как то связанно одно с другим? может предохранитель какой? где посмотреть? может конечно и с проводкой проблема или контакт
если проводка есть, то просто подключать фары и ставить кнопку и все? реле ставить не надо будет или надо?
если кому интересно, как я все закрепил (фару в рамке), то фото скину завтра (сегодня не смог сфоткать, телефон сел)
_________________ Артём, Carina E'97 1,8 7A-FE LB вишневый седан 
|
|
| Вернуться к началу |
|
 |
|
Evgen66
|
Добавлено: Сб окт 24, 2009 1:57 pm |
|
 |
| На доске почета |
Зарегистрирован: Пн мар 03, 2008 10:43 pm Сообщения: 1319 Откуда: 66 регион. Пышма Репутация: 17 [ ? ]
|
wAnTedВот наше по подключению подробно http://www.carina-e.ru/viewtopic.php?t= ... sc&start=0
_________________ Было: CarinaE 4A-FE LB 99л.с. МКПП. 1996г. серебристый седан, ГБО. Стало: Opel ZafiraB 1.8 MT 2010г. Cosmo 
|
|
| Вернуться к началу |
|
 |
|
Lex@84
|
Добавлено: Сб окт 24, 2009 8:21 pm |
|
 |
| Заслуженный |
 |
Зарегистрирован: Чт дек 04, 2008 4:41 pm Сообщения: 974 Репутация: 5 [ ? ]
|
|
Значит задумка у меня имеется одна: хочу посадить птф на кнопку которая включает заднюю птф через реле разумеется, а из задней лампочку выкрутить, все равно не пользуюсь, когда я ее выкручю мне в салоне ничего пищать не будет? Мол замени лампочку и.т.д.? Или не стоит этого делать? И какая кнопка от птф встает в нашу консоль без подрезания и выпиливания? А то купил набор для подключения, а там кнопка узкая, нужно что то придумывать чтоб ее поставить в приборку, не охота порочиться, хотелось бы чтоб заглушку вынул и воткнул кнопку. От какого тазика подходит?
_________________ была Toyota carina e hatch год 1994 двиг.-4А-FE не LB Цвет-Черный, тонированная вся, мощ.107л.с АКПП, Англичанка, была Corolla e12 2006 АКПП двиг 3ZZ 1,6л 110л.с. Темно зеленый Lancer IX 2005 1,6 АКПП серебрист металлик.
|
|
| Вернуться к началу |
|
 |
|
wAnTed
|
Добавлено: Сб окт 24, 2009 8:21 pm |
|
 |
| Герой былин народных |
 |
Зарегистрирован: Чт окт 15, 2009 11:14 pm Сообщения: 3581 Откуда: РФ, Северо-Запад, респ. Карелия Репутация: 33 [ ? ]
Машина: Toyota Carina E
Год выпуска: 1997
Двигатель: 7A-FE
|
|
...
| Вложения: |
Комментарий к файлу: слева от руля

Картинка(30).jpg [ 91.14 КБ | Просмотров: 10229 ]
|
Комментарий к файлу: слева от руля

Картинка(31).jpg [ 67.5 КБ | Просмотров: 10232 ]
|
_________________ Артём, Carina E'97 1,8 7A-FE LB вишневый седан 
|
|
| Вернуться к началу |
|
 |
|
Lex@84
|
Добавлено: Сб окт 24, 2009 8:36 pm |
|
 |
| Заслуженный |
 |
Зарегистрирован: Чт дек 04, 2008 4:41 pm Сообщения: 974 Репутация: 5 [ ? ]
|
wAnTed писал(а): Evgen66, спасибо, теперь буду мудрить... а то никак не мог сделать. фото моих ПТФ еще вопрос: нашел 3 штекера: 1 белый (2 контакта) справа от руля, для чего он? 2 других слева от руля: один с контактами 2 3 и 7 8, как я понял для кнопки ПТФ... а другой маленький (4х контактный) зачем? омыватель фар?
Добавлено спустя 1 минуту:
фото разъемов
смотрятся супер, но вот только как ты их регулировать то будешь?
_________________ была Toyota carina e hatch год 1994 двиг.-4А-FE не LB Цвет-Черный, тонированная вся, мощ.107л.с АКПП, Англичанка, была Corolla e12 2006 АКПП двиг 3ZZ 1,6л 110л.с. Темно зеленый Lancer IX 2005 1,6 АКПП серебрист металлик.
|
|
| Вернуться к началу |
|
 |
|
wAnTed
|
Добавлено: Сб окт 24, 2009 8:53 pm |
|
 |
| Герой былин народных |
 |
Зарегистрирован: Чт окт 15, 2009 11:14 pm Сообщения: 3581 Откуда: РФ, Северо-Запад, респ. Карелия Репутация: 33 [ ? ]
Машина: Toyota Carina E
Год выпуска: 1997
Двигатель: 7A-FE
|
|
вот еще фото самих рамочек, если кто надумает также от 10 поставить вместо родных...
рамку легко снять и заменить фару (если сломается или треснет),
рамку делал из нержавейки (1 мм), думал покрасить, чтоб эстетичней смотрелось, но так пока оставлю..
Добавлено спустя 17 минут 46 секунд:
Lex@84
мне регулировать главное чтоб по вертикали
регулировать можно рамка плотно входит, если верхний болт сильнее подтянуть, то фара к верху чуть приподымается
в общем мне теперь надо с подключением разобраться.. потом сделаю фото как светят..
теперь по хронологии подключения (сильно не пинайте, а то я немного еще не разобрался)
1. Подключаем ПТФ к штатной проводке.
2. Проверяем наличие предохранителя 15А в блоке J/B №1 (если нет, то ставим).
3. Ставим реле от Ваза (4х контактное).
4. Находим разъем IG1, достаем его, ищем на нем провода с номерами на разъеме 9, 19, 20 и рядом провод Зелено-Оранжевый.
5. Соединяем провода с реле.
6. На штекере находим 7 и 8 контакты и ставим на них кнопку ВКЛ. (а если кнопка с подсветкой, то надо повозится еще с контактами 2 и 3 )
Я так понял?
| Вложения: |

Картинка(10).jpg [ 27.52 КБ | Просмотров: 10240 ]
|

Картинка(11).jpg [ 40.8 КБ | Просмотров: 10243 ]
|

Картинка(12).jpg [ 35.46 КБ | Просмотров: 10250 ]
|
_________________ Артём, Carina E'97 1,8 7A-FE LB вишневый седан 
|
|
| Вернуться к началу |
|
 |
|
Lex@84
|
Добавлено: Сб окт 24, 2009 9:30 pm |
|
 |
| Заслуженный |
 |
Зарегистрирован: Чт дек 04, 2008 4:41 pm Сообщения: 974 Репутация: 5 [ ? ]
|
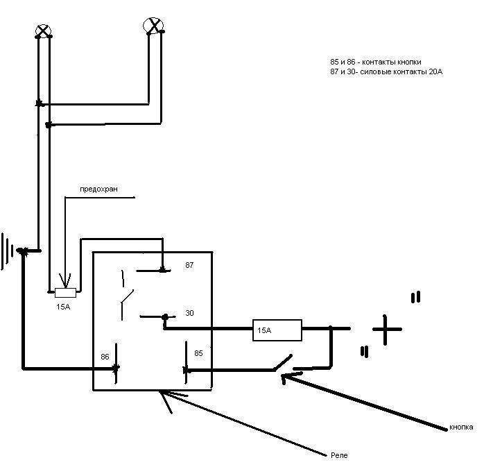
wAnTed писал(а): 6. На штекере находим 7 и 8 контакты и ставим на них кнопку ВКЛ. (а если кнопка с подсветкой, то надо повозится еще с контактами 2 и 3 )
кнопку где взял? от какой модели ваза в наши подходит? я морочиться не буду, протяну заново всю проводку. "+" от куда лучше взять? на прямую от аккума или от прикуривателя?
Добавлено спустя 22 минуты 28 секунд:
да
схему вижу примерно так (см. фото). Я прав или нет? у меня к стати на каждую ПТФ в комплекте стоит свой предохранитель на 10А, но я думаю поставить на обе ПТФ один. Думаю "плюс" брать с аккума, т.к. после размышлений пришел к выводу что на прикуривателье стоит свой предохранитель, наверно ампер на 10, боюсь выбьет его, я на управление (катушку возьму 85 и 86 контакты) + с прикуривателя для того чтоб если забыл выключить ПТФ аккумулятор не сел 
| Вложения: |

схема.JPG [ 31.02 КБ | Просмотров: 10249 ]
|

16.JPG [ 65.84 КБ | Просмотров: 10234 ]
|
_________________ была Toyota carina e hatch год 1994 двиг.-4А-FE не LB Цвет-Черный, тонированная вся, мощ.107л.с АКПП, Англичанка, была Corolla e12 2006 АКПП двиг 3ZZ 1,6л 110л.с. Темно зеленый Lancer IX 2005 1,6 АКПП серебрист металлик.
|
|
| Вернуться к началу |
|
 |
|
wAnTed
|
Добавлено: Сб окт 24, 2009 11:08 pm |
|
 |
| Герой былин народных |
 |
Зарегистрирован: Чт окт 15, 2009 11:14 pm Сообщения: 3581 Откуда: РФ, Северо-Запад, респ. Карелия Репутация: 33 [ ? ]
Машина: Toyota Carina E
Год выпуска: 1997
Двигатель: 7A-FE
|
|
Lex@84, кнопку посмотрю от Ваза или еще от какой машины... надо посмотреть, может найду красивую )) и поставлю )
_________________ Артём, Carina E'97 1,8 7A-FE LB вишневый седан 
|
|
| Вернуться к началу |
|
 |
|
Evgen66
|
Добавлено: Вс окт 25, 2009 1:06 pm |
|
 |
| На доске почета |
Зарегистрирован: Пн мар 03, 2008 10:43 pm Сообщения: 1319 Откуда: 66 регион. Пышма Репутация: 17 [ ? ]
|
wAnTed писал(а): 1 белый (2 контакта) справа от руля
Скорее всего это подсветка замка зажигания. Я к ней подключил светодиод через сопротивление можно лампочку в кожухе есть заглушка
_________________ Было: CarinaE 4A-FE LB 99л.с. МКПП. 1996г. серебристый седан, ГБО. Стало: Opel ZafiraB 1.8 MT 2010г. Cosmo 
|
|
| Вернуться к началу |
|
 |
|
Lex@84
|
Добавлено: Вс окт 25, 2009 5:53 pm |
|
 |
| Заслуженный |
 |
Зарегистрирован: Чт дек 04, 2008 4:41 pm Сообщения: 974 Репутация: 5 [ ? ]
|
|
сегодня заглянул под капот и понял что лучше будет протянуть по стандартной проводке, только где она? под капотом нашел разьемы ( см.фото) какой из них от птф?
| Вложения: |

Фото010.jpg [ 66.4 КБ | Просмотров: 10237 ]
|

Фото011.jpg [ 60.94 КБ | Просмотров: 10237 ]
|
_________________ была Toyota carina e hatch год 1994 двиг.-4А-FE не LB Цвет-Черный, тонированная вся, мощ.107л.с АКПП, Англичанка, была Corolla e12 2006 АКПП двиг 3ZZ 1,6л 110л.с. Темно зеленый Lancer IX 2005 1,6 АКПП серебрист металлик.
|
|
| Вернуться к началу |
|
 |
|
tj_tosha
|
Добавлено: Вс окт 25, 2009 5:58 pm |
|
 |
| Ветеран клуба, Модератор |
 |
Зарегистрирован: Пт сен 28, 2007 7:36 pm Сообщения: 6704 Откуда: Москва Репутация: 39 [ ? ]
Машина: Toyota Camry
Год выпуска: 2005
Двигатель: 2AZ
|
|
011 очень похож на разьем птф
_________________ Была супер машина Carina E 92 г. 4a-fe LB седан потом Hyundai Terracan затем Subaru Forester Клубный продавец машин)))) (Mouflon ©)
|
|
| Вернуться к началу |
|
 |
|
Lex@84
|
Добавлено: Вс окт 25, 2009 6:14 pm |
|
 |
| Заслуженный |
 |
Зарегистрирован: Чт дек 04, 2008 4:41 pm Сообщения: 974 Репутация: 5 [ ? ]
|
|
у мну еще один вопрос имеется: на каждую ПТФ свой отдельный разьем или он один для 2ух сразу?
_________________ была Toyota carina e hatch год 1994 двиг.-4А-FE не LB Цвет-Черный, тонированная вся, мощ.107л.с АКПП, Англичанка, была Corolla e12 2006 АКПП двиг 3ZZ 1,6л 110л.с. Темно зеленый Lancer IX 2005 1,6 АКПП серебрист металлик.
|
|
| Вернуться к началу |
|
 |
|
tj_tosha
|
Добавлено: Вс окт 25, 2009 6:17 pm |
|
 |
| Ветеран клуба, Модератор |
 |
Зарегистрирован: Пт сен 28, 2007 7:36 pm Сообщения: 6704 Откуда: Москва Репутация: 39 [ ? ]
Машина: Toyota Camry
Год выпуска: 2005
Двигатель: 2AZ
|
|
на каждую свой.
_________________ Была супер машина Carina E 92 г. 4a-fe LB седан потом Hyundai Terracan затем Subaru Forester Клубный продавец машин)))) (Mouflon ©)
|
|
| Вернуться к началу |
|
 |
|
Evgen66
|
Добавлено: Вс окт 25, 2009 6:23 pm |
|
 |
| На доске почета |
Зарегистрирован: Пн мар 03, 2008 10:43 pm Сообщения: 1319 Откуда: 66 регион. Пышма Репутация: 17 [ ? ]
|
|
У меня возле аккомулятора один разьём как на Фото 011.jpg, только больше штекеров я заглушку ещё неснимал. Жду когда туманки с Владика прийдут. Тогда уже буду разбираться.
_________________ Было: CarinaE 4A-FE LB 99л.с. МКПП. 1996г. серебристый седан, ГБО. Стало: Opel ZafiraB 1.8 MT 2010г. Cosmo 
|
|
| Вернуться к началу |
|
 |
|
Алексей60
|
Добавлено: Вс окт 25, 2009 6:26 pm |
|
 |
| Внесен в большую энциклопедию |
 |
Зарегистрирован: Пн окт 06, 2008 11:26 pm Сообщения: 2034 Откуда: ПСКОВ Репутация: 71 [ ? ]
Машина: CALDINA ST191G CZ TYPE
Год выпуска: 1995
Двигатель: 3S-FE
|
Lex@84 писал(а): сегодня заглянул под капот и понял что лучше будет протянуть по стандартной проводке, только где она? под капотом нашел разьемы ( см.фото) какой из них от птф?
Че то я сомневаюсь, что длины проводов хватит вытянуть разъем под капот. Он обычно за заглушкой бампера находится прикрученный к лонжерону, и вытягивается совсем немного, чтоб только противотуманку подключить.
_________________ CALDINA ST191G 95г. 3s-fe У меня очень мягкий характер. Типа накопительной системы скидок...Главное - потом не попасть под раздачу бонусов!
|
|
| Вернуться к началу |
|
 |
|
Дмитрий 701
|
Добавлено: Вс окт 25, 2009 7:00 pm |
|
 |
| Дитрих фон Кнехтман |
 |
Зарегистрирован: Вс фев 15, 2009 3:14 pm Сообщения: 6989 Откуда: Зеленоград Репутация: 218 [ ? ]
Машина: KIA Mohave
Год выпуска: 2012
Двигатель: Чума-дизель
|
Алексей60 писал(а): Он обычно за заглушкой бампера находится прикрученный к лонжерону
У меня так и было!  Но и под капотом, в районе фар, такие как на фотках есть тоже...
_________________ просто Дитрих...))) Идиоты утомляют. А политкорректные ещё хуже. ☠
|
|
| Вернуться к началу |
|
 |
|
Lex@84
|
Добавлено: Вс окт 25, 2009 7:21 pm |
|
 |
| Заслуженный |
 |
Зарегистрирован: Чт дек 04, 2008 4:41 pm Сообщения: 974 Репутация: 5 [ ? ]
|
Дмитрий 701 писал(а): Алексей60 писал(а): Он обычно за заглушкой бампера находится прикрученный к лонжерону У меня так и было!  Но и под капотом, в районе фар, такие как на фотках есть тоже...
тоесть это не те разьемы, помимо них еще где-то есть?
_________________ была Toyota carina e hatch год 1994 двиг.-4А-FE не LB Цвет-Черный, тонированная вся, мощ.107л.с АКПП, Англичанка, была Corolla e12 2006 АКПП двиг 3ZZ 1,6л 110л.с. Темно зеленый Lancer IX 2005 1,6 АКПП серебрист металлик.
|
|
| Вернуться к началу |
|
 |
|
Дмитрий 701
|
Добавлено: Вс окт 25, 2009 7:30 pm |
|
 |
| Дитрих фон Кнехтман |
 |
Зарегистрирован: Вс фев 15, 2009 3:14 pm Сообщения: 6989 Откуда: Зеленоград Репутация: 218 [ ? ]
Машина: KIA Mohave
Год выпуска: 2012
Двигатель: Чума-дизель
|
Lex@84 писал(а): тоесть это не те разьемы, помимо них еще где-то есть?
Заглушки с бампера сними, за ними они и должны быть! 
_________________ просто Дитрих...))) Идиоты утомляют. А политкорректные ещё хуже. ☠
|
|
| Вернуться к началу |
|
 |
|
Lex@84
|
Добавлено: Вс окт 25, 2009 7:32 pm |
|
 |
| Заслуженный |
 |
Зарегистрирован: Чт дек 04, 2008 4:41 pm Сообщения: 974 Репутация: 5 [ ? ]
|
Дмитрий 701 писал(а): Lex@84 писал(а): тоесть это не те разьемы, помимо них еще где-то есть? Заглушки с бампера сними, за ними они и должны быть! 
да сняты они давно, но только за ними я ничего не нашел  , может нет там стандартной проводки? она точно у всех есть?
_________________ была Toyota carina e hatch год 1994 двиг.-4А-FE не LB Цвет-Черный, тонированная вся, мощ.107л.с АКПП, Англичанка, была Corolla e12 2006 АКПП двиг 3ZZ 1,6л 110л.с. Темно зеленый Lancer IX 2005 1,6 АКПП серебрист металлик.
|
|
| Вернуться к началу |
|
 |
|
MerTV
|
Добавлено: Вс окт 25, 2009 7:33 pm |
|
 |
| У него свой шкафчик в раздевалке |
 |
Зарегистрирован: Ср июл 16, 2008 9:35 am Сообщения: 7416 Откуда: Нижний Новгород Репутация: 358 [ ? ]
Машина: Тойота Ками. Мелкий проходимец
Год выпуска: 1999
Двигатель: Контрактный
|
Lex@84 писал(а): Дмитрий 701 писал(а): Алексей60 писал(а): Он обычно за заглушкой бампера находится прикрученный к лонжерону У меня так и было!  Но и под капотом, в районе фар, такие как на фотках есть тоже... тоесть это не те разьемы, помимо них еще где-то есть?
Это не те разъёмы,у меня тоже такие незадействованные есть,но туманки подключаются в другие. Когда купил туманки,тоже смотрел со всех сторон,есть ли у меня родная для них проводка,но так и не смог найти заглядывая ни из под капота,ни с ямы. Когда же снимаешь заглушку с бампера,то сразу его видишь,по другому никак
_________________ Ремонт ДВС японских и корейских автомобилей SWAP-сервис в Нижнем Новгороде
|
|
| Вернуться к началу |
|
 |
Кто сейчас на конференции |
Сейчас этот форум просматривают: нет зарегистрированных пользователей и гости: 1 |
|
Вы не можете начинать темы Вы не можете отвечать на сообщения Вы не можете редактировать свои сообщения Вы не можете удалять свои сообщения Вы не можете добавлять вложения
|
|